Выполненные проекты
Проект отопления дома 142 м.кв. в дер. Павлищево
Объект: одноэтажный загородный дом из пенобетона, площадью 142 м.кв., расположенный в дер. Павлищево Можайского района Московской области
Вариант отопления: «Комфортный»
Цена проекта отопления, канализации и водоснабжения: 39 186 руб. со скидкой 10%, проект котельной - бесплатно.
Проект котельной, отопления, водоснабжения и канализации выполнен: 05.05.2022
Состав проекта котельной, отопления, канализации и водоснабжения дома в дер. Павлищево:
1. Пояснительная записка проекта, общие данные по системам отопления, канализации и водоснабжения дома 142 м.кв. в дер. Павлищево.
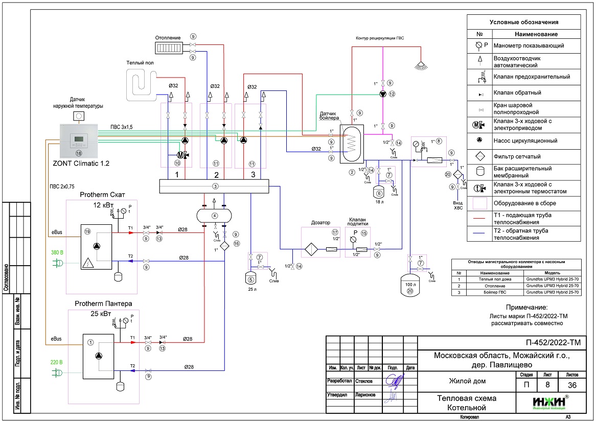
2. Тепломеханическая схема котельной с размещением оборудования в отдельном помещении дома из пенобетона.
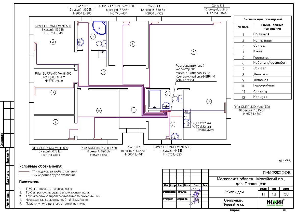
3. Комплект поэтажных чертежей радиаторного отопления дома в дер. Павлищево.
4. Комплект чертежей теплого пола на площади 136 м.кв.
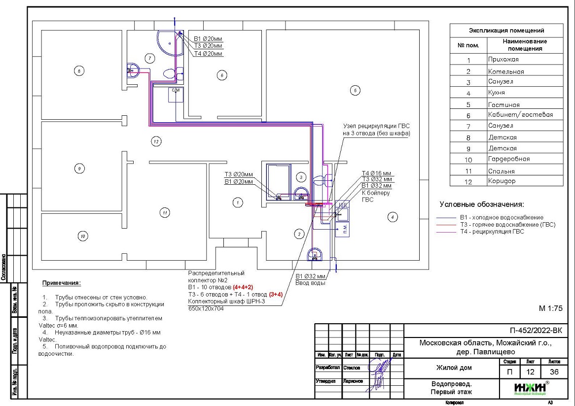
5. Комплект чертежей водоснабжения и канализации частного дома из бетона в дер. Павлищево.
6. Типовые схемы системы отопления канализации и водоснабжения дома 142 м.кв.
7. Теплотехнический расчет отопления дома из пенобетона.
8. Спецификация материалов и оборудования по котельной, отоплению, канализации и водоснабжению дома в дер. Павлищево.
Объем проекта отопления, канализации и водоснабжения дома в дер. Павлищево: 36 листов.
Описание проекта отопления, котельной, канализации и водоснабжения частного дома 142 м.кв. в дер. Павлищево.
Котельная частного дома в дер. Павлищево(проект котельной бесплатно).
o Размещена в отдельном помещении дома 142 м.кв.;
o Теплогенераторы - основной настенный газовый котел Protherm Пантера, мощностью 24 кВт, резервный - электрический котел Protherm Скат, мощностью 12 кВт;
o Контуры теплоснабжения котельной – радиаторное отопление дома, теплый пол и горячее водоснабжение, для которого предусмотрен накопительный бойлер Protherm, объемом 200 литров (подключение к коллектору);
o Расширительные баки отопления и бойлера Flamco, объемом 18 литров каждый;
o Дымоудаление принудительное, дымоход коаксиальный, комплект Vaillant для горизонтального прохода через стену, диаметр 60/100 мм;
o Распределительный коллектор - Meibes с насосными группами;
o Автоматика котельной – контроллер ZONT Climatic 1.2 со встроенным GSM-модулем.
Отопление дома в дер. Павлищево (проект отопления дома).
o Выполнен теплотехнический расчет отопления дома из пенобетона (утеплитель кровли - минеральная вата 200мм, пол - ЭППС 100мм) с учетом теплопотерь через ограждающие конструкции при наружной температуре -28°С для Московской области (по СП 131.13330.2012), расчетный расход тепла на отопление дома составил 11,52 кВт, удельные теплопотери 87,4 Вт/м.кв.;
o Подобраны приборы для отопления дома: секционные радиаторы Rifar SURPeMO и стальные дизайн-радиаторы СОЛО (КЗТО) с нижним подключением, в вентильном исполнении;
o Схема радиаторного отопления дома двухтрубная, коллекторно-лучевая, с принудительной циркуляцией теплоносителя и температурным графиком 80/60°С;
o Трубы отопления из металлопластика Valtec;
o Теплоизоляция трубопроводов отопления Valtec, толщиной 6мм;
o Теплоноситель в системе радиаторного отопления дома – подготовленная вода, предусмотрены средства защиты от образования накипи.
Водяной теплый пол дома в дер. Павлищево (проект теплого пола).
o Водяной теплый пол в доме предусмотрен на площади 136 м.кв., коллекторы теплого пола Valtec на 6 и 7 отводов;
o Предусмотрен насосно-смесительный узел для теплоснабжения водяного теплого пола дома - в составе насосной группы;
o Трубопроводы теплого пола – сшитый полиэтилен Valtec;
o Регулирование температуры теплого пола - общее, регулятором на смесительной группе.
Внутренний водопровод дома в дер. Павлищево (проект водоснабжения).
o Схема внутреннего водоснабжения дома – коллекторно-лучевая с рециркуляцией горячей воды через водяные полотенцесушители, выполнен расчет 16-ти точек водоснабжения;
o Трубопроводы системы водоснабжения – из металлопластика Valtec;
o Теплоизоляция трубопроводов Энергофлекс Супер, толщиной 9мм;
o Для летнего водопровода предусмотрено два незамерзающих крана Meibes SEPP-Eis.
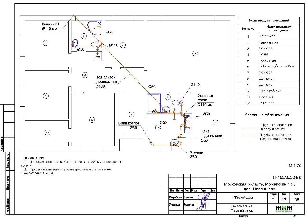
Внутренняя канализация (проект канализации) дома в дер. Павлищево.
o Безнапорная, отвод стоков от санитарно-технических приборов предусмотрен в септик;
o Произведен расчет 13-ти точек бытовой канализации;
o Канализационные трубы Синикон, раструбные, из полипропилена.



















