Выполненные проекты
Отопление дома 135 м.кв. Дмитровском районе, проект
Объект: двухэтажный загородный каркасный дом, площадью 135 м.кв., расположенный в дер. Подгорное, Дмитровского района, Московской области
Цена проекта отопления: 13 365 руб. со скидкой 10%, проект котельной - бесплатно.
Проект котельной и отопления выполнен: 14.06.2022
Состав проекта котельной и отопления дома в дер. Подгорное:
1. Пояснительная записка проекта, общие данные по системе отопления дома 135 м.кв. в дер. Подгорное.
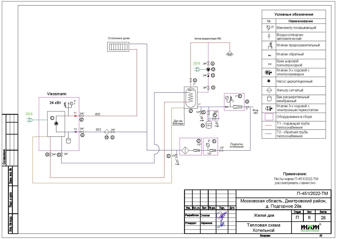
2. Тепломеханическая схема котельной с размещением оборудования в отдельном помещении каркасного дома.
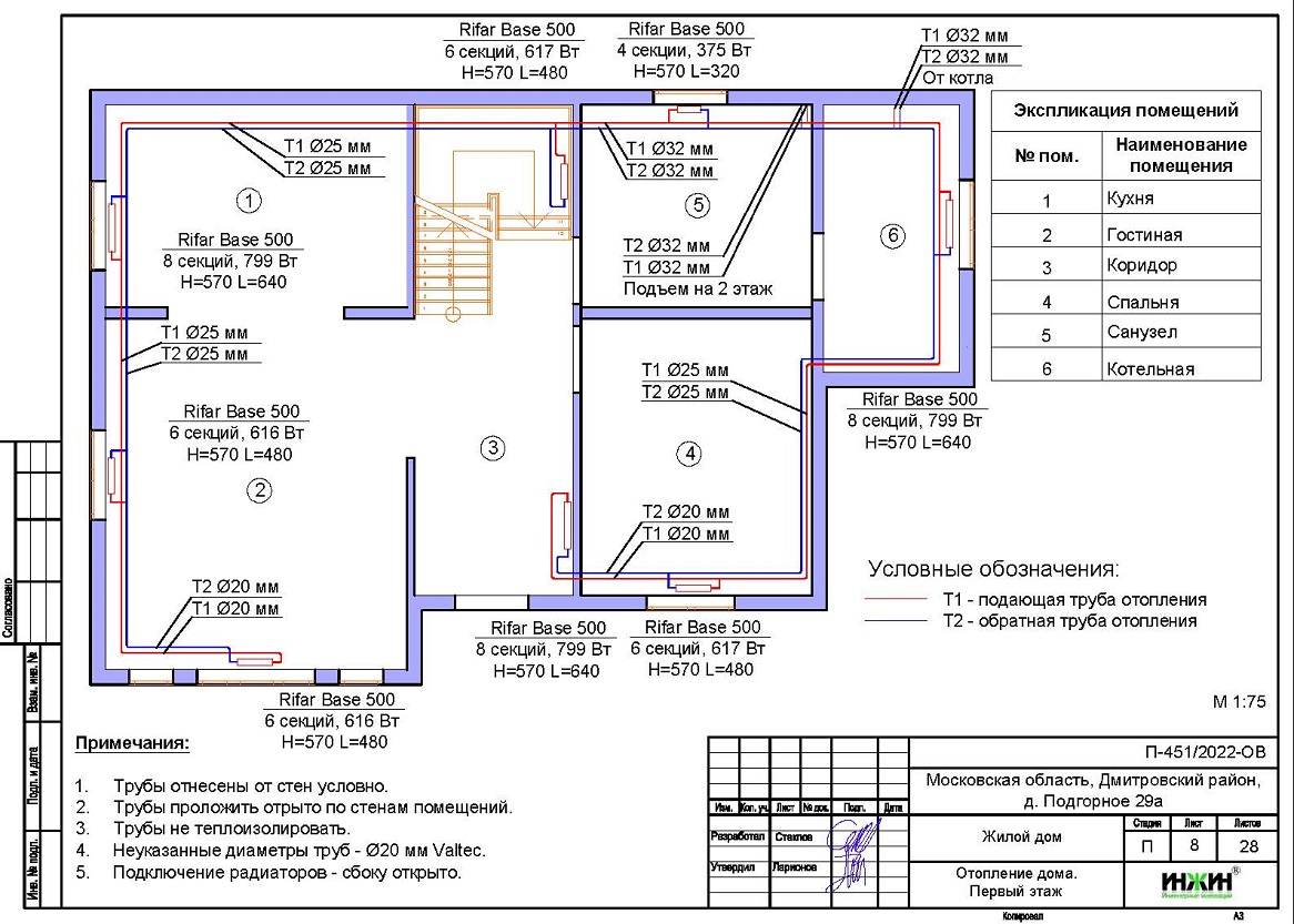
3. Комплект поэтажных чертежей радиаторного отопления дома в дер. Подгорное.
4. Типовые схемы системы отопления дома 135 м.кв.
5. Теплотехнический расчет отопления каркасного дома.
6. Спецификация материалов и оборудования по котельной и отоплению дома в дер. Подгорное.
Объем проекта отопления дома в дер. Подгорное: 28 листов.
Описание проекта отопления, котельной частного дома 135 м.кв. в дер. Подгорное.
Котельная частного дома в дер. Подгорное(проект котельной бесплатно).
o Размещена в отдельном помещении дома 135 м.кв.;
o Теплогенератор - настенный одноконтурный газовый котел Viessmann Vitopend 100-W, мощностью 24 кВт (в наличии);
o Контуры теплоснабжения котельной – радиаторное отопление дома и горячее водоснабжение, для которого предусмотрен накопительный бойлер Huch EnTEC ТBS-BASIC, объемом 200 литров (в наличии);
o Расширительны бак бойлера Flamco, объемом 18 литров;
o Дымоудаление принудительное, дымоход коаксиальный, комплект Viessmannдля горизонтального прохода через стену, диаметр 60/100 мм;
o Автоматика котельной – встроена в котел.
Отопление дома в дер. Подгорное (проект отопления дома).
o Выполнен теплотехнический расчет отопления каркасного дома (утеплитель стен и кровли - минвата 200мм) с учетом теплопотерь через ограждающие конструкции при наружной температуре -28°С для Московской области (по СП 131.13330.2012), расчетный расход тепла на отопление дома составил 8,35 кВт, удельные теплопотери 61,7 Вт/м.кв.;
o Подобраны приборы для отопления дома: биметаллические секционные радиаторы RIFAR с боковым подключением;
o Схема радиаторного отопления дома двухтрубная, с принудительной циркуляцией теплоносителя и температурным графиком 80/60°С;
o Трубы отопления из полипропилена Valtec;
o Теплоизоляция трубопроводов отопления не предусмотрена, прокладка открыто, по стенам помещений;
o Теплоноситель в системе радиаторного отопления дома – подготовленная вода, предусмотрены средства защиты от образования накипи.
Заказать в нашей компании проект отопления загородного дома дистанционно со скидкой.
По этому проекту выполнен монтаж отопления дома площадью в дер. Подгорное, Дмитровского района, Московской области (готовится к публикации).



















