Выполненные проекты
Отопление дома 129 м.кв. в Орловской области, проект
Объект: двухэтажный дом из пеноблоков, площадью 129 м.кв., расположенный в пос. Белоберезовский, Орловской области
Вариант отопления: «Комфортный»
Цена проекта отопления: 22 059 руб. со скидкой 10%, проект котельной - бесплатно.
Проект котельной, отопления выполнен: 28.07.2022
Состав проекта котельной, отопления дома в пос. Белоберезовский:
1. Пояснительная записка проекта, общие данные по системе отопления дома 129 м.кв. в пос. Белоберезовский.
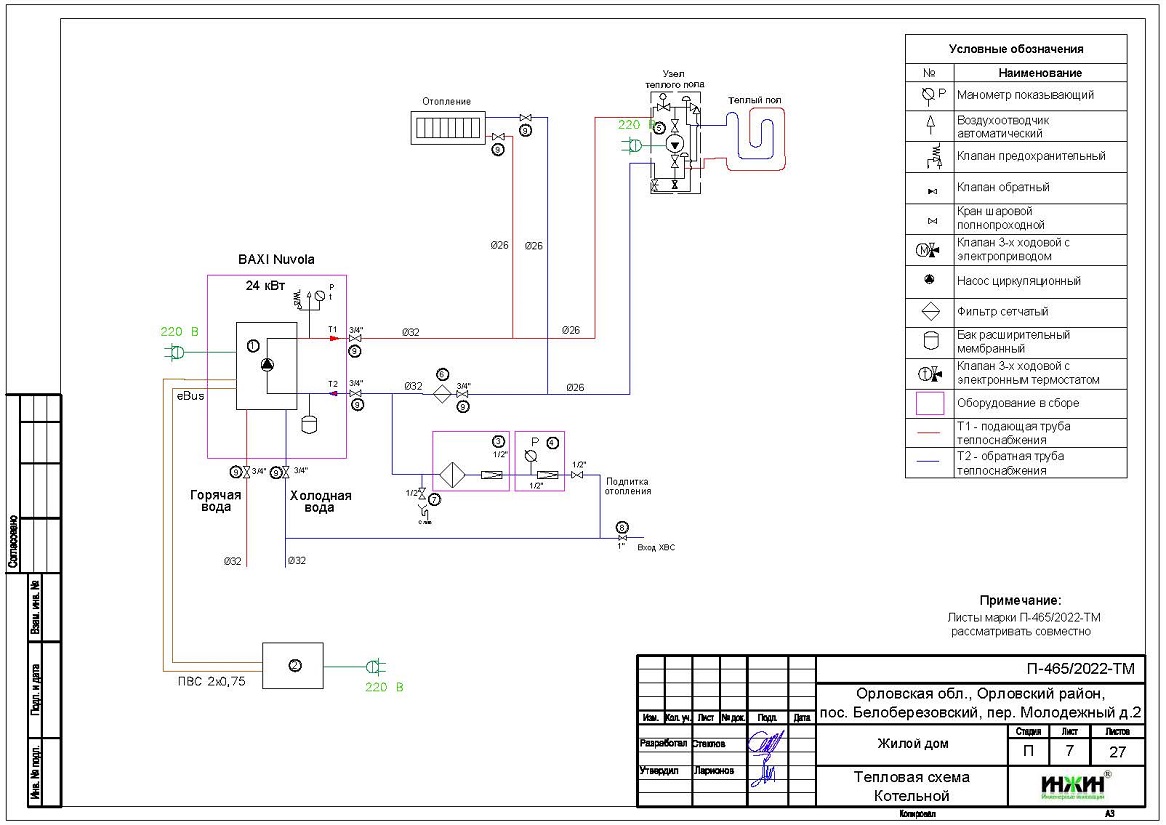
2. Тепломеханическая схема котельной с размещением оборудования в отдельном помещении дома из пеноблоков.
3. Комплект поэтажных чертежей радиаторного отопления дома в пос. Белоберезовский.
4. Комплект чертежей теплого пола на площади 129 м.кв.
5. Теплотехнический расчет отопления дома из пеноблоков.
6. Спецификация материалов и оборудования по котельной, отоплению и теплому полу дома в пос. Белоберезовский.
Объем проекта отопления дома в пос. Белоберезовский: 27 листов.
Описание проекта отопления, котельной частного дома 129 м.кв. в Орловской области.
Котельная частного дома в пос. Белоберезовский(проект котельной бесплатно).
o Размещена в отдельном помещении дома 129 м.кв.;
o Теплогенератор - настенный газовый котел Baxi Nuvola, мощностью 24 кВт;
o Контуры теплоснабжения котельной – радиаторное отопление дома, теплый пол и горячее водоснабжение, для которого предусмотрен бойлер объемом 60 литров, встроенный в котел;
o Расширительный бак отопления встроен в котел;
o Дымоудаление принудительное, дымоход коаксиальный, горизонтальный комплект "через стену";
o Распределительный коллектор не предусмотрен;
o Автоматика котельной – контроллер ZONT Connect+ со встроенным GSM-модулем дистанционного управления котлом отопления.
Отопление дома в Орловской области (проект отопления дома).
o Выполнен теплотехнический расчет отопления дома из пеноблоков (утеплитель стен и кровли - минвата толщиной, соответственно, 100 и 200мм, плита основания - ЭППС 100мм) с учетом теплопотерь через ограждающие конструкции при наружной температуре -27°С для Орловской области (по СП 131.13330.2012), расчетный расход тепла на отопление дома составил 9,99 кВт, удельные теплопотери 77,8 Вт/м.кв.;
o Подобраны приборы для отопления дома: стальные панельные радиаторы Kermi с нижним подключением, в вентильном исполнении;
o Схема радиаторного отопления дома двухтрубная, коллекторно-лучевая, с принудительной циркуляцией теплоносителя и температурным графиком 80/60°С;
o Трубы отопления из металлопластика Valtec;
o Теплоизоляция трубопроводов отопления Valtec, толщиной 6мм;
o Теплоноситель в системе радиаторного отопления дома – подготовленная вода, предусмотрены средства защиты от образования накипи.
Водяной теплый пол дома в пос. Белоберезовский (проект теплого пола).
o Водяной теплый пол в доме предусмотрен на площади 129 м.кв., коллектор теплого пола Valtec на 12 отводов;
o Предусмотрен насосно-смесительный узел для теплоснабжения водяного теплого пола дома на контуре отопления;
o Трубопроводы теплого пола – сшитый полиэтилен Valtec;
o Регулирование температуры теплого пола - общее, регулятором на смесительной группе и локальное - по помещениям при помощи двухканальных электронных термостатов Valtec.



















