Выполненные проекты
Проект отопления каркасного дома в г. Видное
Объект: двухэтажный частный каркасный дом, площадью 102 м.кв., расположенный в г. Видное Московской области
Вариант отопления: «Комфортный»
Цена проекта отопления и водоснабжения: 13 698 руб. со скидкой 10%, проект котельной - бесплатно.
Проект котельной, отопления и водоснабжения выполнен: 17.10.2022
Состав проекта котельной, отопления и водоснабжения дома в г. Видное:
1. Пояснительная записка проекта, общие данные по системе отопления дома 102 м.кв. в г. Видное.
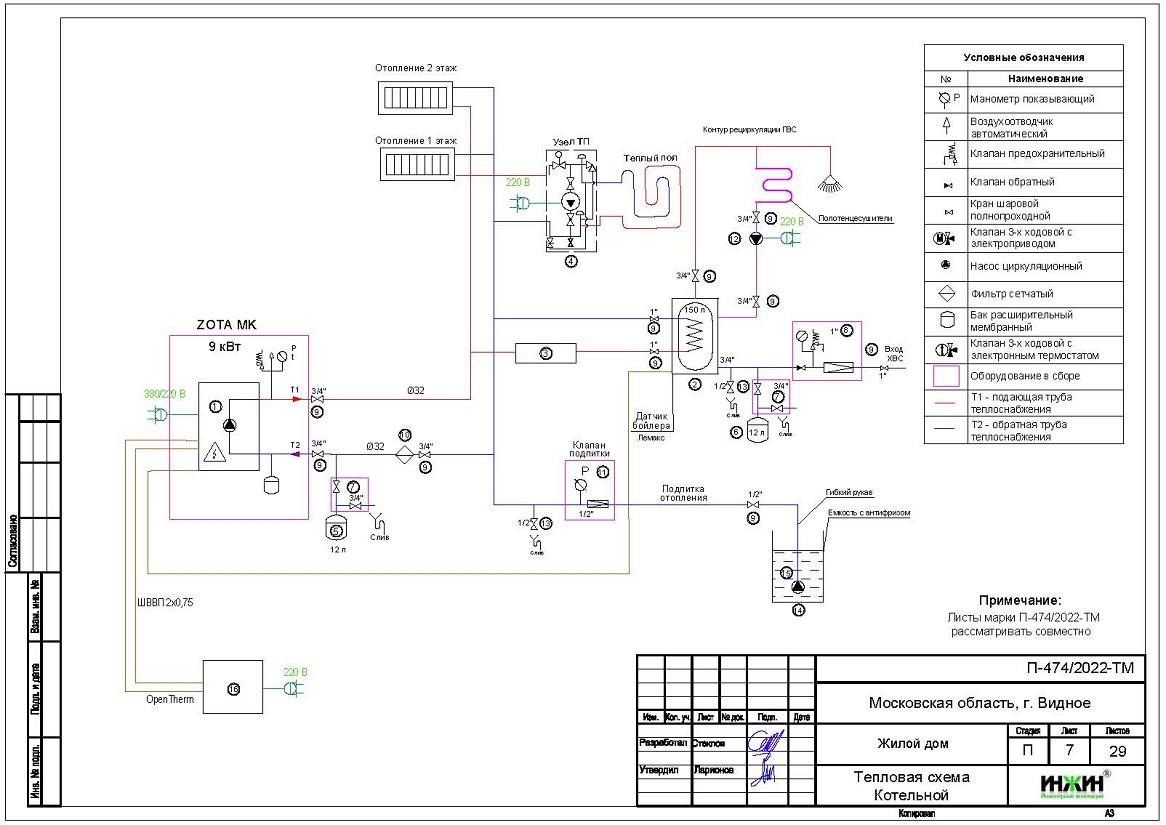
2. Тепломеханическая схема котельной с размещением оборудования в отдельном помещении дома в г. Видное.
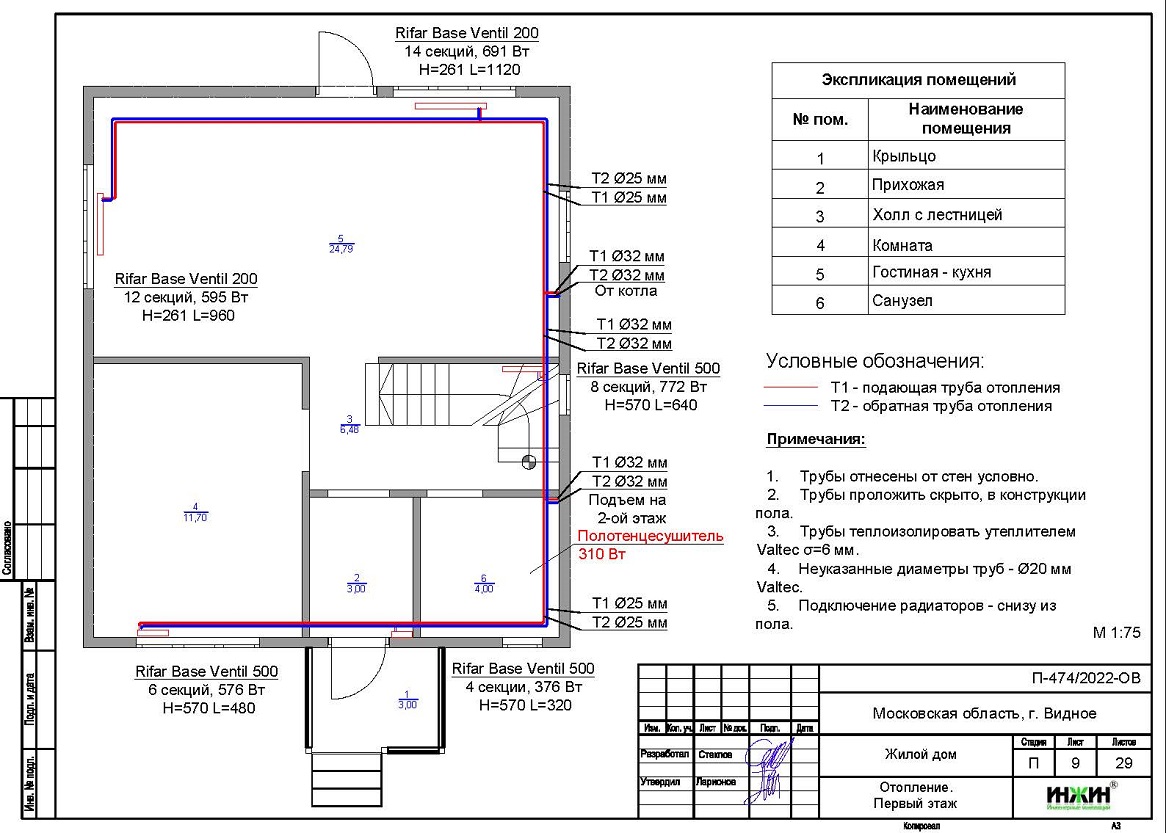
3. Комплект поэтажных чертежей радиаторного отопления дома в г. Видное.
4. Комплект чертежей теплого пола на площади 50 м.кв.
5. Типовые схемы системы отопления и водоснабжения дома 102 м.кв.
6. Теплотехнический расчет отопления дома из в г. Видное.
8. Спецификация материалов и оборудования по котельной, отоплению дома в г. Видное.
Объем проекта отопления дома в г. Видное: 29 листов.
Описание проекта отопления, котельной и водоснабжения частного дома 102 м.кв. в г. Видное.
Котельная частного дома в г. Видное(проект котельной бесплатно).
o Размещена в отдельном помещении дома 102 м.кв.;
o Теплогенератор - настенный электрический котел Zota MK, мощностью 9 кВт;
o Контуры теплоснабжения котельной – радиаторное отопление дома, теплый пол и горячее водоснабжение, для которого предусмотрен накопительный бойлерSTOUT, объемом 150 литров (подключение к котлу);
o Расширительные баки отопления и бойлера Flamco, объемом 12 литров каждый;
o Дымоудаление не предусмотрено;
o Распределительный коллектор не предусмотрен;
o Автоматика котельной – встроена в котел, с дополнительным GSM-модулем ZONT.
Отопление дома в г. Видное (проект отопления дома).
o Выполнен теплотехнический расчет отопления каркасного дома (утеплитель стен,пола и кровли - минвата 200мм) с учетом теплопотерь через ограждающие конструкции при наружной температуре -28°С для Московской области (по СП 131.13330.2012), расчетный расход тепла на отопление дома составил 8,13 кВт, удельные теплопотери 82,3 Вт/м.кв.;
o Подобраны приборы для отопления дома: секционные радиаторы Rifar Base Ventil с нижним подключением, в вентильном исполнении;
o Схема радиаторного отопления дома двухтрубная, с принудительной циркуляцией теплоносителя и температурным графиком 80/60°С;
o Трубы отопления из металлопластика Valtec;
o Теплоизоляция трубопроводов отопления Valtec, толщиной 6мм;
o Теплоноситель в системе радиаторного отопления дома – незамерзающая жидкость.
Водяной теплый пол дома в г. Видное (проект теплого пола).
o Водяной теплый пол в доме предусмотрен на площади 50 м.кв., коллектор теплого пола Valtec на 6 отводов;
o Предусмотрен насосно-смесительный узел для теплоснабжения водяного теплого пола дома - на контуре отопления;
o Трубопроводы теплого пола – сшитый полиэтилен Valtec;
o Регулирование температуры теплого пола - общее, регулятором на смесительной группе, а также локальное - по помещениям.



















