Выполненные проекты
Проект отопления таунхауса в КП "Лесная сказка"
Объект: трехэтажный таунхаус из газобетона, площадью 166 м.кв., расположенный в КП "Лесная сказка", г. Троицк (Новая Москва)
Вариант отопления: «Комфортный+»
Цена проекта отопления, канализации и водоснабжения: 37 655 руб. со скидкой 10%, проект котельной - бесплатно.
Проект котельной, отопления, водоснабжения и канализации выполнен: 10.03.2023
Состав проекта котельной, отопления, канализации и водоснабжения таунхауса в КП "Лесная сказка":
1. Пояснительная записка проекта, общие данные по системам отопления, канализации и водоснабжения таунхауса 166 м.кв. в КП "Лесная сказка"
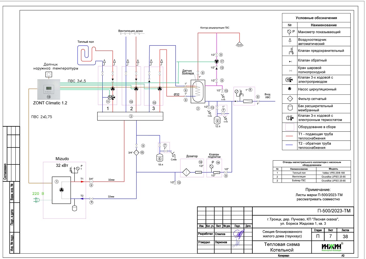
2. Тепломеханическая схема котельной с размещением оборудования в отдельном помещении таунхауса из газобетона.
3. Комплект поэтажных чертежей радиаторного отопления таунхауса в КП "Лесная сказка".
4. Комплект чертежей теплого пола на площади 160 м.кв.
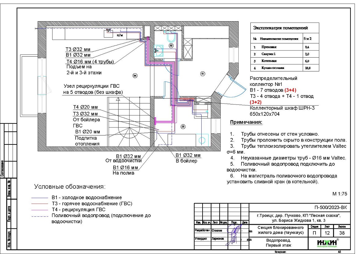
5. Комплект чертежей водоснабжения и канализации частного таунхауса в КП "Лесная сказка".
6. Типовые схемы системы отопления канализации и водоснабжения таунхауса в КП "Лесная сказка".
7. Теплотехнический расчет отопления таунхауса из газобетона.
8. Спецификация материалов и оборудования по котельной, отоплению, канализации и водоснабжению таунхауса в КП "Лесная сказка".
Объем проекта отопления, канализации и водоснабжения таунхауса в КП "Лесная сказка": 38 листов.
Описание проекта отопления, котельной, канализации и водоснабжения таунхауса в КП "Лесная сказка".
Котельная таунхауса в КП "Лесная сказка"(проект котельной бесплатно).
o Размещена в отдельном помещении таунхауса в КП "Лесная сказка";
o Теплогенератор настенный газовый котел MIZUDO M32ТH, мощностью 32 кВт;
o Контуры теплоснабжения котельной – теплый пол, вентиляция и горячее водоснабжение, для которого предусмотрен накопительный бойлер STOUT, объемом 150 литров (настенный);
o Расширительные баки отопления и бойлера Flamco, объемом 18 и 12 литров, соответственно;
o Дымоудаление принудительное, дымоход выполнен на объекте;
o Распределительный коллектор - STOUT с насосными группами;
o Автоматика котельной – контроллер ZONT Climatic 1.2 со встроенным GSM-модулем.
Отопление таунхауса в КП "Лесная сказка" (проект отопления дома).
o Выполнен теплотехнический расчет отопления таунхауса из газобетона (утеплитель кровли - пенопласт 100мм, стен - минвата 150мм) с учетом теплопотерь через ограждающие конструкции при наружной температуре -28°С для Московской области (по СП 131.13330.2012), расчетный расход тепла на отопление таунхауса составил 11,56 кВт, удельные теплопотери 71,3 Вт/м.кв.;
o Радиаторное отопление, по заданию Заказчика, для таунхауса не предусматривалось, выполнен только теплотехнический расчет. Для обогрева таунхауса использовался только водяной теплый пол, теплоотдачи от которого оказалось недостаточно (по расчету), дефицит мощности указан в проекте для каждого помещения, общий дефицит тепла по таунхаусу - 5 102 Вт (44% от потребной мощности на отопление). Заказчик с результатами ознакомлен под роспись.
Водяной теплый пол таунхауса в КП "Лесная сказка" (проект теплого пола).
o Водяной теплый пол в доме предусмотрен на площади 160 м.кв., коллекторы теплого пола Valtec на 8 отводов - 3 шт., по одному на этаж;
o Предусмотрен насосно-смесительный узел для теплоснабжения водяного теплого пола дома - в составе насосной группы котельной;
o Трубопроводы теплого пола – сшитый полиэтилен Valtec (1600 метров погонных);
o Регулирование температуры теплого пола - общее, регулятором на смесительной группе, а также зональное, по помещениям при помощи электронных комнатных термостатов.
Внутренний водопровод таунхауса в КП "Лесная сказка" (проект водоснабжения).
o Схема внутреннего водоснабжения дома – коллекторно-лучевая с рециркуляцией горячей воды через водяные полотенцесушители, выполнен расчет 28-и точек водоснабжения и полотенцесушителей;
o Трубопроводы системы водоснабжения – из металлопластика Valtec;
o Теплоизоляция трубопроводов Valtec, толщиной 6мм.
Внутренняя канализация (проект канализации) таунхауса в КП "Лесная сказка".
o Безнапорная, отвод стоков от санитарно-технических приборов предусмотрен в септик;
o Произведен расчет 15-ти точек бытовой канализации;
o Канализационные трубы Синикон, раструбные, из полипропилена.






















