Выполненные проекты
Проект отопления дома с баней в Сыктывкаре
Объект: частный дом из газобетона, с баней из бревна, общей площадью 176 м.кв., расположенный в г. Сыктывкар, Республика Коми
Вариант отопления: «Комфортный»
Цена проекта отопления и водоснабжения: 27 126 руб. со скидкой 10%, проект котельной - бесплатно.
Проект котельной, отопления и водоснабжения выполнен: 21.06.2023
Состав проекта котельной, отопления и водоснабжения дома с баней в Сыктывкаре:
1. Пояснительная записка проекта, общие данные по системам отопления и водоснабжения дома 176 м.кв. в Сыктывкаре.
2. Тепломеханическая схема котельной с размещением оборудования в отдельном помещении дома из газобетона.
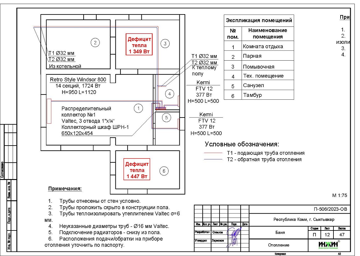
3. Комплект поэтажных чертежей радиаторного отопления дома в Сыктывкаре.
4. Комплект чертежей теплого пола на площади 110 м.кв.
5. Комплект чертежей водоснабжения и канализации частного дома из газобетона в Сыктывкаре.
6. Типовые схемы системы отопления канализации и водоснабжения дома 177 м.кв.
7. Теплотехнический расчет отопления дома из газобетона.
8. Спецификация материалов и оборудования по котельной, отоплению, канализации и водоснабжению дома в Сыктывкаре.
Объем проекта отопления и водоснабжения дома в Сыктывкаре: 47 листов.
Описание проекта отопления, котельной и водоснабжения частного дома с баней 176 м.кв. в Сыктывкаре.
Котельная частного дома в Сыктывкаре(проект котельной бесплатно).
o Размещена в отдельном помещении первого этажа дома 176 м.кв.;
o Теплогенераторы - основной настенный газовый котел BAXI ECO Life 1.31F, мощностью 31 кВт, резервный - электрический котел ZOTA MK, мощностью 12 кВт;
o Контуры теплоснабжения котельной – радиаторное отопление дома, отопление бани, теплый пол дома, теплоснабжение гаража (резерв), теплоснабжение вентиляции и горячее водоснабжение, для которого предусмотрен накопительный бойлер STOUT, объемом 150 литров (в бане - электрический бойлер по выбору Заказчика);
o Расширительные баки отопления и бойлера Flamco, объемом 35 и 18 литров, соответственно;
o Дымоудаление принудительное, дымоход коаксиальный, комплект для вертикального прохода через кровлю, диаметр 60/100 мм;
o Распределительный коллектор - STOUT с насосными группами и гидравлическим разделителем;
o Автоматика котельной – контроллер ZONT Climatic 1.3 со встроенным GSM-модулем и дополнительным блоком расширения EX-77.
Отопление дома в Сыктывкаре (проект отопления дома).
o Выполнен теплотехнический расчет отопления комплекса строений (утеплитель кровли и стен дома - базальтовая вата 300мм) с учетом теплопотерь через ограждающие конструкции при наружной температуре -36°С для Сыктывкара (по СП 131.13330.2012), расчетный расход тепла на отопление основного дома составил 11,71 кВт, удельные теплопотери 86,2 Вт/м.кв., бани - 7,06 кВт, удельные теплопотери 187,8 Вт/м.кв.;
o Подобраны приборы для отопления обоих строений: стальные панельные радиаторы Kermiс нижним подключением, стальные дизайнерские радиаторы Гармония (КЗТО)с нижним подключением, а также встроенные в пол конвекторы Varmann c принудительной конвекцией;
o Схема радиаторного отопления основного и гостевого дома двухтрубная, коллекторно-лучевая, с принудительной циркуляцией теплоносителя и температурным графиком 80/60°С;
o Трубы отопления из сшитого полиэтилена Valtec;
o Теплоизоляция трубопроводов отопления Valtec, толщиной 6мм;
o Теплоноситель в системе радиаторного отопления дома – незамерзающая жидкость Warme Eco Pro 30.
Водяной теплый пол дома в Сыктывкаре (проект теплого пола).
o Водяной теплый пол в доме и бане предусмотрен на площади 110 м.кв., коллекторы теплого пола Valtec на 10 (для дома) и 5 (для бани) отводов, всего 15 петель;
o Предусмотрено два насосно-смесительных узла для теплоснабжения водяного теплого пола дома (по одному на строение) - в составе насосных групп (на отоплении - для бани);
o Трубопроводы теплого пола – сшитого полиэтилена Valtec;
o Регулирование температуры теплого пола - общее, регулятором на смесительной группе, а также зональное - при помощи электронных комнатных термостатов Valtec.
Внутренний водопровод дома в Сыктывкаре (проект водоснабжения).
o Схема внутреннего водоснабжения дома – коллекторно-лучевая с рециркуляцией горячей воды через водяные полотенцесушители (для дома), выполнен расчет 28-и точек водоснабжения и полотенцесушителей (для обоих строений);
o Трубопроводы системы водоснабжения – из сшитого полиэтилена Valtec;
o Теплоизоляция трубопроводов Valtec, толщиной 6мм.
Заказать в нашей компании проект отопления, водоснабжения и канализации загородного дома дистанционно со скидкой.
Для этого дома в г. Сыктывкар, Республика Коми выполнен проект электрики.






















