Выполненные проекты
Проект отопления дома 155 м.кв. в с. Софьино
Объект: двухэтажный дом из газобетона, площадью 155 м.кв., расположенный в с. Софьино Раменского района Московской области
Вариант отопления: «Комфортный»
Цена проекта отопления, канализации и водоснабжения: 25 715 руб. со скидкой 10%, проект котельной - бесплатно.
Проект котельной, отопления, водоснабжения и канализации выполнен: 16.10.2023
Состав проекта котельной, отопления, канализации и водоснабжения дома в с. Софьино:
1. Пояснительная записка проекта, общие данные по системам отопления, канализации и водоснабжения дома 155 м.кв. в с. Софьино.
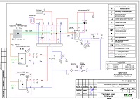
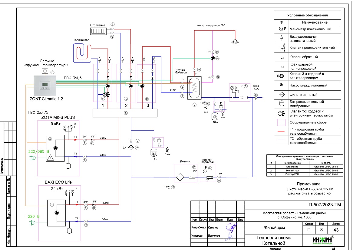
2. Тепломеханическая схема котельной с размещением оборудования в отдельном помещении дома из газобетона.
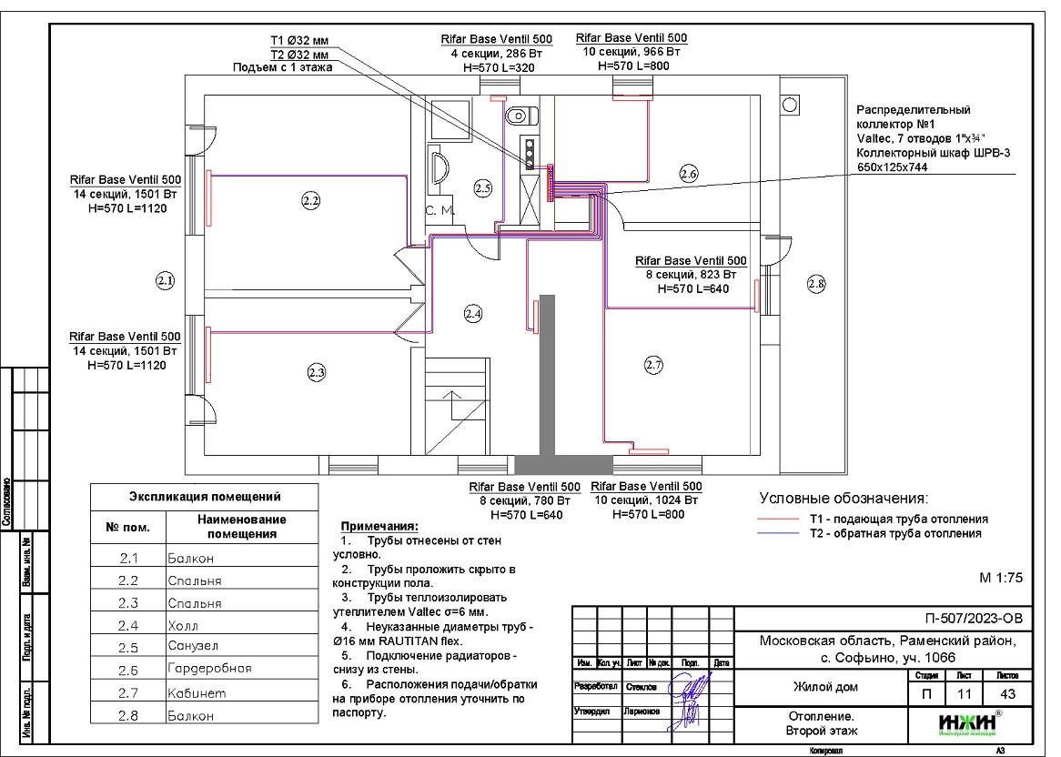
3. Комплект поэтажных чертежей радиаторного отопления дома в с. Софьино.
4. Комплект чертежей теплого пола на площади 12 м.кв.
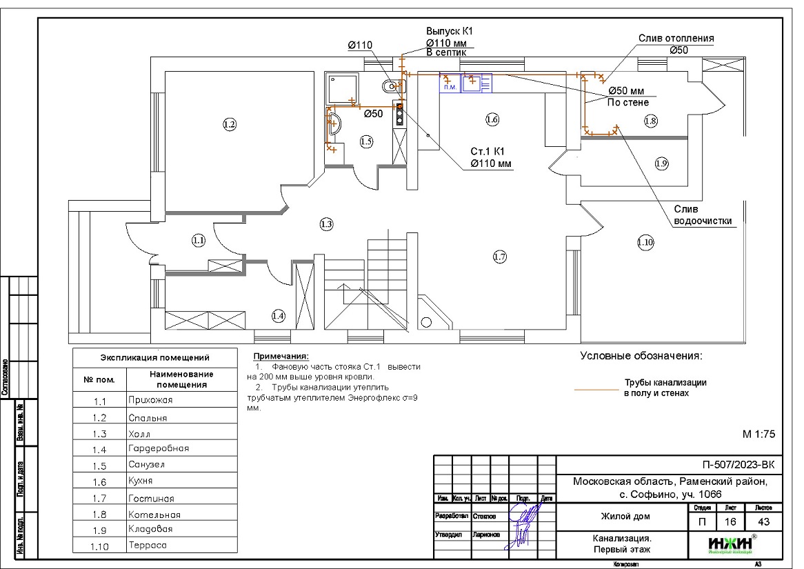
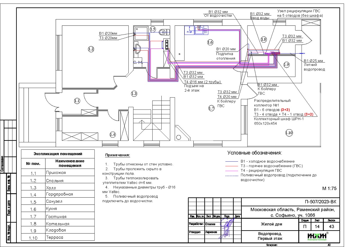
5. Комплект чертежей водоснабжения и канализации частного дома из полистиролбетона в с. Софьино.
7. Теплотехнический расчет отопления дома из газобетона.
8. Спецификация материалов и оборудования по котельной, отоплению, канализации и водоснабжению дома в с. Софьино.
Объем проекта отопления, канализации и водоснабжения дома в с. Софьино: 43 листа.
Описание проекта отопления, котельной, канализации и водоснабжения частного дома 155 м.кв. в с. Софьино.
Котельная частного дома в с. Софьино (проект котельной бесплатно).
o Размещена в отдельном помещении дома 155 м.кв.;
o Теплогенераторы - основной настенный газовый котел BAXI ECO Life, мощностью 24 кВт, резервный - электрический котел ZOTA MK, мощностью 9 кВт;
o Контуры теплоснабжения котельной – радиаторное отопление дома, теплый пол и горячее водоснабжение, для которого предусмотрен накопительный бойлер STOUT, объемом 200 литров;
o Расширительные баки отопления и бойлера Flamco, объемом 18 литров каждый;
o Дымоудаление принудительное, дымоход коаксиальный, в исполнении "через стену";
o Распределительный коллектор - STOUT с насосными группами;
o Автоматика котельной – контроллер ZONT Climatic 1.2 со встроенным GSM-модулем.
Отопление дома в с. Софьино (проект отопления дома).
o Выполнен теплотехнический расчет отопления дома из газобетона (утеплитель кровли - минвата 250мм) с учетом теплопотерь через ограждающие конструкции при наружной температуре -28°С для Московской области (по СП 131.13330.2012), расчетный расход тепла на отопление дома составил 16,23 кВт, удельные теплопотери 101,40 Вт/м.кв.;
o Подобраны приборы для отопления дома: секционные радиаторы RIFAR BASE с нижним подключением, в вентильном исполнении;
o Схема радиаторного отопления дома двухтрубная, коллекторно-лучевая, с принудительной циркуляцией теплоносителя и температурным графиком 80/60°С;
o Трубы отопления из сшитого полиэтилена Valtec;
o Теплоизоляция трубопроводов отопления Valtec, толщиной 6мм;
o Теплоноситель в системе радиаторного отопления дома – подготовленная вода, предусмотрены средства защиты от образования накипи.
Водяной теплый пол дома в с. Софьино (проект теплого пола).
o Водяной теплый пол в доме предусмотрен на площади 12 м.кв., коллектор теплого пола Valtec на 2 отвода;
o Предусмотрен насосно-смесительный узел для теплоснабжения водяного теплого пола дома - в составе насосной группы;
o Трубопроводы теплого пола – сшитый полиэтилен Valtec;
o Регулирование температуры теплого пола - общее, регулятором на смесительной группе.
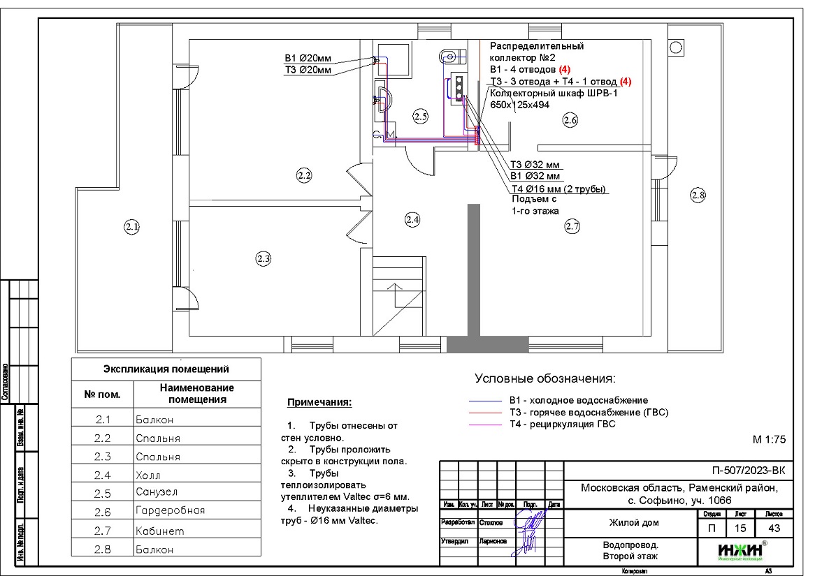
Внутренний водопровод дома в с. Софьино (проект водоснабжения).
o Схема внутреннего водоснабжения дома – коллекторно-лучевая с рециркуляцией горячей воды через водяные полотенцесушители, выполнен расчет 18-ти точек водоснабжения и полотенцесушителей;
o Трубопроводы системы водоснабжения – из сшитого полиэтилена Valtec;
o Теплоизоляция трубопроводов Valtec, толщиной 6мм.
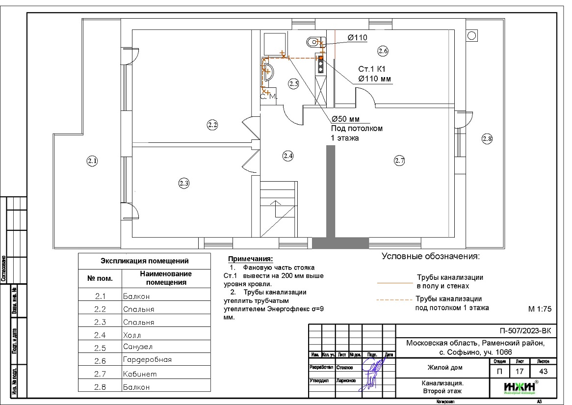
Внутренняя канализация (проект канализации) дома в с. Софьино.
o Безнапорная, отвод стоков от санитарно-технических приборов предусмотрен в септик;
o Произведен расчет 12-ти точек бытовой канализации;
o Канализационные трубы Синикон, раструбные, из полипропилена.
Заказать в
нашей компании проект отопления, водоснабжения и канализации загородного дома дистанционно со скидкой.
Для этого дома в с. Софьино выполнен проект электрики.

























