Выполненные проекты
Проект отопления дома в дер. Никольское (280 м.кв.)
Объект: двухэтажный частный дом из керамоблоков Porotherm, площадью 280 м.кв., расположенный в дер. Никольское Солнечногорского района Московской области
Вариант отопления: «Комфортный»
Цена проекта отопления: 37 355 руб. со скидкой 10%, проект котельной - бесплатно.
Проект котельной и отопления выполнен: 09.10.2023
Состав проекта котельной, отопления и теплого пола дома в дер. Никольское:
1. Пояснительная записка проекта, общие данные по системе отопления дома 280 м.кв. в дер. Никольское.
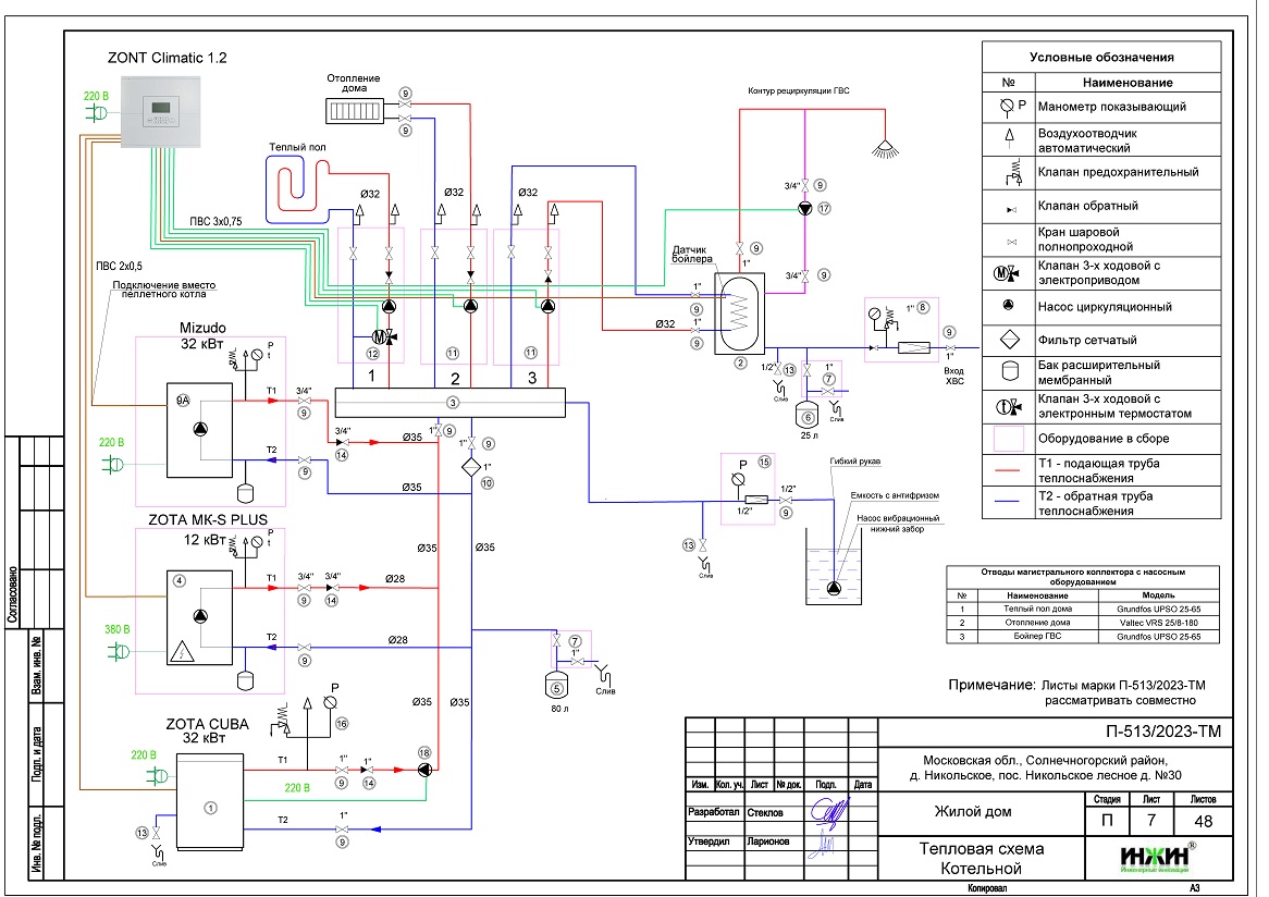
2. Тепломеханическая схема котельной с размещением оборудования в отдельном помещении дома из керамоблоков Porotherm.
3. Комплект поэтажных чертежей радиаторного отопления дома в дер. Никольское.
4. Комплект чертежей теплого пола на площади 74 м.кв.
5. Типовые схемы системы отопления и водоснабжения дома 280 м.кв.
6. Теплотехнический расчет отопления дома из керамоблоков Porotherm.
7. Спецификация материалов и оборудования по котельной и отоплению дома в дер. Никольское.
Объем проекта отопления дома в дер. Никольское: 48 листов.
Описание проекта отопления, котельной, водоснабжения и теплого пола частного дома 280 м.кв. в дер. Никольское.
Котельная частного дома в дер. Никольское(проект котельной бесплатно).
o Размещена в отдельном помещении дома 280 м.кв.;
o Теплогенераторы - основной настенный газовый котел MIZUDO M32ТH, мощностью 32 кВт (перспектива), котел твердотопливный ZOTA Cuba, мощностью 32 кВт, резервный - электрический котел ZOTA MK, мощностью 12 кВт;
o Контуры теплоснабжения котельной – радиаторное отопление дома, теплый пол и горячее водоснабжение, для которого предусмотрен накопительный бойлер STOUT, объемом 300 литров (подключение к коллектору);
o Расширительные баки отопления и бойлера Flamco, объемом 50 и 25 литров;
o Дымоудаление принудительное (газовый котел), естественное (пеллетный котел), дымоход из нержавеющей стали, диаметр 150 мм, размещение - в строительной шахте;
o Распределительный коллектор - в котельной STOUT, с насосными группами и гидравлическим разделителем;
o Автоматика котельной – контроллер ZONT Climatic 1.2 со встроенным GSM-модулем.
Отопление дома в дер. Никольское (проект отопления дома).
o Выполнен теплотехнический расчет отопления дома из керамоблоков Porotherm (утеплитель кровли - ЭППС 200мм) с учетом теплопотерь через ограждающие конструкции при наружной температуре -28°С для Московской области (по СП 131.13330.2012), расчетный расход тепла на отопление дома составил 27,18 кВт, удельные теплопотери 101,3 Вт/м.кв.;
o Подобраны приборы для отопления дома: биметаллические радиаторы Rifar Monolit Ventil с нижним подключением, а также трубчатые дизайн-радиаторы Rifar TUBOG;
o Схема радиаторного отопления дома двухтрубная, коллекторно-лучевая, с принудительной циркуляцией теплоносителя и температурным графиком 80/60°С;
o Трубы отопления из сшитого полиэтилена Valtec;
o Теплоизоляция трубопроводов отопления Valtec, толщиной 6мм;
o Теплоноситель в системе радиаторного отопления дома – подготовленная вода, предусмотрены средства защиты от образования накипи.
Водяной теплый пол дома в дер. Никольское (проект теплого пола).
o Водяной теплый пол в доме предусмотрен на площади 74 м.кв., коллекторы теплого пола Valtec на 6 отводов;
o Трубопроводы теплого пола – сшитый полиэтилен Valtec;
o Регулирование температуры теплого пола - общее, контурами котельной, а также локальное (по помещениям), при помощи электронных термостатов Valtec.
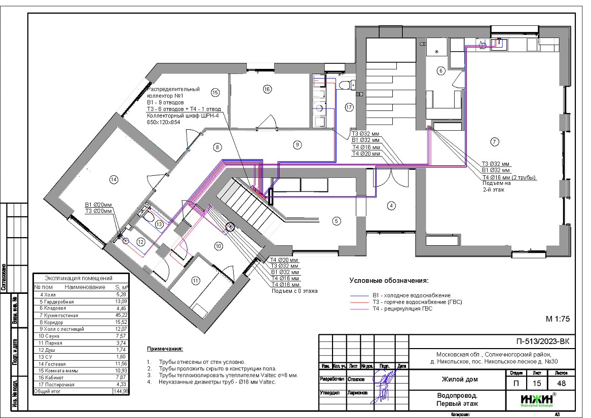
Внутренний водопровод дома в дер. Никольское (проект водоснабжения).
o Схема внутреннего водоснабжения дома – коллекторно-лучевая с рециркуляцией горячей воды через полотенцесушители, выполнен расчет 29-и точек водоснабжения и полотенцесушителей;
o Трубопроводы системы водоснабжения – из сшитого полиэтилена Valtec;
o Теплоизоляция трубопроводов Valtec, толщиной 6мм.






















