Выполненные проекты
Проект отопления деревянного дома 136 м.кв.
Объект: двухэтажный частный дом из бруса, площадью 136 м.кв., расположенный в дер. Глядково Можайского района Московской области
Вариант отопления: «Комфортный»
Цена проекта отопления: 19 638 руб. со скидкой 10%, проект котельной - бесплатно.
Проект котельной и отопления выполнен: 13.02.2024
Состав проекта котельной, отопления и теплого пола дома в дер. Глядково:
1. Пояснительная записка проекта, общие данные по системе отопления дома 136 м.кв. в дер. Глядково.
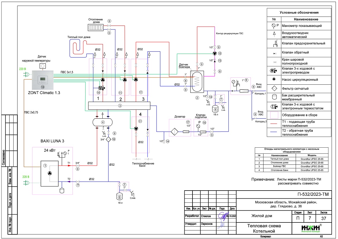
2. Тепломеханическая схема котельной с размещением оборудования в отдельном помещении дома из бруса.
3. Комплект поэтажных чертежей радиаторного отопления дома в дер. Глядково.
4. Комплект чертежей теплого пола на площади 60 м.кв.
5. Типовые схемы системы отопления и водоснабжения дома 136 м.кв.
6. Теплотехнический расчет отопления дома из бруса.
7. Спецификация материалов и оборудования по котельной и отоплению дома в дер. Глядково.
Объем проекта отопления дома в дер. Глядково: 37 листов.
Описание проекта отопления, котельной и теплого пола частного дома 136 м.кв. в дер. Глядково.
Котельная частного дома в дер. Глядково(проект котельной бесплатно).
o Размещена в отдельном помещении дома 136 м.кв.;
o Теплогенератор - настенный газовый котел BAXI Luna, мощностью 24 кВт;
o Контуры теплоснабжения котельной – радиаторное отопление дома, теплоснабжение бани, теплый пол и горячее водоснабжение, для которого предусмотрен накопительный бойлер STOUT, объемом 150 литров (подключение к коллектору);
o Расширительные баки отопления и бойлера Flamco, объемом 18 литров каждый;
o Дымоудаление принудительное, дымоход коаксиальный, диаметр 60/100 мм, размещение - через стену;
o Распределительный коллектор - STOUT с насосными группами;
o Автоматика котельной – контроллер ZONT Climatic 1.3 со встроенным GSM-модулем.
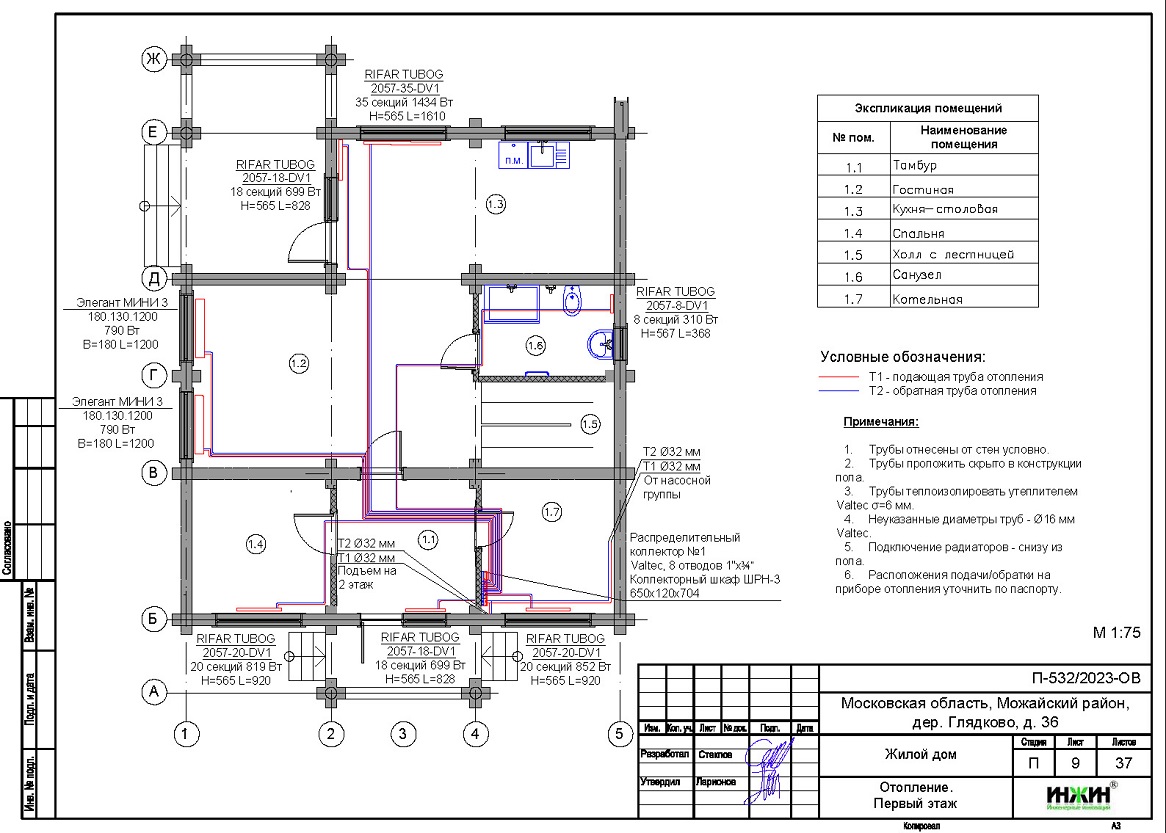
Отопление дома в дер. Глядково (проект отопления дома).
o Выполнен теплотехнический расчет отопления дома из бруса (утеплитель кровли - базальтовая вата 200мм) с учетом теплопотерь через ограждающие конструкции при наружной температуре -28°С для Московской области (по СП 131.13330.2012), расчетный расход тепла на отопление дома составил 14,9 кВт, удельные теплопотери 105,2 Вт/м.кв.;
o Подобраны приборы для отопления дома: стальные панельные радиаторы Kermiс нижним подключением, в вентильном исполнении;
o Схема радиаторного отопления дома двухтрубная, коллекторно-лучевая, с принудительной циркуляцией теплоносителя и температурным графиком 80/60°С;
o Трубы отопления из металлопластика Valtec;
o Теплоизоляция трубопроводов отопления Valtec, толщиной 6мм;
o Теплоноситель в системе радиаторного отопления дома – подготовленная вода, предусмотрены средства защиты от образования накипи.
Водяной теплый пол дома в дер. Глядково (проект теплого пола).
o Водяной теплый пол в доме предусмотрен на площади 60 м.кв., коллектор теплого пола Valtec на 7 отводов;
o Предусмотрен отдельный контур котельной для теплоснабжения водяного теплого пола дома;
o Трубопроводы теплого пола – сшитый полиэтилен Valtec;
o Регулирование температуры теплого пола - общее, регулятором на смесительной группе.
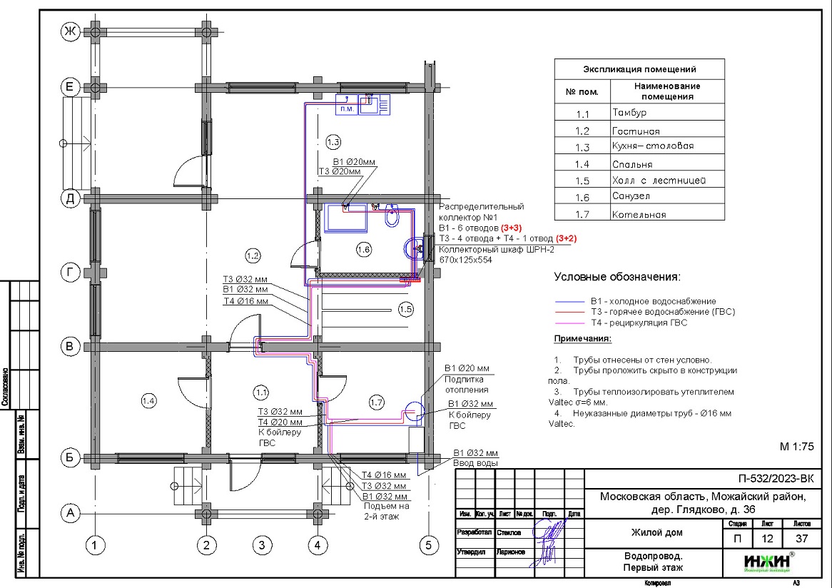
Внутренний водопровод дома в дер. Глядково (проект водоснабжения).
o Схема внутреннего водоснабжения дома – коллекторно-лучевая с рециркуляцией горячей воды через полотенцесушители, выполнен расчет 24-х точек водоснабжения и полотенцесушителей;
o Трубопроводы системы водоснабжения – из металлопластика Valtec;
o Теплоизоляция трубопроводов Valtec, толщиной 6мм.
Заказать в нашей компании проект отопления, водоснабжения и канализации загородного дома дистанционно со скидкой.
Для этого дома в дер. Глядково выполнен проект электрики.



















