Выполненные проекты
Проект отопления дома 145 м.кв. в КП "Речной"
Объект: частный дом из газобетона (с гаражом), общей площадью 145 м.кв., расположенный в КП "Речной" Московской области
Вариант отопления: «Комфортный»
Цена проекта отопления: 21 560 руб. со скидкой 10%, проект котельной - бесплатно.
Проект котельной, отопления выполнен: 17.05.2024
Состав проекта котельной, отопления дома в КП "Речной":
1. Пояснительная записка проекта, общие данные по системам отопления и водоснабжения дома 145 м.кв. в КП "Речной".
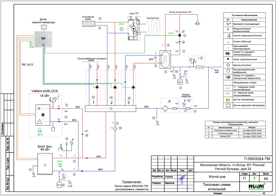
2. Тепломеханическая схема котельной с размещением оборудования в отдельном помещении дома из газобетона.
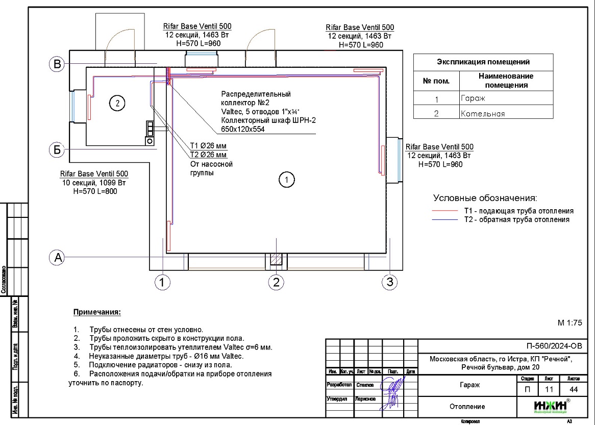
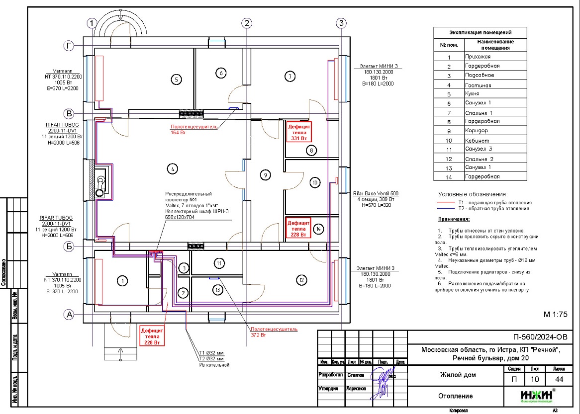
3. Комплект поэтажных чертежей радиаторного отопления дома в КП "Речной".
4. Комплект чертежей теплого пола на площади 74 м.кв.
5. Типовые схемы системы отопления канализации и водоснабжения дома 145м.кв.
6. Теплотехнический расчет отопления дома из газобетона.
7. Спецификация материалов и оборудования по котельной и отоплению дома в КП "Речной".
Объем проекта отопления дома в КП "Речной": 44 листа.
Описание проекта отопления и котельной частного дома 145 м.кв. в КП "Речной".
Котельная частного дома в КП "Речной"(проект котельной бесплатно).
o Размещена в отдельном помещении дома 145м.кв.;
o Теплогенераторы - основной напольный газовый котел BAXI Slim, мощностью 49 кВт (в наличии), резервный - электрический Vaillant eloBLOCK, 18 кВт (в наличии);
o Контуры теплоснабжения котельной – радиаторное отопление дома, теплый пол дома (на контуре отопления), теплоснабжение гостевого дома и гаража и горячее водоснабжение, для которого предусмотрен накопительный бойлер STOUT, объемом 200 литров;
o Расширительные баки отопления и бойлера Flamco, объемом 35 и 18 литров, соответственно;
o Дымоудаление естественное (для основного котла), дымоход из нержавеющей стали.
o Распределительный коллектор - STOUT с насосными группами;
o Автоматика котельной – контроллер ZONT Climatic 1.2 со встроенным GSM-модулем.
Отопление дома в КП "Речной" (проект отопления дома).
o Выполнен теплотехнический расчет отопления дома гаража (утеплитель кровли дома и гаража - минвата 200мм) с учетом теплопотерь через ограждающие конструкции при наружной температуре -26°С для Московской области (по СП 131.13330.2020), расчетный расход тепла на отопление дома составил 16,24 кВт, удельные теплопотери 112,7 Вт/м.кв., на отопление гаража - 7,1 кВт, удельные теплопотери 144,0 Вт/м.кв.;
o Подобраны приборы для отопления дома: биметаллические радиаторы Rifar TUBOG с нижним подключением, а также встроенные в пол конвекторы Varmann;
o Схема радиаторного отопления основного и гостевого дома двухтрубная, коллекторно-лучевая, с принудительной циркуляцией теплоносителя и температурным графиком 80/60°С;
o Трубы отопления из сшитого полиэтилена Valtec;
o Теплоизоляция трубопроводов отопления Valtec, толщиной 6мм;
o Теплоноситель в системе радиаторного отопления дома – подготовленная вода.
Водяной теплый пол дома в КП "Речной" (проект теплого пола).
o Водяной теплый пол в доме предусмотрен на площади 74 м.кв., коллекторы теплого пола Valtec на 7 и 8 отводов, всего 15 петель;
o Предусмотрен насосно-смесительный узел для теплоснабжения водяного теплого пола дома (на коллекторе котельной);
o Трубопроводы теплого пола из сшитого полиэтилена Valtec;
o Регулирование температуры теплого пола - общее, регулятором на смесительной группе.
Внутренний водопровод дома в КП "Речной" (проект водоснабжения).
o Схема внутреннего водоснабжения дома – коллекторно-лучевая с рециркуляцией горячей воды через водяные полотенцесушители, выполнен расчет 27-ми точек водоснабжения и полотенцесушителей;
o Трубопроводы системы водоснабжения – из сшитого полиэтилена Valtec;
o Теплоизоляция трубопроводов Valtec, толщиной 6мм.



















