Выполненные проекты
Отопление дома в 215 м.кв. в Нефтекамске, проект
Объект: частный дом из газобетона, общей площадью 215 м.кв., расположенный в г. Нефтекамск, Республика Башкортостан
Вариант отопления: «Комфортный»
Цена проекта отопления: 19 157 руб. со скидкой 10%, проект котельной - бесплатно.
Проект котельной, отопления выполнен: 21.11.2024
Состав проекта котельной, отопления дома в г. Нефтекамск (Республика Башкортостан):
1. Пояснительная записка проекта, общие данные по системам отопления и водоснабжения дома 215 м.кв. в г. Нефтекамск (Республика Башкортостан).
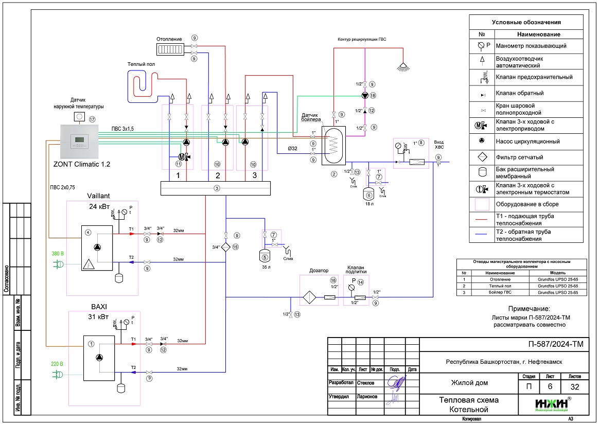
2. Тепломеханическая схема котельной с размещением оборудования в отдельном помещении дома из газобетона.
3. Комплект поэтажных чертежей радиаторного отопления дома в г. Нефтекамск (Республика Башкортостан).
4. Типовые схемы системы отопления канализации и водоснабжения дома 215м.кв.
5. Теплотехнический расчет отопления дома из газобетона.
6. Спецификация материалов и оборудования по котельной и отоплению дома в г. Нефтекамск (Республика Башкортостан).
Объем проекта отопления дома в гг. Нефтекамск (Республика Башкортостан): 32 листа.
Описание проекта отопления и котельной частного дома 215 м.кв. в г. Нефтекамск (Республика Башкортостан).
Котельная частного дома в г. Нефтекамск (Республика Башкортостан)(проект котельной бесплатно).
o Размещена в отдельном помещении дома 215м.кв.;
o Теплогенераторы - основной настенный газовый котел Baxi LUNA-3 Comfort, мощностью 24 кВт, резервный - электрический Vaillant, 24 кВт;
o Контуры теплоснабжения котельной – радиаторное отопление дома, теплый пол дома и горячее водоснабжение, для которого предусмотрен накопительный бойлер STOUT, объемом 200 литров;
o Расширительные баки отопления и бойлера Flamco, объемом 35 и 25 литров, соответственно;
o Дымоудаление принудительное (для основного котла), дымоход раздельный, размещен в строительной шахте, диаметр 80/80 мм;
o Распределительный коллектор - STOUT с насосными группами и гидравлическим разделителем;
o Автоматика котельной – контроллер ZONT Climatic 1.2 со встроенным GSM-модулем.
Отопление дома в г. Нефтекамск (Республика Башкортостан) (проект отопления дома).
o Выполнен теплотехнический расчет отопления дома (утеплитель кровли дома - опилки 300мм) с учетом теплопотерь через ограждающие конструкции при наружной температуре -33°С для Нефтекамска (по СП 131.13330.2012), расчетный расход тепла на отопление дома составил 21,62 кВт, удельные теплопотери 94,7 Вт/м.кв.;
o Подобраны приборы для отопления дома: стальные панельные радиаторы Kermi с нижним подключением,а также встроенные в пол конвекторы Varmann с вентиляторами;
o Схема радиаторного отопления основного и гостевого дома двухтрубная, коллекторно-лучевая, с принудительной циркуляцией теплоносителя и температурным графиком 80/60°С;
o Трубы отопления из сшитого полиэтилена Valtec;
o Теплоизоляция трубопроводов отопления Valtec, толщиной 6мм;
o Теплоноситель в системе радиаторного отопления дома – подготовленная вода, предусмотрены средства защиты от образования накипи.



















