Выполненные проекты
Проект отопления дома в ДНП «Северное» (337 м.кв.)
Объект: двухэтажный дом из газобетона, площадью 337 м.кв., расположенный в ДНП «Северное» Истринского района Московской области
Вариант отопления: «Комфортный»
Цена проекта отопления, канализации и водоснабжения: 72 902 руб. со скидкой 10%, проект котельной - бесплатно.
Проект котельной, отопления, водоснабжения и канализации выполнен: 18.11.2024
Состав проекта котельной, отопления, канализации и водоснабжения дома в ДНП «Северное»:
1. Пояснительная записка проекта, общие данные по системам отопления, канализации и водоснабжения дома 337 м.кв. в ДНП «Северное».
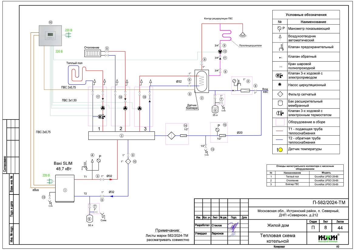
2. Тепломеханическая схема котельной с размещением оборудования в отдельном помещении дома из газобетона.
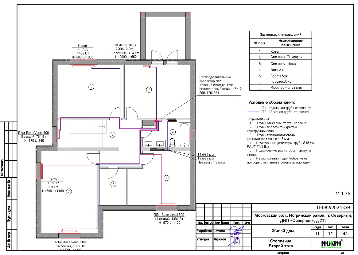
3. Комплект поэтажных чертежей радиаторного отопления дома в ДНП «Северное».
4. Комплект чертежей теплого пола на площади 90 м.кв.
5. Комплект чертежей водоснабжения и канализации частного дома из газобетона в ДНП «Северное».
6. Типовые схемы системы отопления канализации и водоснабжения дома 337м.кв.
7. Теплотехнический расчет отопления дома из газобетона.
8. Спецификация материалов и оборудования по котельной, отоплению, канализации и водоснабжению дома в ДНП «Северное».
Объем проекта отопления, канализации и водоснабжения дома в ДНП «Северное»: 44 листа.
Описание проекта отопления, котельной, канализации и водоснабжения частного дома 337 м.кв. в ДНП «Северное».
Котельная частного дома в ДНП «Северное»(проект котельной бесплатно).
o Размещена в отдельном помещении дома 337м.кв.;
o Теплогенератор - напольный газовый котел BAXI Slim, мощностью 48 кВт;
o Контуры теплоснабжения котельной – радиаторное отопление дома, теплый пол и горячее водоснабжение, для которого предусмотрен накопительный бойлер STOUT, объемом 300 литров;
o Расширительные баки отопления и бойлера Flamco, объемом 50 и 25 литров, соответственно;
o Дымоудаление естественное, дымоход из нержавеющей стали, в строительной шахте;
o Распределительный коллектор - STOUT с насосными группами и встроенной гидрострелкой;
o Автоматика котельной – контроллер ZONT Climatic 1.2 со встроенным GSM-модулем.
Отопление дома в ДНП «Северное» (проект отопления дома).
o Выполнен теплотехнический расчет отопления дома из газобетона (утеплитель кровли - минвата 250мм) с учетом теплопотерь через ограждающие конструкции при наружной температуре -26°С для Московской области (по СП 131.13330.2020), расчетный расход тепла на отопление дома составил 23,7 кВт, удельные теплопотери 69 Вт/м.кв.;
o Подобраны приборы для отопления дома: стальные панельные радиаторы Kermi с нижним подключением и секционные биметаллические радиаторы RIFAR BASE с нижним подключением;
o Схема радиаторного отопления дома двухтрубная, коллекторно-лучевая, с принудительной циркуляцией теплоносителя и температурным графиком 80/60°С;
o Трубы отопления из сшитого полиэтилена Valtec;
o Теплоизоляция трубопроводов отопления Valtec, толщиной 6мм;
o Теплоноситель в системе радиаторного отопления дома – подготовленная вода, предусмотрены средства защиты от образования накипи.
Водяной теплый пол дома в ДНП «Северное»(проект теплого пола).
o Водяной теплый пол в доме предусмотрен на площади 90 м.кв., коллектор теплого пола Valtec на 9 отводов, всего 9 петель;
o Предусмотрен насосно-смесительный узел для теплоснабжения водяного теплого пола дома - в составе насосной группы котельной;
o Трубопроводы теплого пола – сшитый полиэтилен Valtec;
o Регулирование температуры теплого пола - общее, регулятором на смесительной группе.
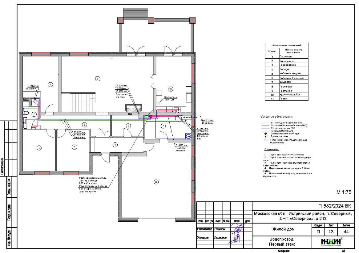
Внутренний водопровод дома в ДНП «Северное»(проект водоснабжения).
o Схема внутреннего водоснабжения дома – коллекторно-лучевая с рециркуляцией горячей воды через водяные полотенцесушители, выполнен расчет 22-х точек водоснабжения и полотенцесушителей;
o Трубопроводы системы водоснабжения – из сшитого полиэтилена Valtec;
o Теплоизоляция трубопроводов Valtec, толщиной 6мм.
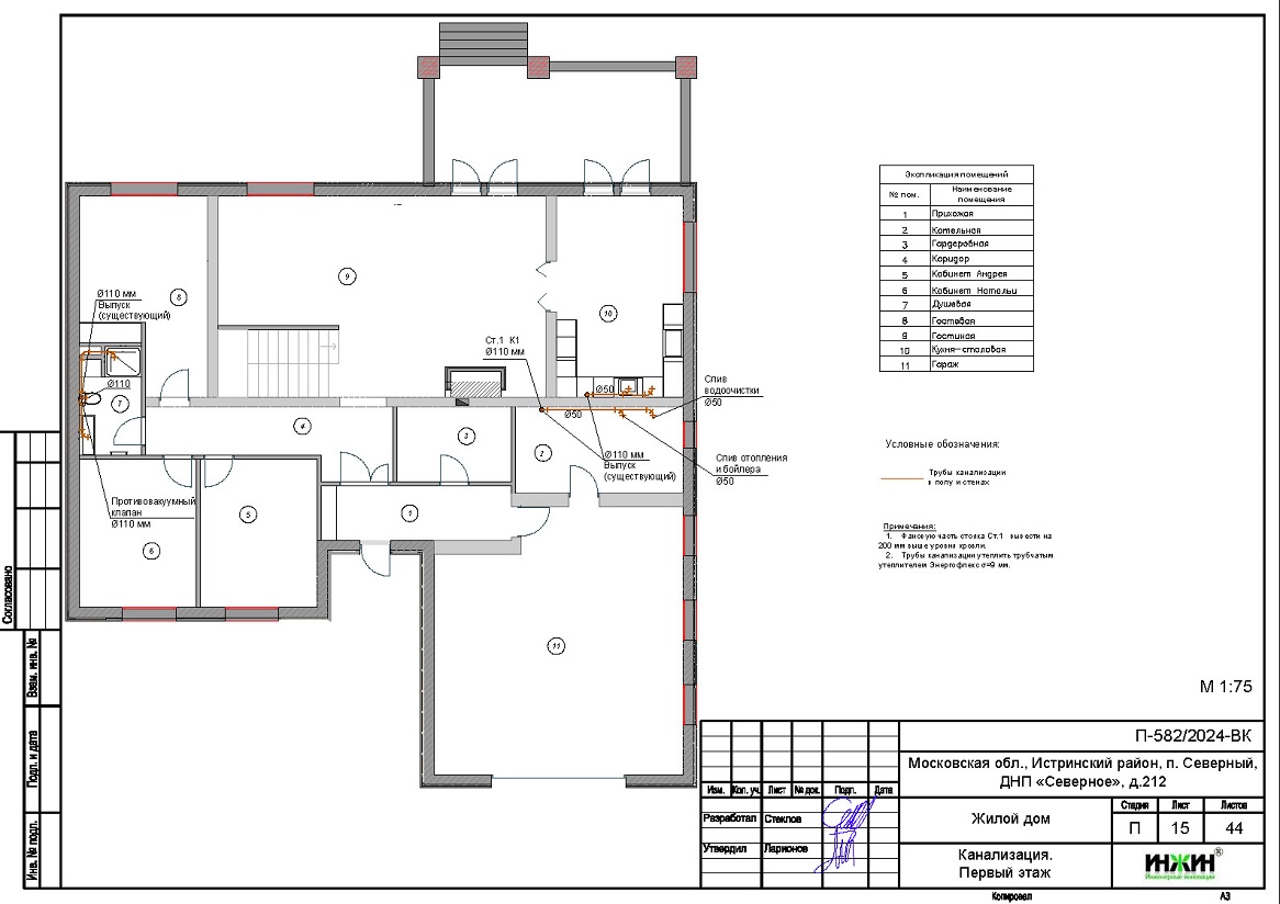
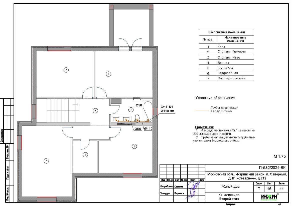
Внутренняя канализация (проект канализации) дома в ДНП «Северное».
o Безнапорная, отвод стоков от санитарно-технических приборов предусмотрен в септик;
o Произведен расчет 12-ти точек бытовой канализации;
o Канализационные трубы Синикон, раструбные, из полипропилена.
Для этого дома в ДНП «Северное»выполнен проект электрики.






















