Выполненные проекты
Отопление дома площадью 155 м.кв., проект
Объект: двухэтажный дом из газобетона, площадью 155 м.кв., расположенный в с. Тишково Пушкинского района Московской области
Вариант отопления: «Комфортный»
Цена проекта отопления, канализации и водоснабжения: 34 798 руб. со скидкой 10%, проект котельной - бесплатно.
Проект котельной, отопления, водоснабжения и канализации выполнен: 15.10.2024
Состав проекта котельной, отопления, канализации и водоснабжения дома в Тишково:
1. Пояснительная записка проекта, общие данные по системам отопления, канализации и водоснабжения дома 155 м.кв. в Тишково.
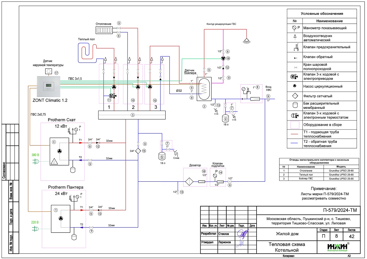
2. Тепломеханическая схема котельной с размещением оборудования в отдельном помещении дома из газобетона.
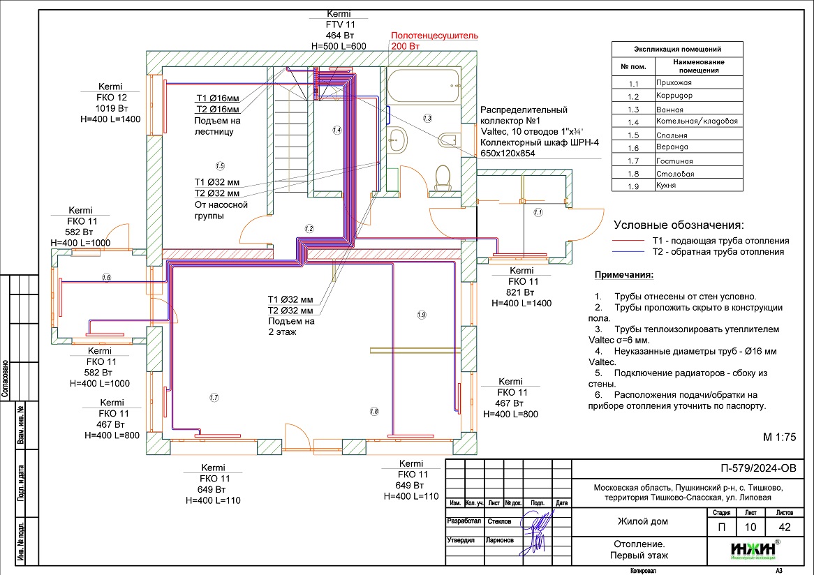
3. Комплект поэтажных чертежей радиаторного отопления дома в Тишково.
4. Комплект чертежей теплого пола на площади 59 м.кв.
5. Комплект чертежей водоснабжения и канализации частного дома из газобетона в Тишково.
6. Типовые схемы системы отопления канализации и водоснабжения дома 155м.кв.
7. Теплотехнический расчет отопления дома из газобетона.
8. Спецификация материалов и оборудования по котельной, отоплению, канализации и водоснабжению дома в Тишково.
Объем проекта отопления, канализации и водоснабжения дома в Тишково: 43 листа.
Описание проекта отопления, котельной, канализации и водоснабжения частного дома 155 м.кв. в Тишково.
Котельная частного дома в Тишково(проект котельной бесплатно).
o Размещена в отдельном помещении дома 155м.кв.;
o Теплогенераторы - настенный газовый котел Protherm Пантера, мощностью 25 кВт (основной), настенный электрический котел Protherm Скат, мощностью 12 кВт (резервный);
o Контуры теплоснабжения котельной – радиаторное отопление дома, теплый пол и горячее водоснабжение, для которого предусмотрен накопительный бойлер STOUT, объемом 150 литров;
o Расширительные баки отопления и бойлера Flamco, объемом 18 литров каждый;
o Дымоудаление естественное, дымоход раздельный, в строительной шахте;
o Распределительный коллектор - STOUT с насосными группами и встроенной гидрострелкой;
o Автоматика котельной – контроллер ZONT Climatic 1.2 со встроенным GSM-модулем.
Отопление дома в Тишково (проект отопления дома).
o Выполнен теплотехнический расчет отопления дома из газобетона (утеплитель кровли - минвата 200мм) с учетом теплопотерь через ограждающие конструкции при наружной температуре -26°С для Московской области (по СП 131.13330.2020), расчетный расход тепла на отопление дома составил 13,17 кВт, удельные теплопотери 84,7 Вт/м.кв.;
o Подобраны приборы для отопления дома: стальные панельные радиаторы Kermi с боковым подключением;
o Схема радиаторного отопления дома двухтрубная, коллекторно-лучевая, с принудительной циркуляцией теплоносителя и температурным графиком 80/60°С;
o Трубы отопления из металлопластика Valtec;
o Теплоизоляция трубопроводов отопления Valtec, толщиной 6мм;
o Теплоноситель в системе радиаторного отопления дома – подготовленная вода, предусмотрены средства защиты от образования накипи.
Водяной теплый пол дома в Тишково(проект теплого пола).
o Водяной теплый пол в доме предусмотрен на площади 59 м.кв., коллектор теплого пола Valtec на 10 отводов, всего 10 петель;
o Предусмотрен насосно-смесительный узел для теплоснабжения водяного теплого пола дома - в составе насосной группы котельной;
o Трубопроводы теплого пола – сшитый полиэтилен Valtec;
o Регулирование температуры теплого пола - общее, регулятором на смесительной группе.
Внутренний водопровод дома в Тишково(проект водоснабжения).
o Схема внутреннего водоснабжения дома – коллекторно-лучевая с рециркуляцией горячей воды через водяные полотенцесушители, выполнен расчет 22-х точек водоснабжения и полотенцесушителей;
o Трубопроводы системы водоснабжения – из металлопластика Valtec;
o Теплоизоляция трубопроводов Valtec, толщиной 6мм.
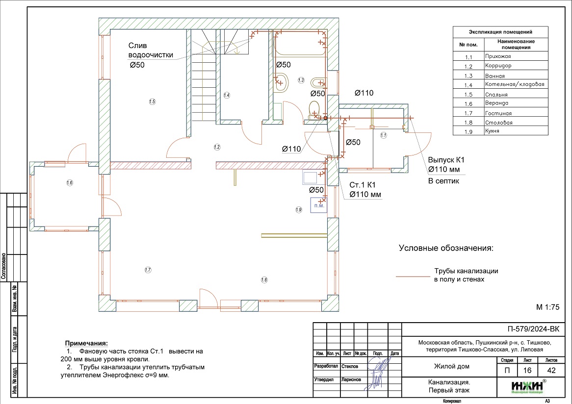
Внутренняя канализация (проект канализации) дома в Тишково.
o Безнапорная, отвод стоков от санитарно-технических приборов предусмотрен в септик;
o Произведен расчет 12-ти точек бытовой канализации;
o Канализационные трубы Синикон, раструбные, из полипропилена.
Для этого дома в Тишкововыполнен проект электрики.






















