Выполненные проекты
Проект отопления дома во Владимирской области
Объект: частный дом из газобетона, общей площадью 120 м.кв., расположенный в КП “Новый Мир” Александровского района Владимирской области
Вариант отопления: «Комфортный+»
Цена проекта отопления и водоснабжения: 25 012 руб. со скидкой 10%, проект котельной - бесплатно.
Проект котельной, отопления и водоснабжения выполнен: 05.11.2024
Состав проекта котельной, отопления и водоснабжения дома в КП “Новый Мир” Владимирской области:
1. Пояснительная записка проекта, общие данные по системам отопления и водоснабжения дома 120 м.кв. в КП “Новый Мир” Владимирской области.
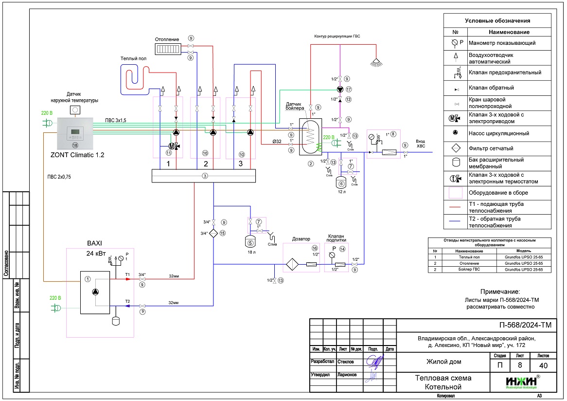
2. Тепломеханическая схема котельной с размещением оборудования в отдельном помещении дома из газобетона.
3. Комплект поэтажных чертежей радиаторного отопления дома в КП “Новый Мир” Владимирской области.
4. Комплект чертежей теплого пола на площади 20 м.кв.
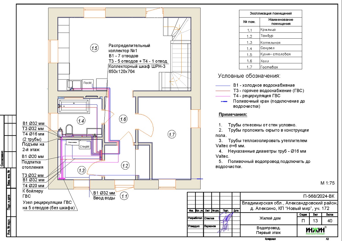
5. Комплект чертежей водоснабжения и канализации частного дома из газобетона в КП “Новый Мир” Владимирской области.
6. Типовые схемы системы отопления канализации и водоснабжения дома 120 м.кв.
7. Теплотехнический расчет отопления дома из газобетона.
8. Спецификация материалов и оборудования по котельной, отоплению, канализации и водоснабжению дома в КП “Новый Мир” Владимирской области
Объем проекта отопления и водоснабжения дома в КП “Новый Мир” Владимирской области: 40 листов.
Описание проекта отопления, котельной и водоснабжения частного дома 120 м.кв. в КП “Новый Мир” Владимирской области.
Котельная частного дома в КП “Новый Мир” Владимирской области(проект котельной бесплатно).
o Размещена в отдельном помещении первого этажа дома 120 м.кв.;
o Теплогенератор - настенный газовый котел BAXI ECO 4S, мощностью 24 кВт;
o Контуры теплоснабжения котельной – радиаторное отопление дома, теплый пол дома и горячее водоснабжение, для которого предусмотрен накопительный бойлер STOUT, объемом 100 литров;
o Расширительные баки отопления и бойлера Flamco, объемом 18 и 12 литров, соответственно;
o Дымоудаление принудительное, дымоход коаксиальный, в исполнении "через стену";
o Распределительный коллектор - STOUT с насосными группами и гидравлическим разделителем;
o Автоматика котельной – контроллер ZONT Climatic 1.2 со встроенным GSM-модулем.
Отопление дома в КП “Новый Мир” Владимирской области (проект отопления дома).
o Выполнен теплотехнический расчет отопления дома (утеплитель кровли дома - базальтовая вата 200мм) с учетом теплопотерь через ограждающие конструкции при наружной температуре -27°С для Владимирской области (по СП 131.13330.2020), расчетный расход тепла на отопление дома составил 9,66 кВт, удельные теплопотери 80,2 Вт/м.кв.;
o Подобраны приборы для отопления дома: секционные биметаллические радиаторы RIFAR BASE с нижним подключением;
o Схема радиаторного отопления основного и гостевого дома двухтрубная, коллекторно-лучевая, с принудительной циркуляцией теплоносителя и температурным графиком 80/60°С;
o Трубы отопления из сшитого полиэтилена Valtec;
o Теплоизоляция трубопроводов отопления Valtec, толщиной 6мм;
o Теплоноситель в системе радиаторного отопления дома – вода.
Водяной теплый пол дома в КП “Новый Мир” Владимирской области (проект теплого пола).
o Водяной теплый пол в доме предусмотрен на площади 20 м.кв., коллектор теплого пола Valtec на 4 отвода, всего 4 петли;
o Предусмотрен насосно-смесительный узел для теплоснабжения водяного теплого пола дома в составе насосной группы;
o Трубопроводы теплого пола из сшитого полиэтилена Valtec;
o Регулирование температуры теплого пола - общее, регулятором на смесительной группе, а также зональное, при помощи электронных комнатных хронотермостатов с Wi-Fi (Valtec).
Внутренний водопровод дома в КП “Новый Мир” Владимирской области (проект водоснабжения).
o Схема внутреннего водоснабжения дома – коллекторно-лучевая с рециркуляцией горячей воды через водяные полотенцесушители, выполнен расчет 22-х точек водоснабжения и полотенцесушителей;
o Трубопроводы системы водоснабжения – из сшитого полиэтилена Valtec;
o Теплоизоляция трубопроводов Valtec, толщиной 6мм.
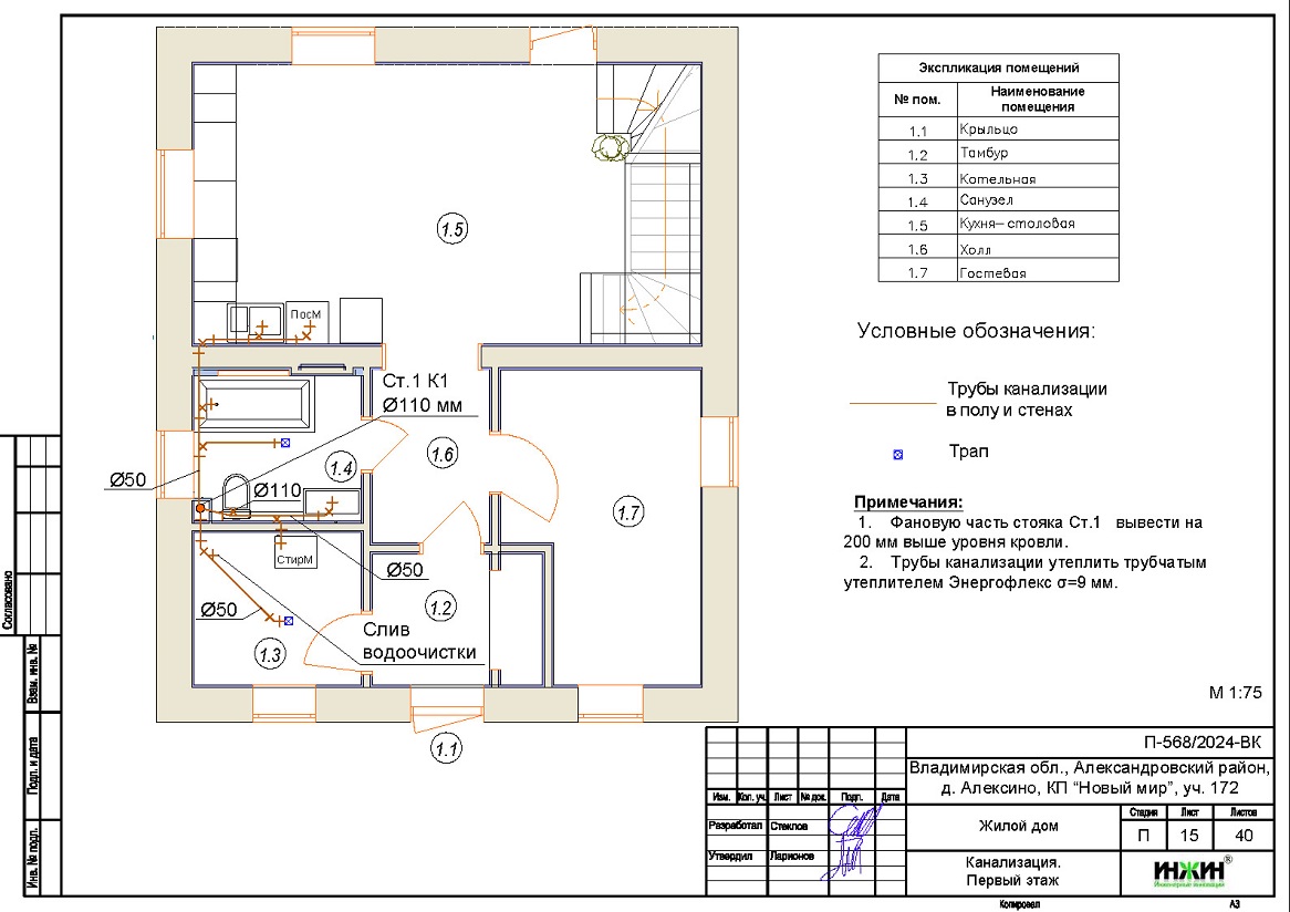
Внутренняя канализация (проект канализации) дома в КП “Новый Мир” Владимирской области.
o Безнапорная, отвод стоков от санитарно-технических приборов предусмотрен в септик;
o Произведен расчет 13-ти точек бытовой канализации, предусмотрено 3 трапа с горизонтальным отводом и "сухим затвором";
o Канализационные трубы Ostendorf Skolan Safe, раструбные, из полипропилена (с повышенной шумоизоляцией).
Заказать в нашей компании проект отопления, водоснабжения и канализации загородного дома дистанционно со скидкой.
Для этого дома в КП “Новый Мир” Владимирской областивыполнен проект электрики.






















