Выполненные проекты
Отопление брусового дома 165 м.кв. в Клинском районе, проект
Объект: двухэтажный частный дом из бруса, площадью 165 м.кв., расположенный в дер. Степаньково Клинского района Московской области
Вариант отопления: «Комфортный»
Цена проекта отопления: 18 720 руб. со скидкой 10%, проект котельной - бесплатно.
Проект котельной и отопления выполнен: 05.03.2025
Состав проекта котельной, отопления и теплого пола дома в дер. Степаньково Клинского района:
1. Пояснительная записка проекта, общие данные по системе отопления дома 165 м.кв. в дер. Степаньково Клинского района.
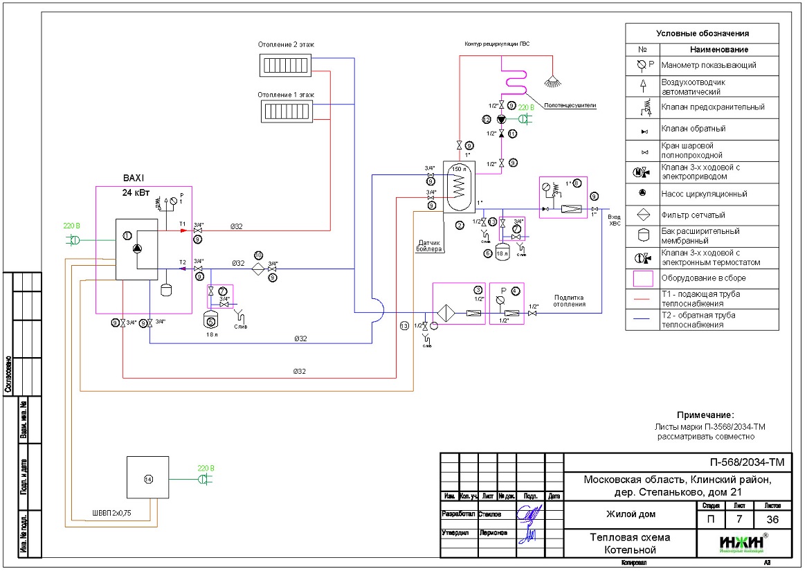
2. Тепломеханическая схема котельной с размещением оборудования в отдельном помещении дома из бруса.
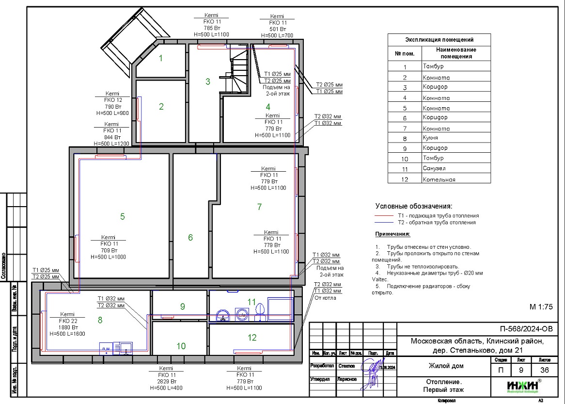
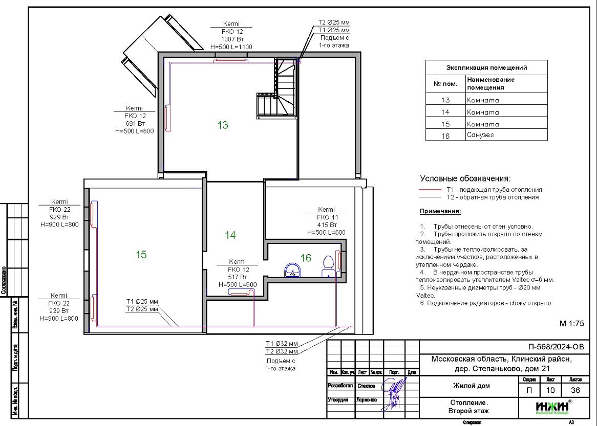
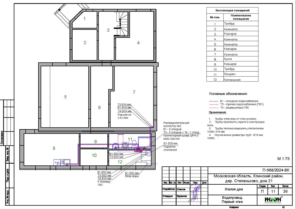
3. Комплект поэтажных чертежей радиаторного отопления дома в дер. Степаньково Клинского района.
4. Типовые схемы системы отопления и водоснабжения дома 165 м.кв.
5. Теплотехнический расчет отопления дома из бруса.
6. Спецификация материалов и оборудования по котельной и отоплению дома в дер. Степаньково Клинского района.
Объем проекта отопления дома в дер. Степаньково Клинского района: 36 листов.
Описание проекта отопления, котельной частного дома 165 м.кв. в дер. Степаньково Клинского района.
Котельная частного дома в дер. Степаньково Клинского района(проект котельной бесплатно).
o Размещена в отдельном помещении дома 165 м.кв.;
o Теплогенератор - настенный газовый котел BAXI ECO LIFE, мощностью 24 кВт;
o Контуры теплоснабжения котельной – радиаторное отопление дома и горячее водоснабжение, для которого предусмотрен накопительный бойлер Royal Thermo AQUATEC INOX, объемом 150 литров (подключение к котлу);
o Расширительные баки отопления и бойлера Flamco, объемом 18 и 12 литров;
o Дымоудаление принудительное, дымоход коаксиальный, диаметр 60/100 мм, размещение - через стену;
o Распределительный коллектор не предусмотрен;
o Автоматика котельной – контроллер ZONT CONNECT+со встроенным GSM-модулем.
Отопление дома в дер. Степаньково Клинского района (проект отопления дома).
o Выполнен теплотехнический расчет отопления дома из бревна (утеплитель кровли - минвата 200мм) с учетом теплопотерь через ограждающие конструкции при наружной температуре -26°С для Московской области (по СП 131.13330.2020), расчетный расход тепла на отопление дома составил 13,36 кВт, удельные теплопотери 81,3 Вт/м.кв.;
o Подобраны приборы для отопления дома: стальные панельные радиаторы Kermiс боковым подключением;
o Схема радиаторного отопления дома двухтрубная, с принудительной циркуляцией теплоносителя и температурным графиком 80/60°С;
o Трубы отопления из полипропилена Valtec;
o Теплоизоляция трубопроводов отопления не предусмотрена;
o Теплоноситель в системе радиаторного отопления дома – подготовленная вода.
Водяной теплый пол в доме не предусмотрен.
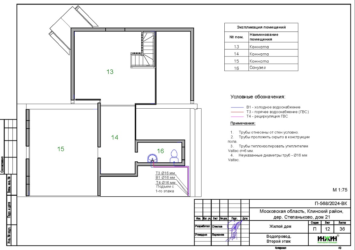
Внутренний водопровод дома в дер. Степаньково Клинского района (проект водоснабжения).
o Схема внутреннего водоснабжения дома – коллекторно-лучевая с рециркуляцией горячей воды через полотенцесушители, выполнен расчет 14-ти точек водоснабжения и полотенцесушителей;
o Трубопроводы системы водоснабжения – из металлопластика Valtec;
o Теплоизоляция трубопроводов Valtec, толщиной 6мм.



















