Выполненные проекты
Отопление дома в Киржачском районе Владимирской области
Объект: двухэтажный дом из бетона, площадью 120 м.кв., расположенный в д. Дворищи, Киржачского района Владимирской области
Вариант отопления: «Комфортный +»
Цена проекта отопления: 15 012 руб. со скидкой 10%, проект котельной - бесплатно.
Проект котельной, отопления выполнен: 29.10.2024
Состав проекта котельной и отопления дома в дер. Дворищи Владимирской области:
1. Пояснительная записка проекта, общие данные по системам отопления, канализации и водоснабжения дома 120 м.кв. в дер. Дворищи Владимирской области.
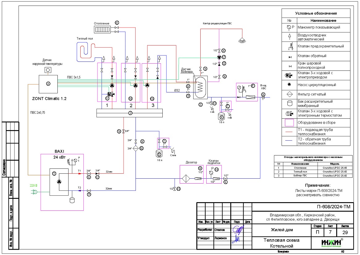
2. Тепломеханическая схема котельной с размещением оборудования в отдельном помещении дома из бетона.
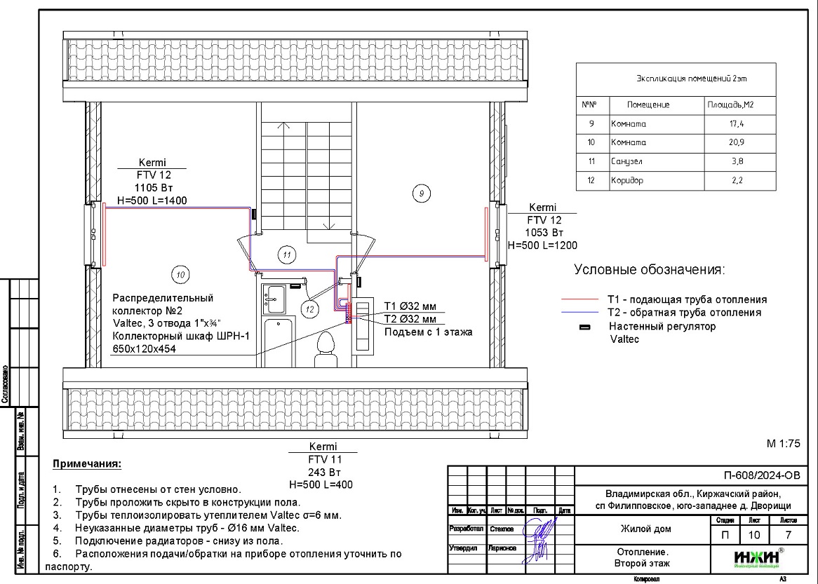
3. Комплект поэтажных чертежей радиаторного отопления дома в дер. Дворищи Владимирской области.
4. Комплект чертежей теплого пола на площади 60 м.кв.
5. Теплотехнический расчет отопления дома из бетона.
6. Спецификация материалов и оборудования по котельной, отоплению дома в дер. Дворищи Владимирской области.
Объем проекта отопления дома в дер. Дворищи Владимирской области: 29 листов.
Описание проекта отопления, котельной частного дома 120 м.кв. в дер. Дворищи Владимирской области.
Котельная частного дома в Тюмени (проект котельной бесплатно).
o Размещена в отдельном помещении дома 120 м.кв.;
o Теплогенератор - настенный газовый котел BAXI DUO-TEC Compact, мощностью 24 кВт;
o Контуры теплоснабжения котельной – радиаторное отопление дома, теплый пол и горячее водоснабжение, для которого предусмотрен накопительный бойлер STOUT, объемом 100 литров;
o Расширительные баки отопления и бойлера Flamco, объемом 18 и 12 литров;
o Дымоудаление принудительное, дымоход коаксиальный, в исполнении "через стену";
o Распределительный коллектор - STOUT с насосными группами;
o Автоматика котельной – контроллер ZONT Climatic 1.2 со встроенным GSM-модулем.
Отопление дома в дер. Дворищи Владимирской области (проект отопления дома).
o Выполнен теплотехнический расчет отопления дома из газобетона (утеплитель стен и кровли - минвата 130 и 200мм, соответственно) с учетом теплопотерь через ограждающие конструкции при наружной температуре -27°С для Владимира (по СП 131.13330.2012), расчетный расход тепла на отопление дома составил 7,42 кВт, удельные теплопотери 71,6 Вт/м.кв.;
o Подобраны приборы для отопления дома: секционные радиаторы Kermiс нижним подключением, в вентильном исполнении;
o Схема радиаторного отопления дома двухтрубная, коллекторно-лучевая, с принудительной циркуляцией теплоносителя и температурным графиком 80/60°С;
o Трубы отопления из сшитого полиэтилена Valtec;
o Теплоизоляция трубопроводов отопления Valtec, толщиной 6мм;
o Теплоноситель в системе радиаторного отопления дома – подготовленная вода, предусмотрены средства защиты от образования накипи.
Водяной теплый пол дома в дер. Дворищи Владимирской области (проект теплого пола).
o Водяной теплый пол в доме предусмотрен на площади 60 м.кв., коллектор теплого пола Valtec на 6 отводов;
o Предусмотрен насосно-смесительный узел для теплоснабжения водяного теплого пола дома - в составе насосной группы;
o Трубопроводы теплого пола – сшитый полиэтилен Valtec;
o Регулирование температуры теплого пола - общее, регулятором на смесительной группе и локальное - помещениям при помощи комнатных Wi-Fi термостатов Valtec.



















