Выполненные проекты
Отопление дома из газобетона в КП «Андрейково Лайф», проект
Объект: двухэтажный дом из газобетона, площадью площадью 123 м.кв., расположенный в КП «Андрейково Лайф», Дмитровского района Московской области
Вариант отопления: «Комфортный+»
Цена проекта отопления, канализации и водоснабжения: 28 923 руб. со скидкой 10%, проект котельной - бесплатно.
Проект котельной, отопления, водоснабжения и канализации выполнен: 13.03.2025
Состав проекта котельной, отопления, канализации и водоснабжения дома в КП «Андрейково Лайф»:
1. Пояснительная записка проекта, общие данные по системам отопления, канализации и водоснабжения дома 123 м.кв. в КП «Андрейково Лайф».
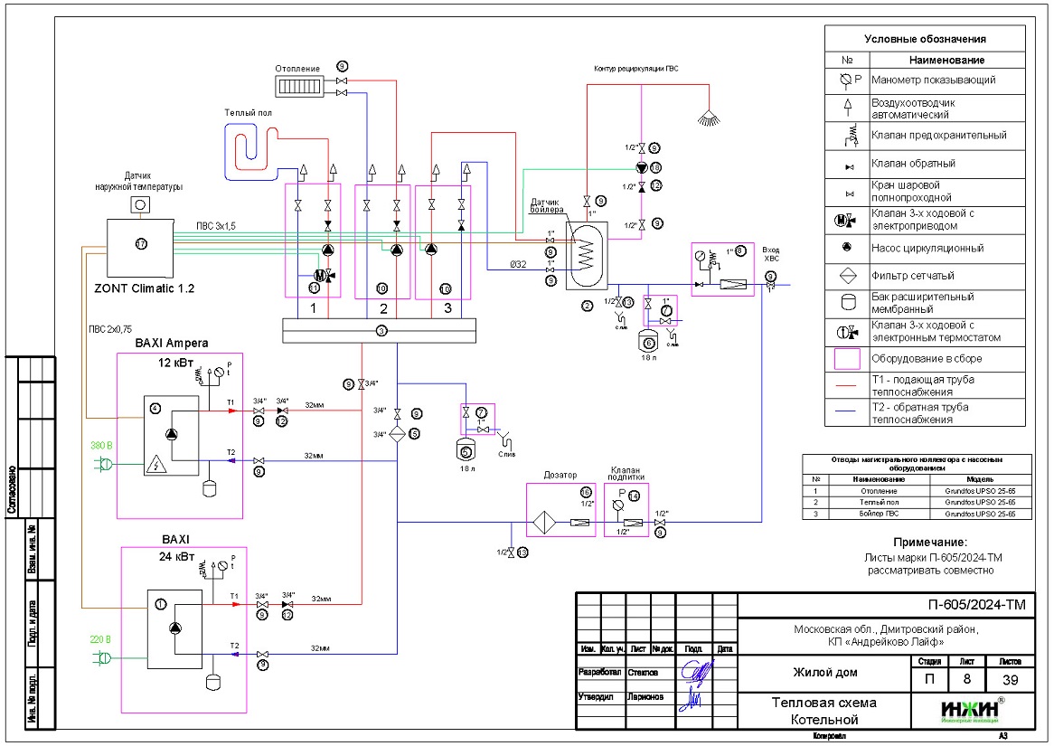
2. Тепломеханическая схема котельной с размещением оборудования в отдельном помещении дома из газобетона.
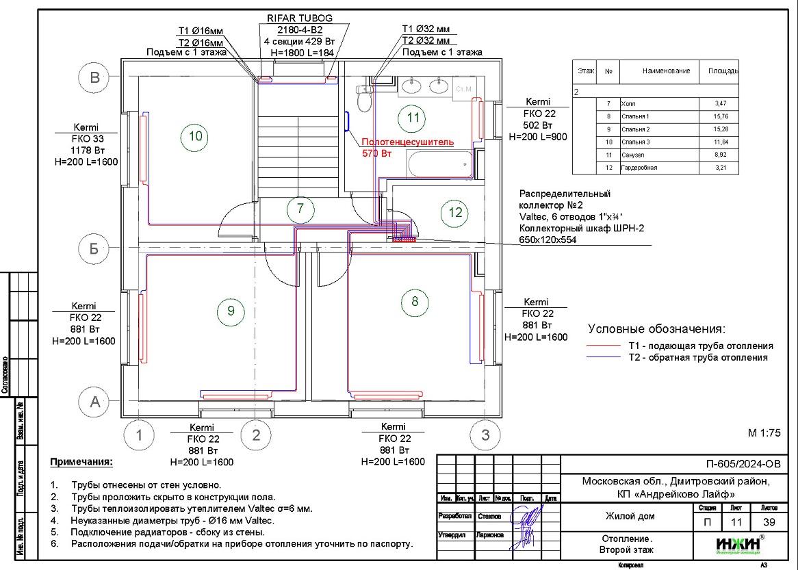
3. Комплект поэтажных чертежей радиаторного отопления дома в КП «Андрейково Лайф».
4. Комплект чертежей теплого пола на площади 65 м.кв.
5. Комплект чертежей водоснабжения и канализации частного дома из газобетона в КП «Андрейково Лайф».
6. Типовые схемы системы отопления канализации и водоснабжения дома 123 м.кв.
7. Теплотехнический расчет отопления дома из газобетона.
8. Спецификация материалов и оборудования по котельной, отоплению, канализации и водоснабжению дома в КП «Андрейково Лайф».
Объем проекта отопления, канализации и водоснабжения дома в КП «Андрейково Лайф»: 39 листов.
Описание проекта отопления, котельной, канализации и водоснабжения частного дома 123 м.кв. в КП «Андрейково Лайф».
Котельная частного дома в КП «Андрейково Лайф»(проект котельной бесплатно).
o Размещена в отдельном помещении дома 123м.кв.;
o Теплогенераторы - настенный газовый котел Baxi ECO-4S, мощностью 24 кВт (основной), настенный электрический котел BAXI AMPERA Plus, мощностью 12 кВт (резервный);
o Контуры теплоснабжения котельной – радиаторное отопление дома, теплый пол и горячее водоснабжение, для которого предусмотрен накопительный бойлер STOUT, объемом 200 литров;
o Расширительные баки отопления и бойлера Flamco, объемом 18 литров каждый;
o Дымоудаление принудительное, дымоход коаксиальный, через стену здания;
o Распределительный коллектор - STOUT с насосными группами и встроенной гидрострелкой;
o Автоматика котельной – контроллер ZONT Climatic 1.2 со встроенным GSM-модулем.
Отопление дома в КП «Андрейково Лайф» (проект отопления дома).
o Выполнен теплотехнический расчет отопления дома из газобетона (утеплитель стен и кровли - минвата 50мм и 200мм, соответственно) с учетом теплопотерь через ограждающие конструкции при наружной температуре -26°С для Московской области (по СП 131.13330.2020), расчетный расход тепла на отопление дома составил 12,26 кВт, удельные теплопотери 95 Вт/м.кв.;
o Подобраны приборы для отопления дома: секционные биметаллические радиаторы RIFAR BASE с боковым подключением;
o Схема радиаторного отопления дома двухтрубная, коллекторно-лучевая, с принудительной циркуляцией теплоносителя и температурным графиком 80/60°С;
o Трубы отопления из сшитого полиэтилена Valtec;
o Теплоизоляция трубопроводов отопления Valtec, толщиной 6мм;
o Теплоноситель в системе радиаторного отопления дома – подготовленная вода, предусмотрены средства защиты от образования накипи.
Водяной теплый пол дома в КП «Андрейково Лайф»(проект теплого пола).
o Водяной теплый пол в доме предусмотрен на площади 65 м.кв., коллектор теплого пола Valtec на 7 отводов, всего 7 петель;
o Предусмотрен насосно-смесительный узел для теплоснабжения водяного теплого пола дома - в составе насосной группы;
o Трубопроводы теплого пола – сшитый полиэтилен Valtec;
o Регулирование температуры теплого пола - общее, регулятором на смесительной группе и локальное - помещениям при помощи комнатных Wi-Fi термостатов Valtec.
Внутренний водопровод дома в КП «Андрейково Лайф»(проект водоснабжения).
o Схема внутреннего водоснабжения дома – коллекторно-лучевая с рециркуляцией горячей воды через водяные полотенцесушители, выполнен расчет 17-ти точек водоснабжения и полотенцесушителей;
o Трубопроводы системы водоснабжения – из сшитого полиэтилена Valtec;
o Теплоизоляция трубопроводов Valtec, толщиной 6мм.
Внутренняя канализация (проект канализации) дома в КП «Андрейково Лайф».
o Безнапорная, отвод стоков от санитарно-технических приборов предусмотрен в септик;
o Произведен расчет 12-ти точек бытовой канализации;
o Канализационные трубы Синикон, раструбные, из полипропилена.
Для этого дома в КП «Андрейково Лайф»выполнен проект электрики.






















