Выполненные проекты
Отопление дома площадью 301 м.кв. в дер. Митькино, проект
Объект: двухэтажный дом из газобетона, площадью 301 м.кв., расположенный в д. Митькино Одинцовского района Московской области
Вариант отопления: «Комфортный»
Цена проекта отопления, канализации и водоснабжения: 108 688 руб. со скидкой 10%, проект котельной - бесплатно.
Проект котельной, отопления, водоснабжения и канализации выполнен: 06.05.2025
Состав проекта котельной, отопления, канализации и водоснабжения дома в Митькино:
1. Пояснительная записка проекта, общие данные по системам отопления, канализации и водоснабжения дома 301 м.кв. в Митькино.
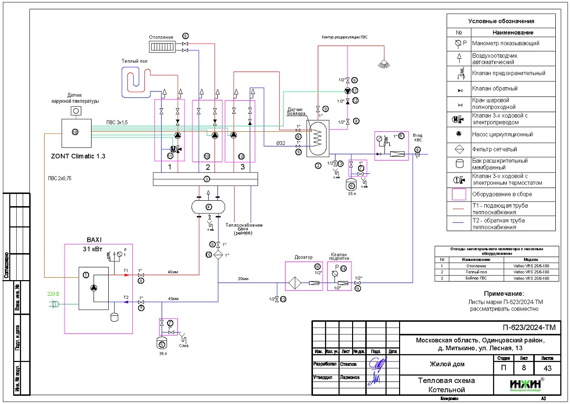
2. Тепломеханическая схема котельной с размещением оборудования в отдельном помещении дома из газобетона.
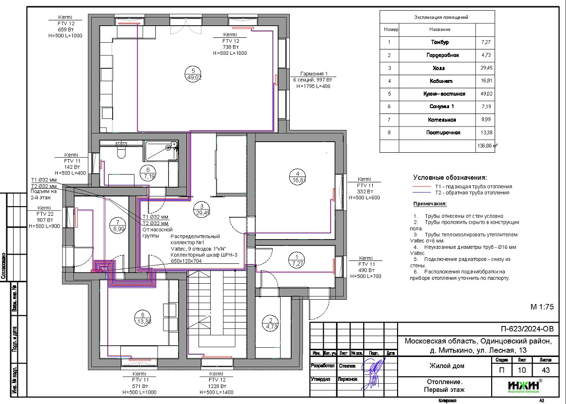
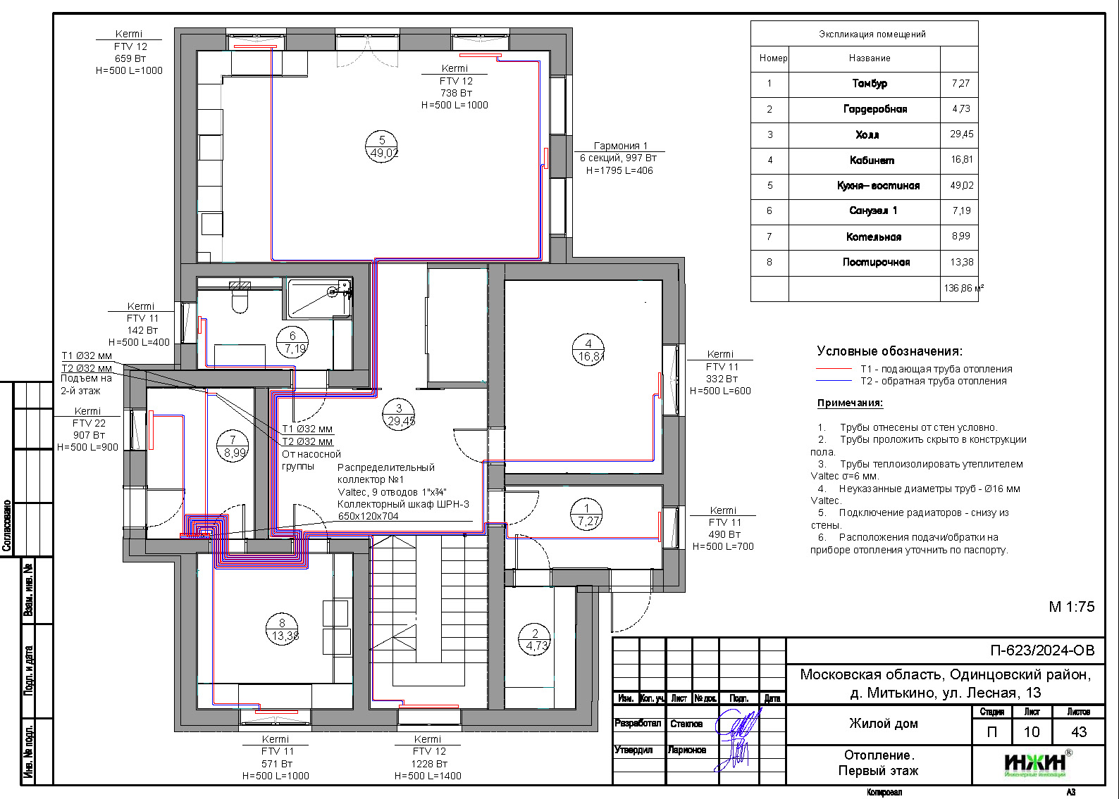
3. Комплект поэтажных чертежей радиаторного отопления дома в Митькино.
4. Комплект чертежей теплого пола на площади 140 м.кв.
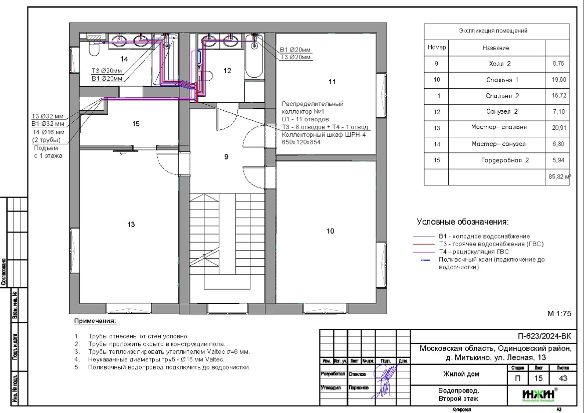
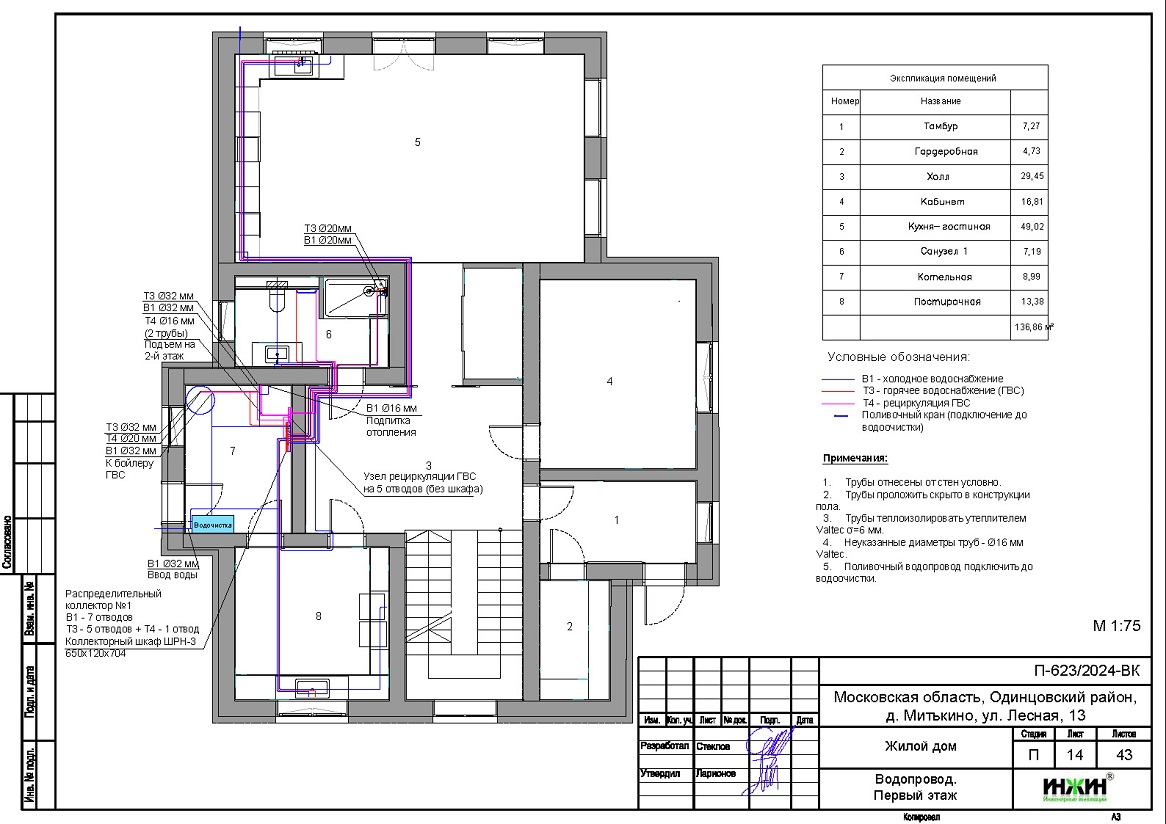
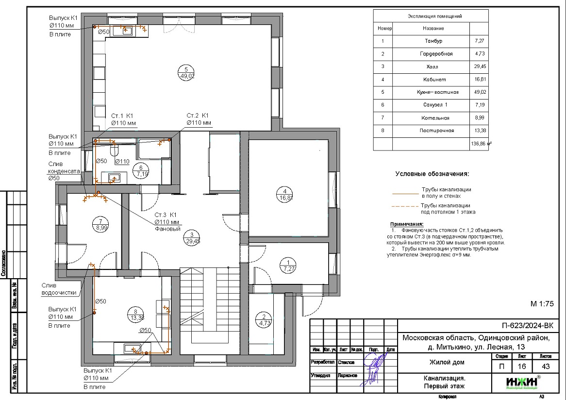
5. Комплект чертежей водоснабжения и канализации частного дома из газобетона в Митькино.
6. Типовые схемы системы отопления канализации и водоснабжения дома 301м.кв.
7. Теплотехнический расчет отопления дома из газобетона.
8. Спецификация материалов и оборудования по котельной, отоплению, канализации и водоснабжению дома в Митькино.
Объем проекта отопления, канализации и водоснабжения дома в Митькино: 43 листа.
Описание проекта отопления, котельной, канализации и водоснабжения частного дома 301 м.кв. в Митькино.
Котельная частного дома в Митькино(проект котельной бесплатно).
o Размещена в отдельном помещении дома 301м.кв.;
o Теплогенератор - настенный газовый котел BAXI LUNA 3, мощностью 31 кВт;
o Контуры теплоснабжения котельной – радиаторное отопление дома, теплый пол, отопление бани (резерв) и горячее водоснабжение, для которого предусмотрен накопительный бойлер STOUT, объемом 300 литров;
o Расширительные баки отопления и бойлера Flamco, объемом 35 литров каждый;
o Дымоудаление естественное, дымоход раздельный, в строительной шахте;
o Распределительный коллектор - STOUT с насосными группами и гидрострелкой;
o Автоматика котельной – контроллер ZONT Climatic 1.3 со встроенным GSM-модулем.
Отопление дома в Митькино (проект отопления дома).
o Выполнен теплотехнический расчет отопления дома из газобетона (утеплитель кровли - минвата 200мм) с учетом теплопотерь через ограждающие конструкции при наружной температуре -26°С для Московской области (по СП 131.13330.2020), расчетный расход тепла на отопление дома составил 20,59 кВт, удельные теплопотери 86,7 Вт/м.кв.;
o Подобраны приборы для отопления дома: стальные панельные радиаторы Kermi с нижним подключением;
o Схема радиаторного отопления дома двухтрубная, коллекторно-лучевая, с принудительной циркуляцией теплоносителя и температурным графиком 80/60°С;
o Трубы отопления из сшитого полиэтилена Valtec;
o Теплоизоляция трубопроводов отопления Valtec, толщиной 6мм;
o Теплоноситель в системе радиаторного отопления дома – подготовленная вода, предусмотрены средства защиты от образования накипи.
Водяной теплый пол дома в Митькино(проект теплого пола).
o Водяной теплый пол в доме предусмотрен на площади 140 м.кв., коллекторы теплого пола Valtec на 3 и 10 отводов, всего 13 петель;
o Предусмотрен насосно-смесительный узел для теплоснабжения водяного теплого пола дома - в составе насосной группы котельной;
o Трубопроводы теплого пола – сшитый полиэтилен Valtec;
o Регулирование температуры теплого пола - общее, регулятором на смесительной группе.
Внутренний водопровод дома в Митькино(проект водоснабжения).
o Схема внутреннего водоснабжения дома – коллекторно-лучевая с рециркуляцией горячей воды через водяные полотенцесушители, выполнен расчет 33-х точек водоснабжения и полотенцесушителей;
o Трубопроводы системы водоснабжения – из сшитого полиэтилена Valtec;
o Теплоизоляция трубопроводов Valtec, толщиной 6мм.
Внутренняя канализация (проект канализации) дома в Митькино.
o Безнапорная, отвод стоков от санитарно-технических приборов предусмотрен в септик;
o Произведен расчет 18-ти точек бытовой канализации;
o Канализационные трубы Синикон, раструбные, из полипропилена.
Заказать в нашей компании проект отопления, водоснабжения и канализации загородного дома дистанционно со скидкой.
Для этого дома в дер. Митькино выполнен проект электрики.






















