Выполненные проекты
Проект отопления дома дер. Ибрагимово (Башкортостан)
Объект: частный дом из газобетона, общей площадью 69 м.кв., расположенный в дер. Ибрагимово, Чишминского района, Республика Башкортостан
Вариант отопления: «Комфортный»
Цена проекта отопления: 12 0832 руб. со скидкой 10%, проект котельной - бесплатно.
Проект котельной, отопления выполнен: 16.12.2024
Состав проекта котельной, отопления дома в дер. Ибрагимово (Республика Башкортостан):
1. Пояснительная записка проекта, общие данные по системам отопления и водоснабжения дома 69 м.кв. в дер. Ибрагимово (Республика Башкортостан).
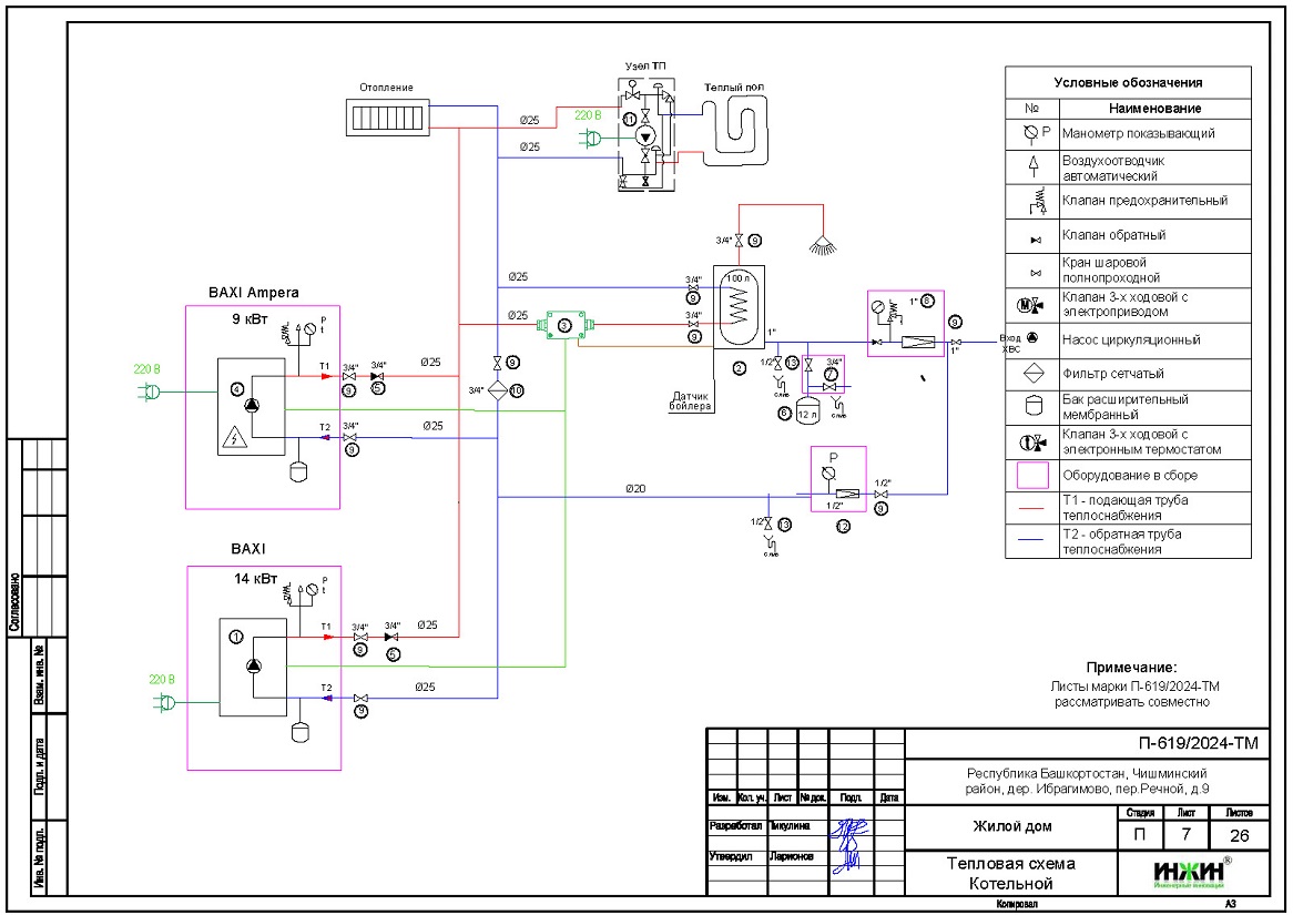
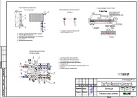
2. Тепломеханическая схема котельной с размещением оборудования в отдельном помещении дома из газобетона.
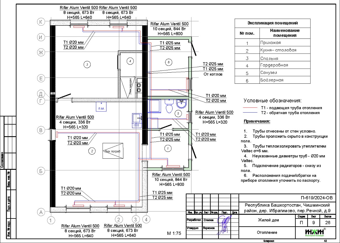
3. Комплект поэтажных чертежей радиаторного отопления дома в дер. Ибрагимово (Республика Башкортостан).
4. Комплект чертежей теплого пола на площади 35 м.кв.
5. Типовые схемы системы отопления и водоснабжения дома 69м.кв.
6. Теплотехнический расчет отопления дома из газобетона.
7. Спецификация материалов и оборудования по котельной и отоплению дома в дер. Ибрагимово (Республика Башкортостан).
Объем проекта отопления дома в дер. Ибрагимово (Республика Башкортостан): 26 листов.
Описание проекта отопления и котельной частного дома 69 м.кв. в дер. Ибрагимово (Республика Башкортостан).
Котельная частного дома в дер. Ибрагимово (Республика Башкортостан)(проект котельной бесплатно).
o Размещена в отдельном помещении дома 69м.кв.;
o Теплогенераторы - основной настенный газовый котел BAXI ECO Four, мощностью 14 кВт, резервный - электрический котел Baxi Ampera, мощностью 9 кВт;
o Контуры теплоснабжения котельной – радиаторное отопление дома, теплый пол дома (на контуре отопления) и горячее водоснабжение, для которого предусмотрен накопительный бойлер STOUT, объемом 100 литров;
o Расширительный бак бойлера Flamco, объемом 12 литров, отопления - встроены в котлы;
o Дымоудаление естественное (для основного котла), дымоход из нержавеющей стали, подключение к существующему дымоходу в строительной шахте, диаметр 110 мм;
o Распределительный коллектор не предусмотрен;
o Автоматика котельной – встроена в котлы.
Отопление дома в дер. Ибрагимово (Республика Башкортостан) (проект отопления дома).
o Выполнен теплотехнический расчет отопления дома (утеплитель кровли дома - каменная вата 200мм) с учетом теплопотерь через ограждающие конструкции при наружной температуре -33°С для Уфы (по СП 131.13330.2012), расчетный расход тепла на отопление дома составил 8,47 кВт, удельные теплопотери 121,9 Вт/м.кв.;
o Подобраны приборы для отопления дома: секционные алюминиевые радиаторы RIFAR ALUM с нижним подключением;
o Схема радиаторного отопления дома двухтрубная с принудительной циркуляцией теплоносителя и температурным графиком 80/60°С;
o Трубы отопления из полипропилена Valtec;
o Теплоизоляция трубопроводов отопления не предусмотрена (открытая прокладка);
o Теплоноситель в системе радиаторного отопления дома – подготовленная вода, предусмотрены средства защиты от образования накипи.
Водяной теплый пол дома в дер. Ибрагимово (Республика Башкортостан) (проект теплого пола).
o Водяной теплый пол в доме предусмотрен на площади 35 м.кв., коллектор теплого пола Valtec на 5 отводов, всего 5 петель;
o Предусмотрен насосно-смесительный узел для теплоснабжения водяного теплого пола дома (на контуре отопления);
o Трубопроводы теплого пола из сшитого полиэтилена Valtec;
o Регулирование температуры теплого пола - общее, регулятором на смесительной группе.
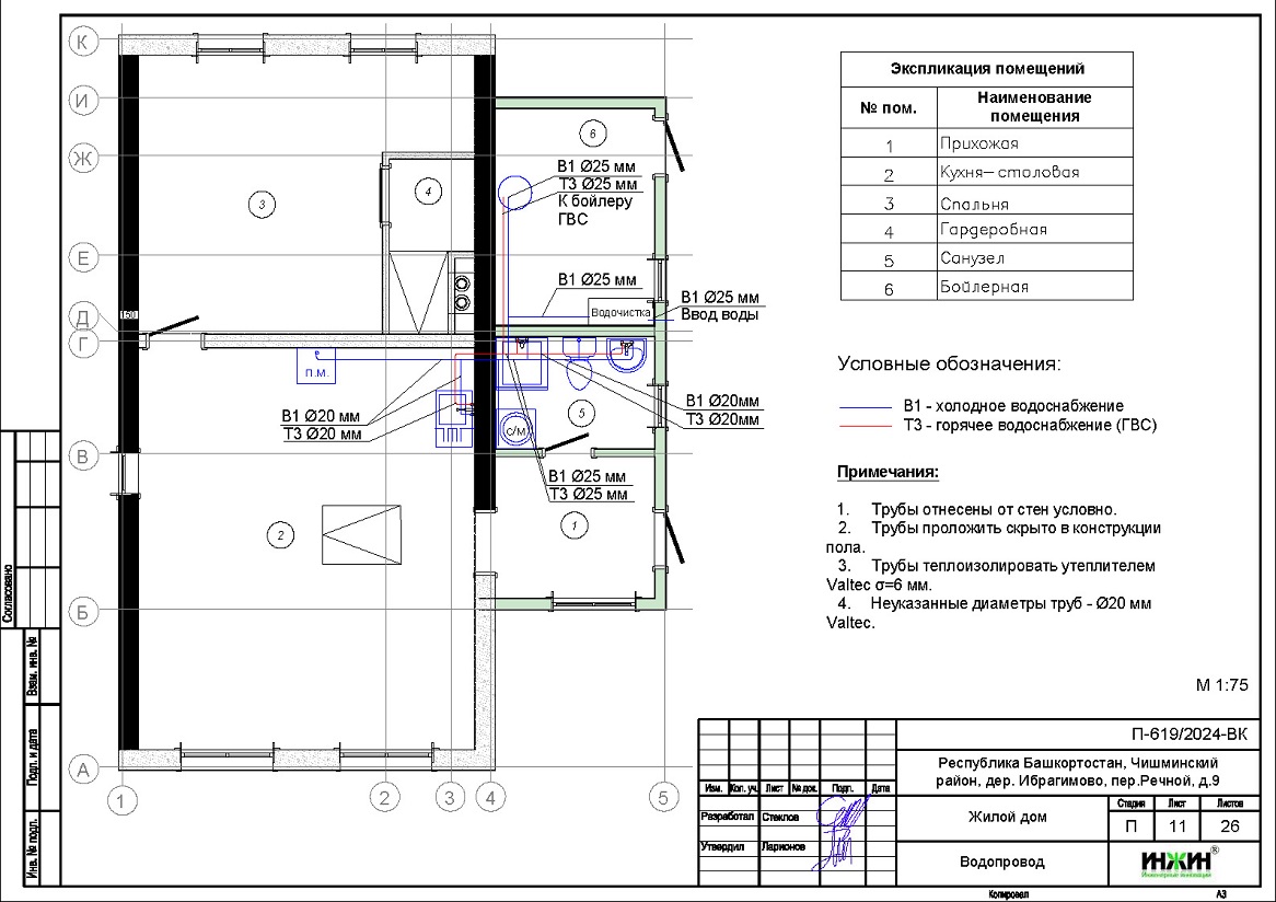
Внутренний водопровод дома в дер. Ибрагимово (Республика Башкортостан)(проект водоснабжения).
o Схема внутреннего водоснабжения дома – тройниковая, без рециркуляции горячей воды, выполнен расчет 9-и точек водоснабжения;
o Трубопроводы системы водоснабжения – из полипропилена Valtec;
o Теплоизоляция трубопроводов Valtec, толщиной 6мм.
Заказать в нашей компании проект отопления, водоснабжения и канализации загородного дома дистанционно со скидкой.
Для этого дома в Башкортостане выполнен проект электрики.



















