Выполненные проекты
Отопление дома в Новороссийске (173 м.кв.), проект
Объект: двухэтажный дом из газобетона, площадью 173 м.кв., расположенный в г. Новороссийск Краснодарского края
Вариант отопления: «Комфортный»
Цена проекта отопления, канализации и водоснабжения: 40 578 руб. со скидкой 10%, проект котельной - бесплатно.
Проект котельной, отопления, водоснабжения и канализации выполнен: 20.03.2025
Состав проекта котельной, отопления, канализации и водоснабжения дома в Новороссийске:
1. Пояснительная записка проекта, общие данные по системам отопления, канализации и водоснабжения дома 173 м.кв. в Новороссийске.
2. Тепломеханическая схема котельной с размещением оборудования в отдельном помещении дома из газобетона.
3. Комплект поэтажных чертежей радиаторного отопления дома в Новороссийске.
4. Комплект чертежей теплого пола на площади 90 м.кв.
5. Комплект чертежей водоснабжения и канализации частного дома из газобетона в Новороссийске.
6. Типовые схемы системы отопления канализации и водоснабжения дома 173м.кв.
7. Теплотехнический расчет отопления дома из газобетона.
8. Спецификация материалов и оборудования по котельной, отоплению, канализации и водоснабжению дома в Новороссийске.
Объем проекта отопления, канализации и водоснабжения дома в Новороссийске: 41 листа.
Описание проекта отопления, котельной, канализации и водоснабжения частного дома 173 м.кв. в Новороссийске.
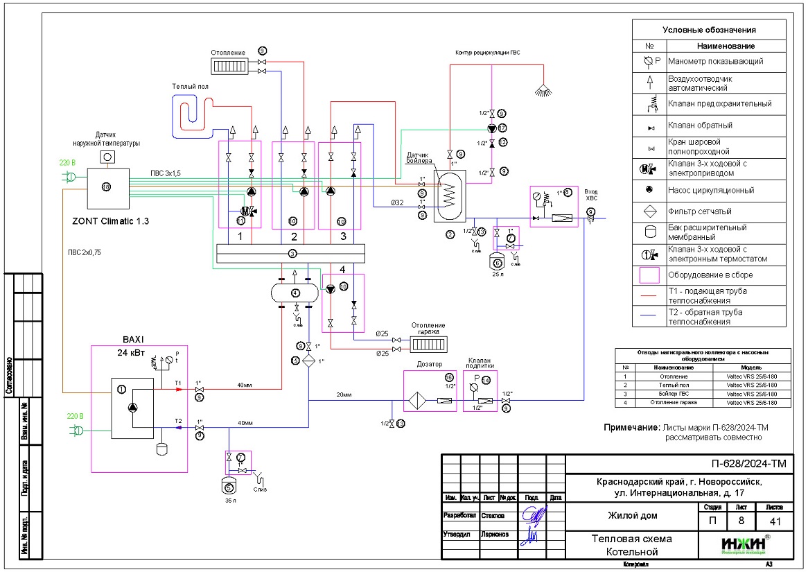
Котельная частного дома в Новороссийске(проект котельной бесплатно).
o Размещена в отдельном помещении дома 173м.кв.;
o Теплогенератор - настенный газовый котел BAXI ECO-4S, мощностью 24 кВт;
o Контуры теплоснабжения котельной – радиаторное отопление дома, отопление гаража, теплый пол и горячее водоснабжение, для которого предусмотрен накопительный бойлер STOUT, объемом 300 литров;
o Расширительные баки отопления и бойлера Flamco, объемом 35 и 25 литров, соответственно;
o Дымоудаление естественное, дымоход раздельный, в строительной шахте;
o Распределительный коллектор - STOUT с насосными группами и отдельной гидрострелкой;
o Автоматика котельной – контроллер ZONT Climatic 1.3 со встроенным GSM-модулем.
Отопление дома в Новороссийске (проект отопления дома).
o Выполнен теплотехнический расчет отопления дома из газобетона (утеплитель стен и кровли - минвата 100 и 150мм, соответственно) с учетом теплопотерь через ограждающие конструкции при наружной температуре -15°С для Краснодарского края (по СП 131.13330.2020), расчетный расход тепла на отопление дома составил 10,16 кВт, удельные теплопотери 61,4 Вт/м.кв.;
o Подобраны приборы для отопления дома: секционные биметаллические радиаторы Rifar с нижним подключением;
o Схема радиаторного отопления дома двухтрубная, коллекторно-лучевая, с принудительной циркуляцией теплоносителя и температурным графиком 80/60°С;
o Трубы отопления из сшитого полиэтилена Valtec;
o Теплоизоляция трубопроводов отопления Valtec, толщиной 6мм;
o Теплоноситель в системе радиаторного отопления дома – подготовленная вода, предусмотрены средства защиты от образования накипи.
Водяной теплый пол дома в Новороссийске(проект теплого пола).
o Водяной теплый пол в доме предусмотрен на площади 90 м.кв., коллектор теплого пола Valtec на 8 отводов, всего 8 петель;
o Предусмотрено два насосно-смесительных узла для теплоснабжения водяного теплого пола дома - в составе насосных групп котельной;
o Трубопроводы теплого пола – сшитый полиэтилен Valtec;
o Регулирование температуры теплого пола - общее, регулятором на смесительных группах.
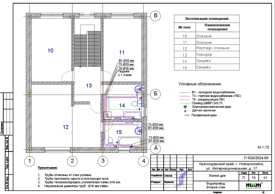
Внутренний водопровод дома в Новороссийске(проект водоснабжения).
o Схема внутреннего водоснабжения дома – коллекторно-лучевая с рециркуляцией горячей воды через водяные полотенцесушители, выполнен расчет 32-х точек водоснабжения и полотенцесушителей;
o Трубопроводы системы водоснабжения – из сшитого полиэтилена Valtec;
o Теплоизоляция трубопроводов Valtec, толщиной 6мм.
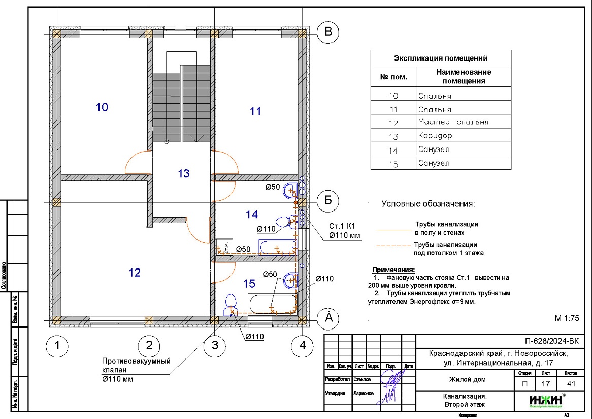
Внутренняя канализация (проект канализации) дома в Новороссийске.
o Безнапорная, отвод стоков от санитарно-технических приборов предусмотрен в поселковую сеть;
o Произведен расчет 13-ти точек бытовой канализации;
o Канализационные трубы Синикон, раструбные, из полипропилена.






















