Выполненные проекты
Отопление таунхауса в КП "Кембридж", проект
Объект: трехэтажный таунхаус из газобетона, площадью 100 м.кв., расположенный в КП "Кембридж", г.о. Истра Московской области
Вариант отопления: «Комфортный»
Цена проекта отопления, канализации и водоснабжения: 21 150 руб. со скидкой 10%, проект котельной - бесплатно.
Проект котельной, отопления, водоснабжения и канализации выполнен: 11.02.2025
Состав проекта котельной, отопления, канализации и водоснабжения таунхауса в КП "Кембридж":
1. Пояснительная записка проекта, общие данные по системам отопления, канализации и водоснабжения таунхауса 100 м.кв. в КП "Кембридж".
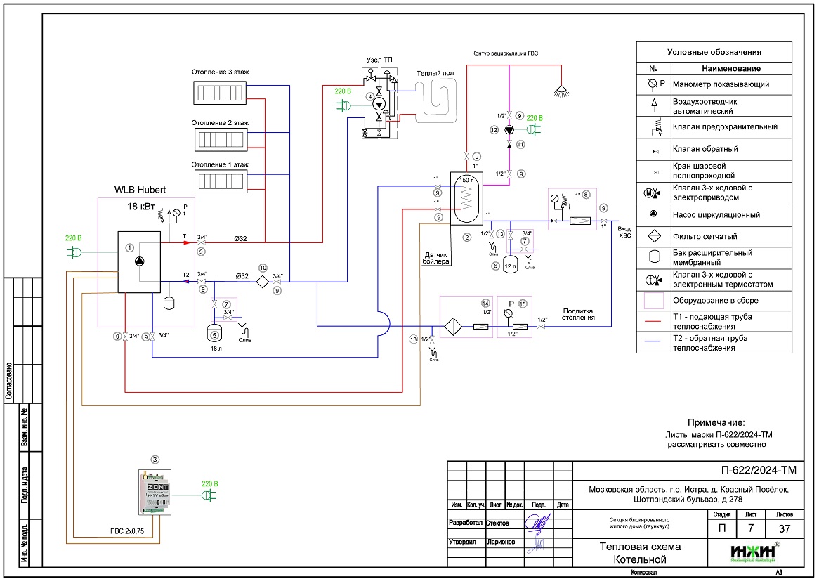
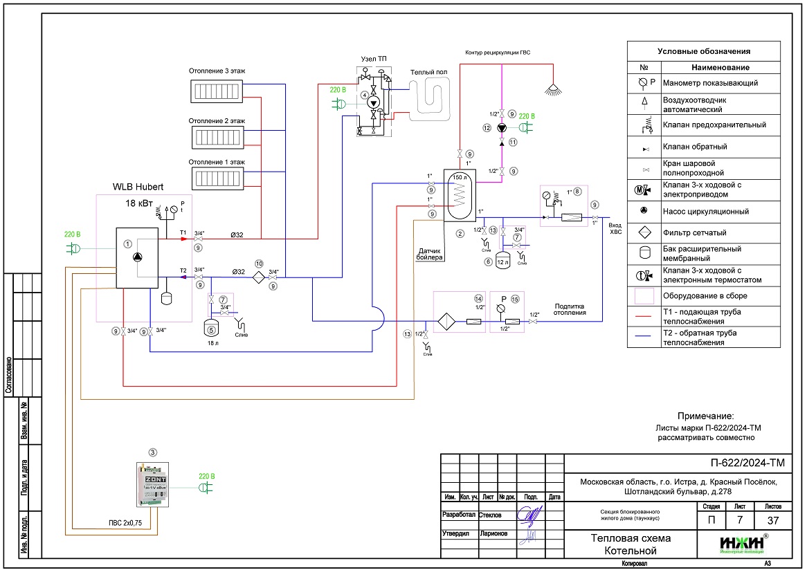
2. Тепломеханическая схема котельной с размещением оборудования в отдельном помещении таунхауса из газобетона.
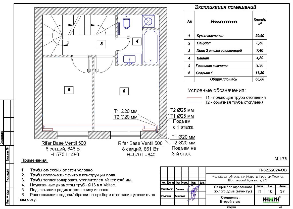
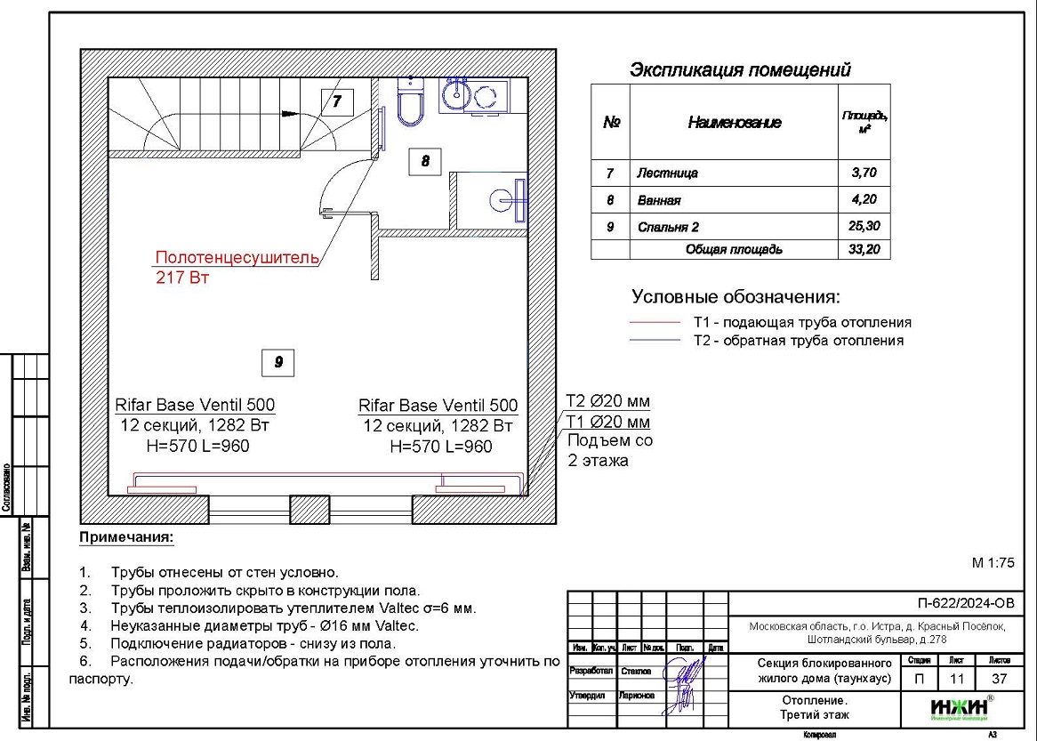
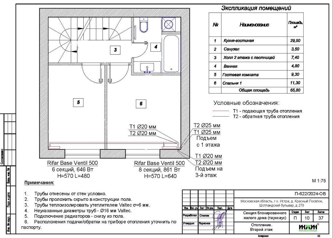
3. Комплект поэтажных чертежей радиаторного отопления таунхауса в КП "Кембридж".
4. Комплект чертежей теплого пола на площади 20 м.кв.
5. Комплект чертежей водоснабжения и канализации частного таунхауса в КП "Кембридж".
6. Типовые схемы системы отопления канализации и водоснабжения таунхауса в КП "Кембридж".
7. Теплотехнический расчет отопления таунхауса из газобетона.
8. Спецификация материалов и оборудования по котельной, отоплению, канализации и водоснабжению таунхауса в КП "Кембридж".
Объем проекта отопления, канализации и водоснабжения таунхауса в КП "Кембридж": 37 листов.
Описание проекта отопления, котельной, канализации и водоснабжения таунхауса в КП "Кембридж".
Котельная таунхауса в КП "Кембридж"(проект котельной бесплатно).
o Размещена в помещении кухни таунхауса в КП "Кембридж";
o Теплогенератор настенный газовый котел WLB Hubert AGB, мощностью 18 кВт (в наличии);
o Контуры теплоснабжения котельной – отопление и теплый пол, горячее водоснабжение, для которого предусмотрен накопительный бойлер STOUT, объемом 150 литров;
o Расширительные баки отопления и бойлера Flamco, объемом 18 и 12 литров, соответственно;
o Дымоудаление принудительное, дымоход выполнен на объекте;
o Распределительный коллектор не предусмотрен;
o Автоматика котельной – встроена в котел.
Отопление таунхауса в КП "Кембридж" (проект отопления дома).
o Выполнен теплотехнический расчет отопления таунхауса из газобетона (утеплитель кровли - минвата 50мм) с учетом теплопотерь через ограждающие конструкции при наружной температуре -26°С для Московской области (по СП 131.13330.2020), расчетный расход тепла на отопление таунхауса составил 6,57 кВт, удельные теплопотери 66,4 Вт/м.кв.;
o Подобраны приборы для отопления таунхауса: секционные радиаторы Rifar Base Ventil с нижним подключением;
o Схема радиаторного отопления дома двухтрубная, с принудительной циркуляцией теплоносителя и температурным графиком 80/60°С;
o Трубы отопления из сшитого полиэтилена Valtec;
o Теплоизоляция трубопроводов отопления Valtec, толщиной 6 мм;
o Теплоноситель в системе радиаторного отопления таунхауса – подготовленная вода, предусмотрены средства защиты от образования накипи в системе отопления.
Водяной теплый пол таунхауса в КП "Кембридж" (проект теплого пола).
o Водяной теплый пол в доме предусмотрен на площади 45 м.кв., коллектор теплого пола Valtec на 4 отвода;
o Предусмотрен насосно-смесительный узел VT.VALMIX.0.130 для теплоснабжения водяного теплого пола дома - на контуре отопления;
o Трубопроводы теплого пола – сшитый полиэтилен Valtec (200 метров погонных);
o Регулирование температуры теплого пола - общее, регулятором на смесительном узле.
Внутренний водопровод таунхауса в КП "Кембридж" (проект водоснабжения).
o Схема внутреннего водоснабжения дома – коллекторно-лучевая с рециркуляцией горячей воды через водяные полотенцесушители, выполнен расчет 18-и точек водоснабжения и полотенцесушителей;
o Трубопроводы системы водоснабжения – из сшитого полиэтилена Valtec;
o Теплоизоляция трубопроводов Valtec, толщиной 6мм.
Внутренняя канализация (проект канализации) таунхауса в КП "Кембридж".
o Безнапорная, отвод стоков от санитарно-технических приборов предусмотрен в поселковую сеть;
o Произведен расчет 13-ти точек бытовой канализации;
o Канализационные трубы Синикон, раструбные, из полипропилена.
Для этого таунхауса в КП "Кембридж" выполнен проект электрики.






















