Выполненные проекты
Проект отопления дома в СНТГ "Петровское" (166 м.кв.)
Объект: частный дом из газобетона, общей площадью 166 м.кв., расположенный в СНТГ "Петровское" Московской области
Вариант отопления: «Комфортный»
Цена проекта отопления и водоснабжения: 28 768 руб. со скидкой 10%, проект котельной - бесплатно.
Проект котельной, отопления и водоснабжения выполнен: 20.06.2025
Состав проекта котельной, отопления и водоснабжения дома в СНТГ "Петровское" Московской области:
1. Пояснительная записка проекта, общие данные по системам отопления и водоснабжения дома 166 м.кв. в СНТГ "Петровское".
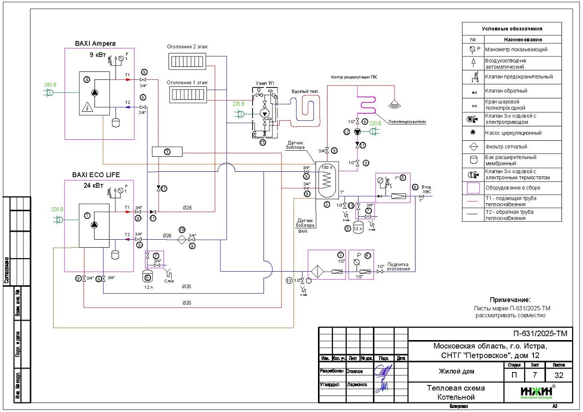
2. Тепломеханическая схема котельной с размещением оборудования в отдельном помещении дома из газобетона.
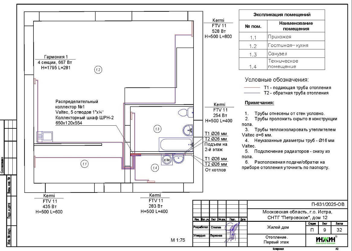
3. Комплект поэтажных чертежей радиаторного отопления дома в СНТГ "Петровское".
4. Комплект чертежей теплого пола на площади 80 м.кв.
5. Комплект чертежей водоснабжения и канализации частного дома из газобетона в СНТГ "Петровское".
6. Типовые схемы системы отопления канализации и водоснабжения дома 166 м.кв.
7. Теплотехнический расчет отопления дома из газобетона.
8. Спецификация материалов и оборудования по котельной, отоплению, канализации и водоснабжению дома в СНТГ "Петровское".
Объем проекта отопления и водоснабжения дома в СНТГ "Петровское" Московской области: 32 листа.
Описание проекта отопления, котельной и водоснабжения частного дома 166 м.кв. в СНТГ "Петровское".
Котельная частного дома в СНТГ "Петровское"(проект котельной бесплатно).
o Размещена в отдельном помещении первого этажа дома 166 м.кв.;
o Теплогенераторы - настенный газовый котел Baxi ECO Life, мощностью 24 кВт (основной) и настенный электрический котёл Baxi Ampera, мощностью 9 кВт (резервный);
o Контуры теплоснабжения котельной – радиаторное отопление дома, теплый пол дома и горячее водоснабжение, для которого предусмотрен накопительный бойлер STOUT, объемом 150 литров;
o Расширительные баки отопления и бойлера Flamco, объемом 18 и 12 литров, соответственно;
o Дымоудаление принудительное, дымоход коаксиальный, в исполнении "через стену";
o Распределительный коллектор не предусмотрен;
o Автоматика котельной – встроена в котлы.
Отопление дома в СНТГ "Петровское" Московской области (проект отопления дома).
o Выполнен теплотехнический расчет отопления дома (утеплитель стен и кровли дома - базальтовая вата 100 и 400мм, соответственно) с учетом теплопотерь через ограждающие конструкции при наружной температуре -26°С для Московской области (по СП 131.13330.2020), расчетный расход тепла на отопление дома составил 8,47 кВт, удельные теплопотери 59,1 Вт/м.кв.;
o Подобраны приборы для отопления дома: стальные панельные радиаторы Kermi с нижним подключением;
o Схема радиаторного отопления основного и гостевого дома двухтрубная, коллекторно-лучевая, с принудительной циркуляцией теплоносителя и температурным графиком 80/60°С;
o Трубы отопления из сшитого полиэтилена Valtec;
o Теплоизоляция трубопроводов отопления Valtec, толщиной 6мм;
o Теплоноситель в системе радиаторного отопления дома – вода.
Водяной теплый пол дома в СНТГ "Петровское" Московской области (проект теплого пола).
o Водяной теплый пол в доме предусмотрен на площади 80 м.кв., коллектор теплого пола Valtec на 7 отводов, всего 7 петель;
o Предусмотрен насосно-смесительный узел для теплоснабжения водяного теплого пола на контуре отопления;
o Трубопроводы теплого пола из сшитого полиэтилена Valtec;
o Регулирование температуры теплого пола - общее, регулятором на смесительном узле.
Внутренний водопровод дома в СНТГ "Петровское" Московской области (проект водоснабжения).
o Схема внутреннего водоснабжения дома – коллекторно-лучевая с рециркуляцией горячей воды через проходные водорозетки, выполнен расчет 15-ти точек водоснабжения и полотенцесушителей;
o Трубопроводы системы водоснабжения – из сшитого полиэтилена Valtec;
o Теплоизоляция трубопроводов Valtec, толщиной 6мм.



















