Выполненные проекты
Проект отопления дома 373 м.кв. с гаражом в Подольске
Объект: частный дом из кирпича, с гаражом (отдельное строение), общей площадью 373 м.кв., расположенный в г. Подольск Московской области
Вариант отопления: «Комфортный+»
Цена проекта отопления, канализации и водоснабжения: 86 800 руб. со скидкой 10%, проект котельной - бесплатно.
Проект котельной, отопления, водоснабжения и канализации выполнен: 08.04.2026
Состав проекта котельной, отопления, канализации и водоснабжения дома в г. Подольск:
1. Пояснительная записка проекта, общие данные по системам отопления, канализации и водоснабжения дома 373 м.кв. в Подольске.
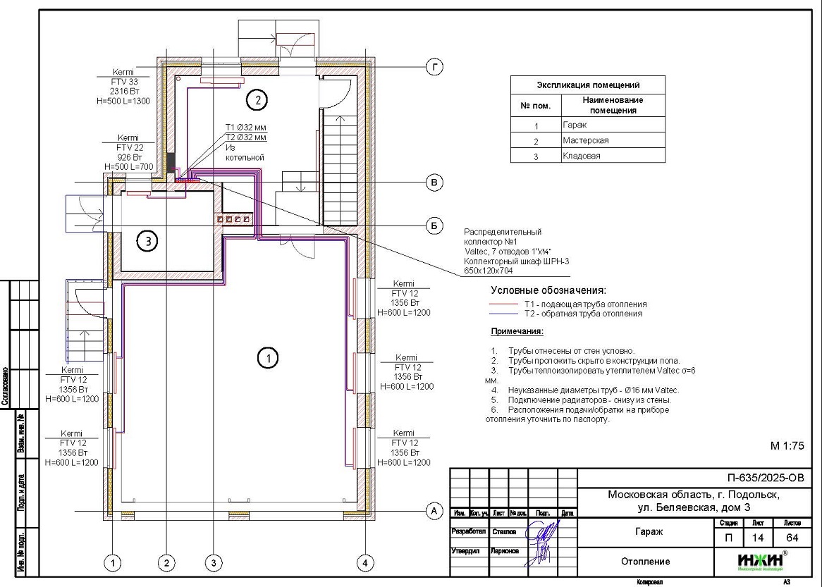
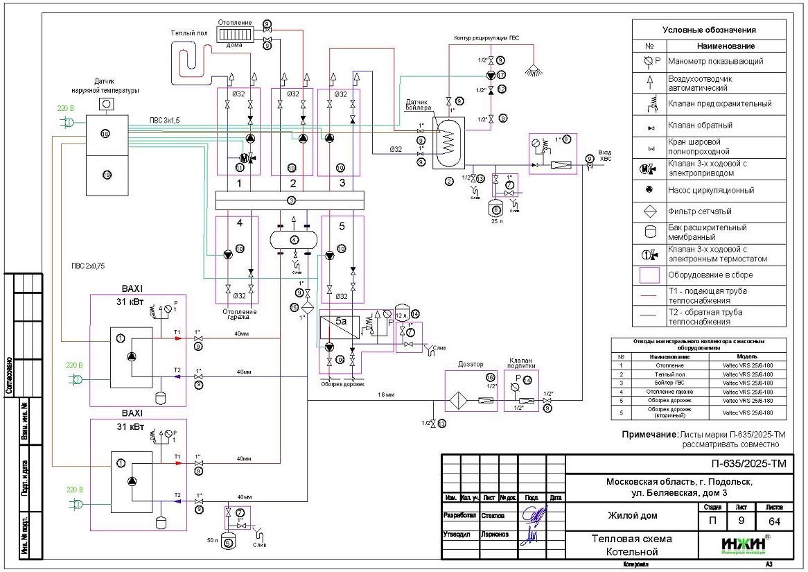
2. Тепломеханическая схема котельной с размещением оборудования в отдельном помещении дома (и гаража) из кирпича.
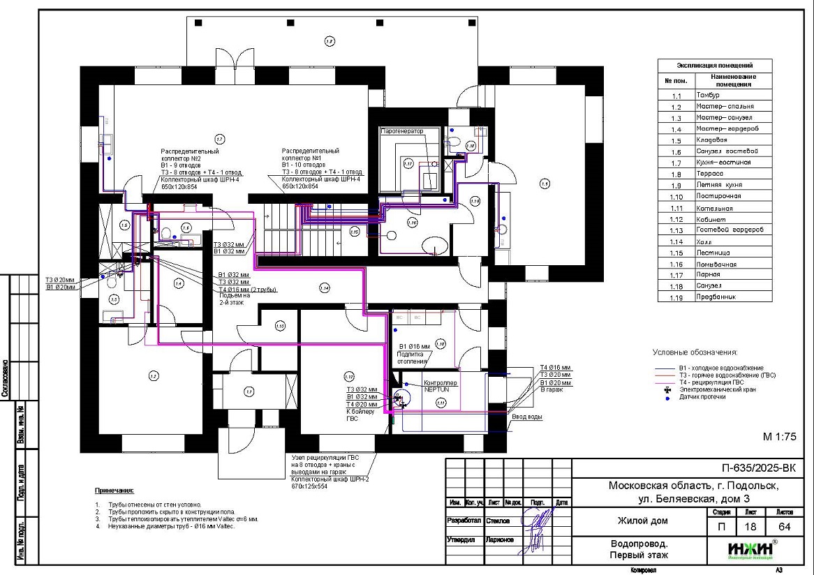
3. Комплект поэтажных чертежей радиаторного отопления дома и гаража в Подольске.
4. Комплект чертежей теплого пола на площади 184 м.кв.
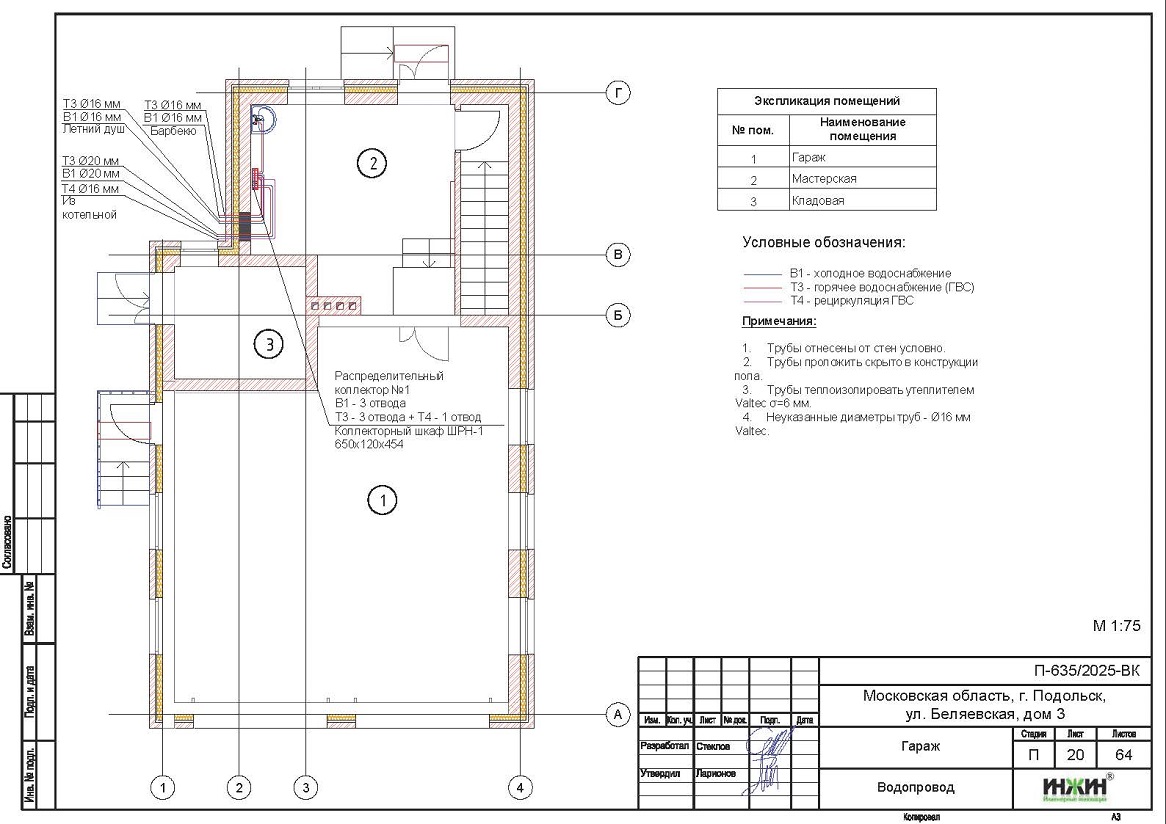
5. Комплект чертежей водоснабжения и канализации частного дома из кирпича в Подольске.
6. Типовые схемы системы отопления канализации и водоснабжения дома 373 м.кв.
7. Теплотехнический расчет отопления дома из кирпича.
8. Спецификация материалов и оборудования по котельной, отоплению, канализации и водоснабжению дома в Подольске.
Объем проекта отопления, канализации и водоснабжения дома в Подольске: 64 листа.
Описание проекта отопления, котельной, канализации и водоснабжения частного дома 373 м.кв. в Подольске.
Котельная частного дома в Подольске(проект котельной бесплатно).
o Размещена в отдельном помещении дома 373 м.кв.;
o Теплогенераторы - настенные газовые котлы Baxi LUNA-3, 2 шт., мощностью 31 кВт каждый;
o Контуры теплоснабжения котельной – радиаторное отопление дома, отопление гаража, теплый пол, обогрев дорожек и горячее водоснабжение, для которого предусмотрен накопительный бойлер STOUT, объемом 300 литров (подключение к коллектору);
o Расширительные баки отопления и бойлера Flamco, объемом 50 и 25 литров, соответственно;
o Дымоудаление принудительное, дымоход раздельный, диаметром 80/80 мм, через кровлю здания;
o Распределительный коллектор - STOUT с насосными группами;
o Автоматика котельной – контроллер ZONT Climatic 1.3 со встроенным GSM-модулем.
Отопление дома в Подольске (проект отопления дома).
o Выполнен теплотехнический расчет отопления комплекса строений (утеплитель стен и кровли - базвата 100 и 200мм, соответственно) с учетом теплопотерь через ограждающие конструкции при наружной температуре -26°С для Московской области (по СП 131.13330.2020), расчетный расход тепла на отопление дома и гаража составил 30,86 кВт, удельные теплопотери 82,7 Вт/м.кв.;
o Подобраны приборы для отопления дома и гаража: стальные панельные радиаторы Kermi с нижним подключением (гараж), дизайн-радиаторы GUARDO RETTO 6P с боковым подключением (для дома);
o Схема радиаторного отопления дома и гаража двухтрубная, коллекторно-лучевая, с принудительной циркуляцией теплоносителя и температурным графиком 80/60°С;
o Трубы отопления из сшитого полиэтилена Valtec;
o Теплоизоляция трубопроводов отопления Valtec, толщиной 6мм;
o Теплоноситель в системе радиаторного отопления дома – подготовленная вода, для контура обогрева дорожек - незамерзающая жидкость.
Водяной теплый пол дома в Подольске (проект теплого пола).
o Водяной теплый пол в доме предусмотрен на площади 184 м.кв., коллекторы теплого пола и обогрева дорожек Valtec на 11 (2шт.) и 8 отводов, всего 30 петель (с учётом подогрева дорожек);
o Предусмотрен насосно-смесительный узел для теплоснабжения водяного теплого пола дома;
o Трубопроводы теплого пола – сшитый полиэтилен Valtec;
o Регулирование температуры теплого пола - общее, регулятором на смесительной группе и локальное, по помещениям, при помощи электронных комнатных термостатов Valtec с Wi-Fi (обзор которых публиковали на нашем сайте в разделе новинок).
Внутренний водопровод дома в Подольске (проект водоснабжения).
o Схема внутреннего водоснабжения дома – коллекторно-лучевая с рециркуляцией горячей воды через водяные полотенцесушители и коллекторы, выполнен расчет 54-х точек водоснабжения и полотенцесушителей;
o Трубопроводы системы водоснабжения – из сшитого полиэтилена Valtec;
o Теплоизоляция трубопроводов Valtec, толщиной 6мм;
o Для летнего водопровода предусмотрен незамерзающий кран Arrowhead.
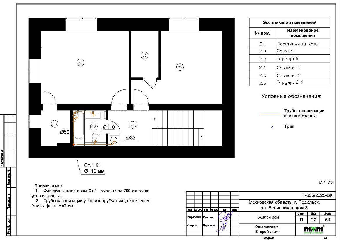
Внутренняя канализация (проект канализации) дома в Подольске.
o Безнапорная, отвод стоков от санитарно-технических приборов предусмотрен в септик;
o Произведен расчет 20-и точек бытовой канализации;
o Канализационные трубы Синикон, раструбные.

























