Выполненные проекты
Проект отопления дома 99 м.кв. (г. Южно-Сахалинск)
Объект: частный дом (1 этаж) из блоков Poromax, площадью 99 м.кв., расположенный в г. Южно-Сахалинск.
Вариант отопления: «Комфортный».
Цена проекта отопления: 15 949 руб. со скидкой 10%, проект котельной - бесплатно.
Проект котельной, отопления выполнен: 04.06.2025
Состав проекта котельной, отопления дома в Южно-Сахалинске:
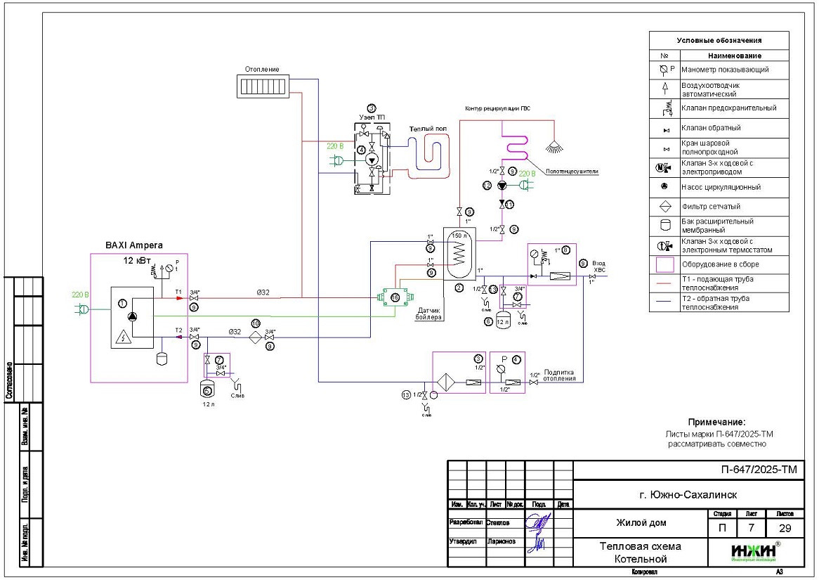
1. Пояснительная записка проекта, общие данные по системам отопления и водоснабжения дома 99 м.кв. в Южно-Сахалинске.
2. Тепломеханическая схема котельной с размещением оборудования в отдельном помещении дома из блоков Poromax.
3. Комплект поэтажных чертежей радиаторного отопления дома в Южно-Сахалинске.
4. Комплект чертежей теплого пола на площади 99 м.кв.
5. Типовые схемы системы отопления дома 99 м.кв.
6. Теплотехнический расчет отопления дома из блоков Poromax.
7. Спецификация материалов и оборудования по котельной и отоплению дома в Южно-Сахалинске.
Объем проекта отопления дома в Южно-Сахалинске: 29 листов.
Описание проекта отопления, котельной частного дома 99 м.кв. в Южно-Сахалинске.
Котельная частного дома в Южно-Сахалинске(проект котельной бесплатно).
o Размещена в отдельном помещении дома 99 м.кв.;
o Теплогенератор - настенный электрический котёл Baxi Ampera, мощностью 12 кВт;
o Контуры теплоснабжения котельной ( шт.) – отопление дома, теплый пол и горячее водоснабжение, для которого предусмотрен накопительный бойлер STOUT, объемом 150 литров;
o Расширительные баки отопления и бойлера Flamco, объемом 12 литров каждый;
o Дымоход не предусмотрен;
o Распределительный коллектор не предусмотрен;
o Автоматика котельной – встроена в котёл.
Отопление дома в Южно-Сахалинске (проект отопления дома).
o Выполнен теплотехнический расчет отопления дома из блоков Poromax (утеплитель кровли - минвата 200мм) с учетом теплопотерь через ограждающие конструкции при наружной температуре -21°С для Южно-Сахалинска (по СП 131.13330.2020), расчетный расход тепла на отопление дома составил 9,0 кВт, удельные теплопотери 90 Вт/м.кв.;
o Подобраны приборы для отопления дома: стальные панельные радиаторы Kermi с нижним подключением;
o Схема радиаторного отопления дома двухтрубная, коллекторно-лучевая, с принудительной циркуляцией теплоносителя и температурным графиком 80/60°С;
o Трубы отопления из сшитого полиэтилена Valtec;
o Теплоизоляция трубопроводов отопления Valtec, толщиной 6мм;
o Теплоноситель в системе радиаторного отопления дома – подготовленная вода, предусмотрены средства защиты от образования накипи.
Водяной теплый пол дома в Южно-Сахалинске(проект теплого пола).
o Водяной теплый пол в доме предусмотрен на площади 99 м.кв., коллектор теплого пола Valtec на 12 отводов (всего 12 петель);
o Предусмотрен насосно-смесительный узел для теплоснабжения водяного теплого пола дома - на контуре отопления;
o Трубопроводы теплого пола – сшитый полиэтилен Valtec, основание - плиты пенополистирольные с покрытием и фиксирующими бобышками EasyFix L (Формат);
o Регулирование температуры теплого пола - общее, смесительным узлом и локальное, по помещениям, при помощи электронных комнатных термостатов Valtec с Wi-Fi (обзор которых публиковали на нашем сайте в разделе новинок).
















