Выполненные проекты
Проект отопления дома в КП "Варежки-3" (138 м.кв.)
Объект: двухэтажный дом из газобетона, площадью 138 м.кв., расположенный в КП "Варежки-3", Щёлковского района Московской области
Вариант отопления: «Комфортный+»
Цена проекта отопления, канализации и водоснабжения: 35 984 руб. со скидкой 10%, проект котельной - бесплатно.
Проект котельной, отопления, водоснабжения и канализации выполнен: 16.01.2025
Состав проекта котельной, отопления, канализации и водоснабжения дома в КП "Варежки-3":
1. Пояснительная записка проекта, общие данные по системам отопления, канализации и водоснабжения дома 138 м.кв. в КП "Варежки-3".
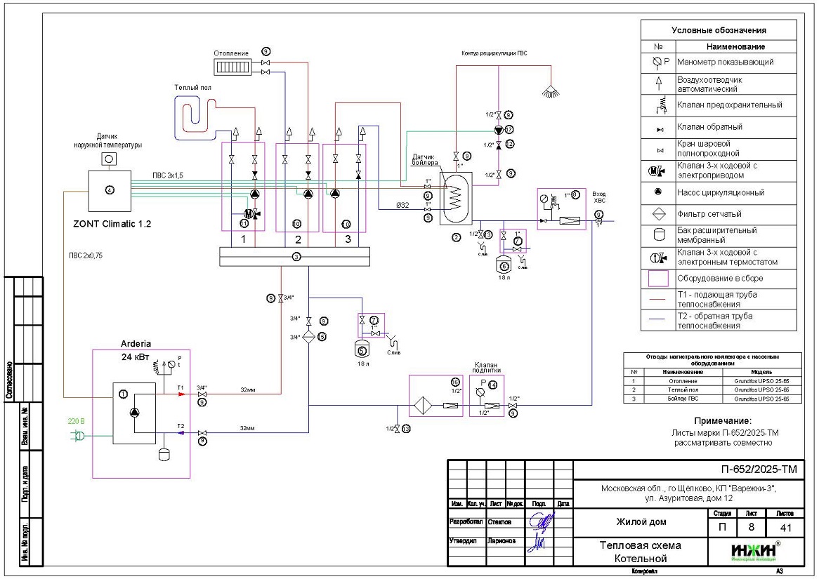
2. Тепломеханическая схема котельной с размещением оборудования в отдельном помещении дома из газобетона.
3. Комплект поэтажных чертежей радиаторного отопления дома в КП "Варежки-3".
4. Комплект чертежей теплого пола на площади 120 м.кв.
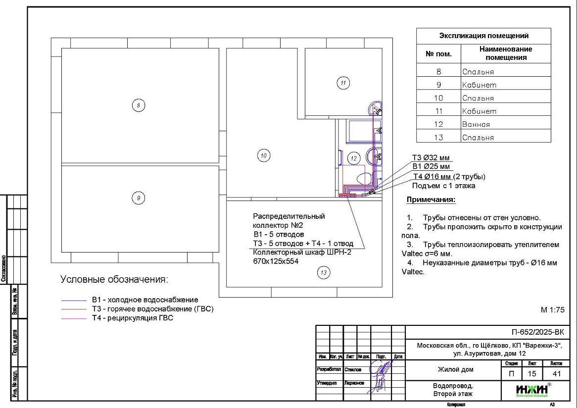
5. Комплект чертежей водоснабжения и канализации частного дома из газобетона в КП "Варежки-3".
6. Типовые схемы системы отопления канализации и водоснабжения дома 138м.кв.
7. Теплотехнический расчет отопления дома из газобетона.
8. Спецификация материалов и оборудования по котельной, отоплению, канализации и водоснабжению дома в КП "Варежки-3".
Объем проекта отопления, канализации и водоснабжения дома в КП "Варежки-3": 41 лист.
Описание проекта отопления, котельной, канализации и водоснабжения частного дома 138 м.кв. в КП "Варежки-3".
Котельная частного дома в КП "Варежки-3"(проект котельной бесплатно).
o Размещена в отдельном помещении дома 138 м.кв.;
o Теплогенератор - настенный газовый котел Arderia d24, мощностью 24 кВт (в наличии);
o Контуры теплоснабжения котельной – радиаторное отопление дома, теплый пол и горячее водоснабжение, для которого предусмотрен накопительный бойлер Termex Nixen, объемом 150 литров;
o Расширительные баки отопления и бойлера Flamco, объемом 18 литров каждый;
o Дымоудаление принудительное, дымоход коаксиальный, 60/100, через стену здания;
o Распределительный коллектор - STOUT с насосными группами и встроенной гидрострелкой;
o Автоматика котельной – контроллер ZONT Climatic 1.2 со встроенным GSM-модулем.
Отопление дома в КП "Варежки-3" (проект отопления дома).
o Выполнен теплотехнический расчет отопления дома из газобетона (утеплитель кровли и стен -минвата 100мм и 75мм, соответственно) с учетом теплопотерь через ограждающие конструкции при наружной температуре -26°С для Московской области (по СП 131.13330.2020), расчетный расход тепла на отопление дома составил 12,48 кВт, удельные теплопотери 98,7 Вт/м.кв.;
o Подобраны приборы для отопления дома: стальные панельные радиаторы Kermi с нижним подключением, а также встроенные в пол конвекторы Varmann c естественной конвекцией;
o Схема радиаторного отопления дома двухтрубная, коллекторно-лучевая, с принудительной циркуляцией теплоносителя и температурным графиком 80/60°С;
o Трубы отопления из сшитого полиэтилена Valtec;
o Теплоизоляция трубопроводов отопления Valtec, толщиной 6мм;
o Теплоноситель в системе радиаторного отопления дома – подготовленная вода, предусмотрены средства защиты от образования накипи.
Водяной теплый пол дома в КП "Варежки-3"(проект теплого пола).
o Водяной теплый пол в доме предусмотрен на площади 120 м.кв., коллекторы теплого пола Valtec на 6 и 7 отводов, всего 13 петель;
o Предусмотрен насосно-смесительный узел для теплоснабжения водяного теплого пола дома - в составе насосной группы котельной;
o Трубопроводы теплого пола – сшитый полиэтилен Valtec;
o Регулирование температуры теплого пола - общее, регулятором на смесительной группе и локальное - помещениям при помощи комнатных Wi-Fi термостатов Valtec.
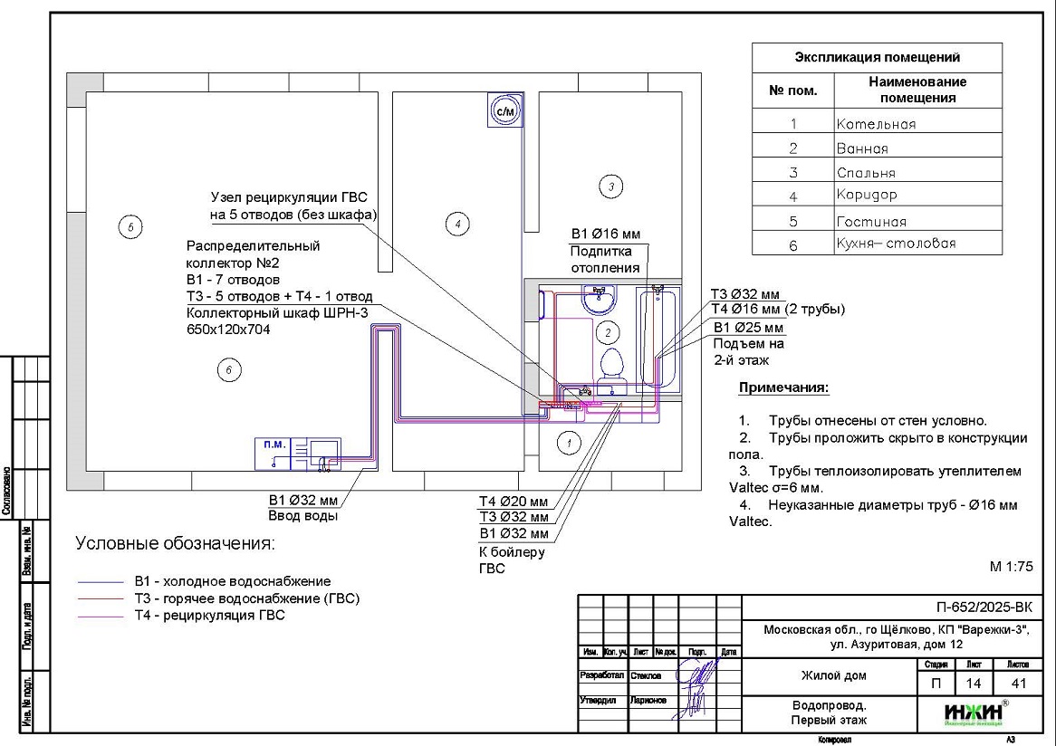
Внутренний водопровод дома в КП "Варежки-3"(проект водоснабжения).
o Схема внутреннего водоснабжения дома – коллекторно-лучевая с рециркуляцией горячей воды через проходные водорозетки, выполнен расчет 24-х точек водоснабжения и полотенцесушителей;
o Трубопроводы системы водоснабжения – из сшитого полиэтилена Valtec;
o Теплоизоляция трубопроводов Valtec, толщиной 6мм.
Внутренняя канализация (проект канализации) дома в КП "Варежки-3".
o Безнапорная, отвод стоков от санитарно-технических приборов предусмотрен в поселковую сеть;
o Произведен расчет 11-ти точек бытовой канализации;
o Канализационные трубы Синикон, раструбные, из полипропилена.






















