Выполненные проекты
Проект отопления дома в Липецкой области (174 м.кв.)
Объект: одноэтажный дом из газобетона, площадью 174 м.кв., расположенный в Плехановском с/с Липецкой области
Вариант отопления: «Комфортный»
Цена проекта отопления: 19 127 руб. со скидкой 10%, проект котельной - бесплатно.
Проект котельной, отопления, водоснабжения выполнен: 21.07.2025
Состав проекта котельной, отопления и водоснабжения дома в Плехановском с/с Липецкой области:
1. Пояснительная записка проекта, общие данные по системе отопления дома 174 м.кв. в Плехановском с/с Липецкой области
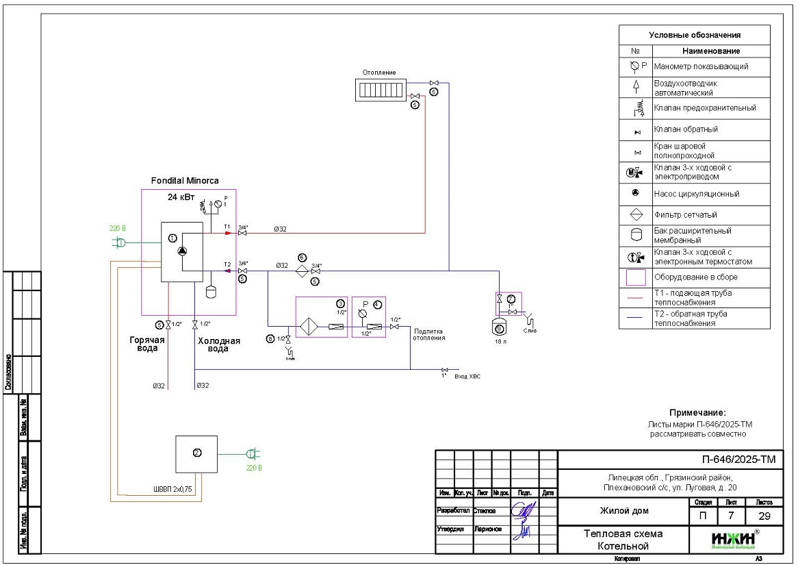
2. Тепломеханическая схема котельной с размещением оборудования в отдельном помещении дома из газобетона.
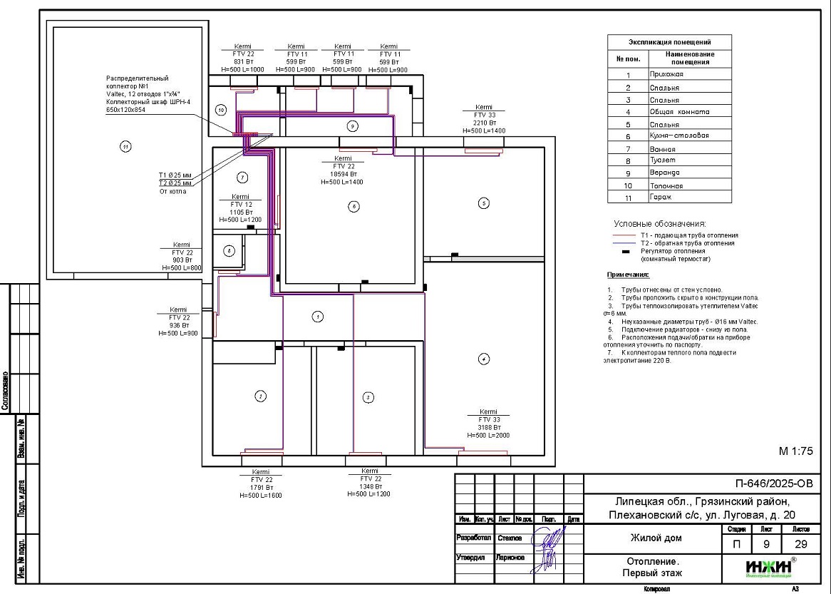
3. Комплект поэтажных чертежей радиаторного отопления дома в Плехановском с/с Липецкой области.
4. Типовые схемы системы отопления дома 174 м.кв.
5. Теплотехнический расчет отопления дома из газобетона.
6. Спецификация материалов и оборудования по котельной и отоплению дома в Плехановском с/с Липецкой области.
Объем проекта отопления дома в Плехановском с/с Липецкой области: 29 листов.
Описание проекта отопления, котельной частного дома 174 м.кв. в Плехановском с/с Липецкой области.
Котельная частного дома в Плехановском с/с Липецкой области(проект котельной бесплатно).
o Размещена в отдельном помещении дома 174м.кв.;
o Теплогенератор - настенный газовый котел Fondital Minorca, мощностью 24 кВт;
o Контуры теплоснабжения котельной – радиаторное отопление дома и горячее водоснабжение (второй контур котла);
o Расширительный бак отопления Flamco, объемом 18 литров;
o Дымоудаление принудительное, дымоход раздельный, в строительной шахте;
o Распределительный коллектор не предусмотрен;
o Автоматика котельной – на базе GSM-контроллера MYHEAT GO.
Отопление дома в Плехановском с/с Липецкой области (проект отопления дома).
o Выполнен теплотехнический расчет отопления дома из газобетона (утеплитель кровли - минвата 100мм) с учетом теплопотерь через ограждающие конструкции при наружной температуре -25°С для Липецкой области (по СП 131.13330.2020), расчетный расход тепла на отопление дома составил 15,31 кВт, удельные теплопотери 103,7 Вт/м.кв.;
o Подобраны приборы для отопления дома: стальные панельные радиаторы Kermi с нижним подключением;
o Схема радиаторного отопления дома двухтрубная, коллекторно-лучевая, с принудительной циркуляцией теплоносителя и температурным графиком 80/60°С;
o Трубы отопления из сшитого полиэтилена Valtec;
o Теплоизоляция трубопроводов отопления Valtec, толщиной 6мм;
o Теплоноситель в системе радиаторного отопления дома – подготовленная вода, предусмотрены средства защиты от образования накипи.
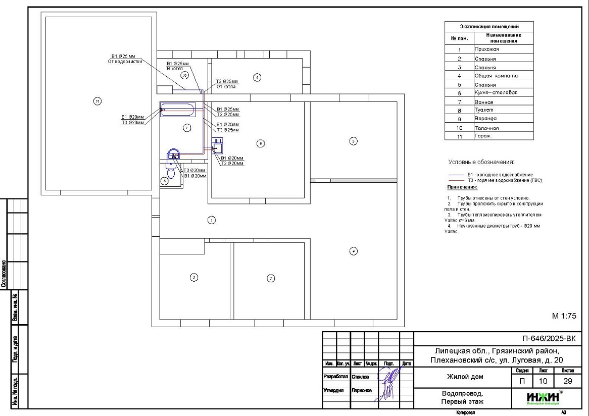
Внутренний водопровод дома в Плехановском с/с Липецкой области(проект водоснабжения).
o Схема внутреннего водоснабжения дома – тройниковая без рециркуляции горячей воды, выполнен расчет 7-и точек водоснабжения;
o Трубопроводы системы водоснабжения – из сшитого полиэтилена Valtec;
o Теплоизоляция трубопроводов Valtec, толщиной 6мм.
















