Выполненные проекты
Проект отопления дома в КП "Сувонтоярви 2"
Объект: двухэтажный дом из газобетона, площадью 142 м.кв., расположенный в КП "Сувонтоярви 2" Ленинградской области
Вариант отопления: «Комфортный+»
Цена проекта отопления, канализации и водоснабжения: 34 900 руб. со скидкой 10%, проект котельной - бесплатно.
Проект котельной, отопления, водоснабжения и канализации выполнен: 22.09.2025
Состав проекта котельной, отопления, канализации и водоснабжения дома в КП "Сувонтоярви 2" Ленинградской области:
1. Пояснительная записка проекта, общие данные по системам отопления, канализации и водоснабжения дома 142 м.кв. в дер. Тимонино.
2. Тепломеханическая схема котельной с размещением оборудования в отдельном помещении дома из газобетона.
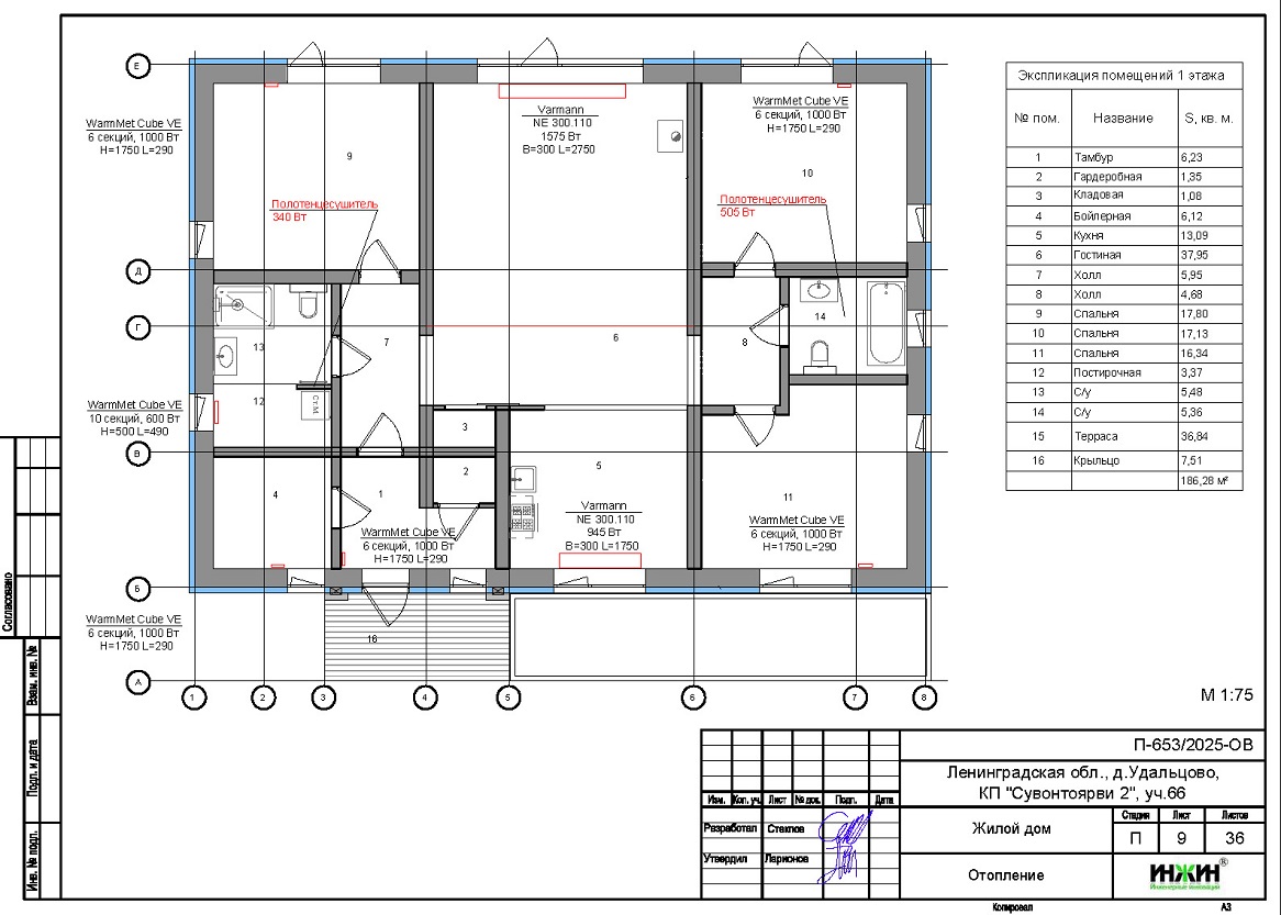
3. Комплект поэтажных чертежей радиаторного отопления дома в КП "Сувонтоярви 2" Ленинградской области.
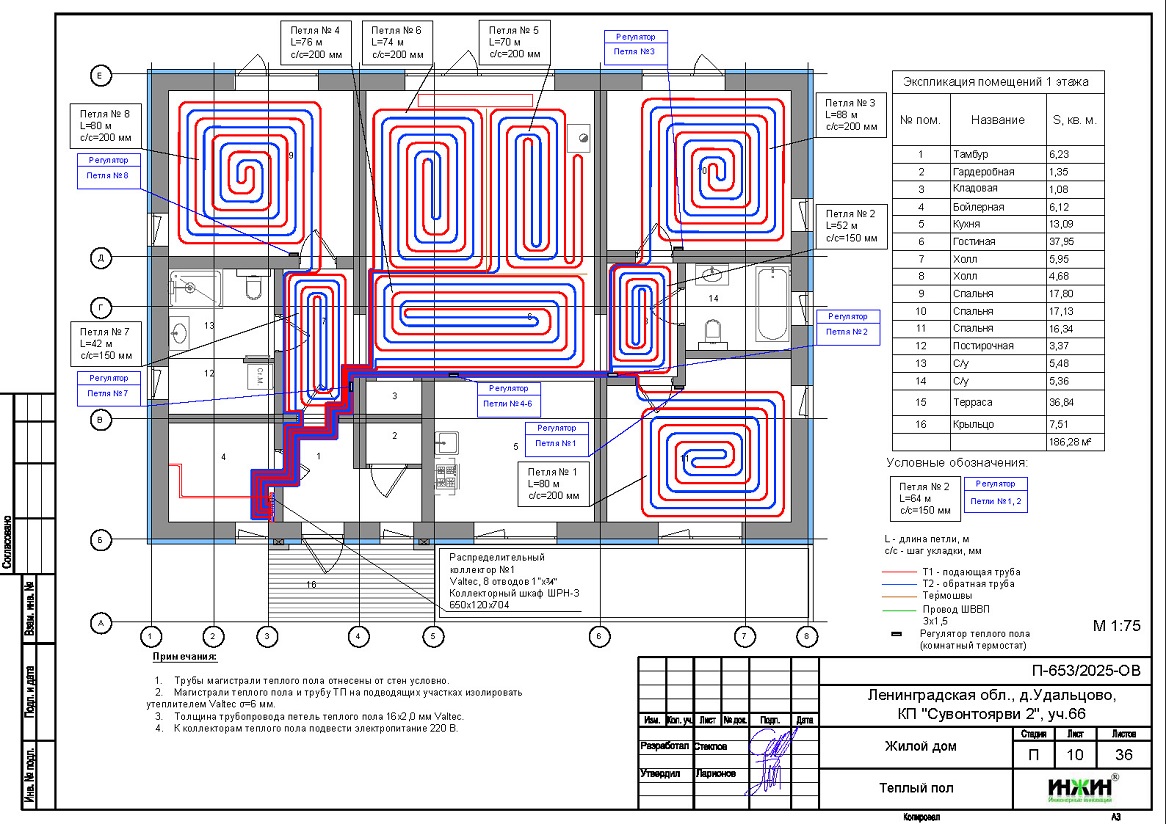
4. Комплект чертежей теплого пола на площади 96 м.кв.
5. Комплект чертежей водоснабжения и канализации частного дома из газобетона в КП "Сувонтоярви 2" Ленинградской области.
6. Типовые схемы системы отопления канализации и водоснабжения дома 142м.кв.
7. Теплотехнический расчет отопления дома из газобетона.
8. Спецификация материалов и оборудования по котельной, отоплению, канализации и водоснабжению дома в КП "Сувонтоярви 2" Ленинградской области.
Объем проекта отопления, канализации и водоснабжения дома в КП "Сувонтоярви 2" Ленинградской области: 36 листов.
Описание проекта отопления, котельной, канализации и водоснабжения частного дома 142 м.кв. в КП "Сувонтоярви 2" Ленинградской области.
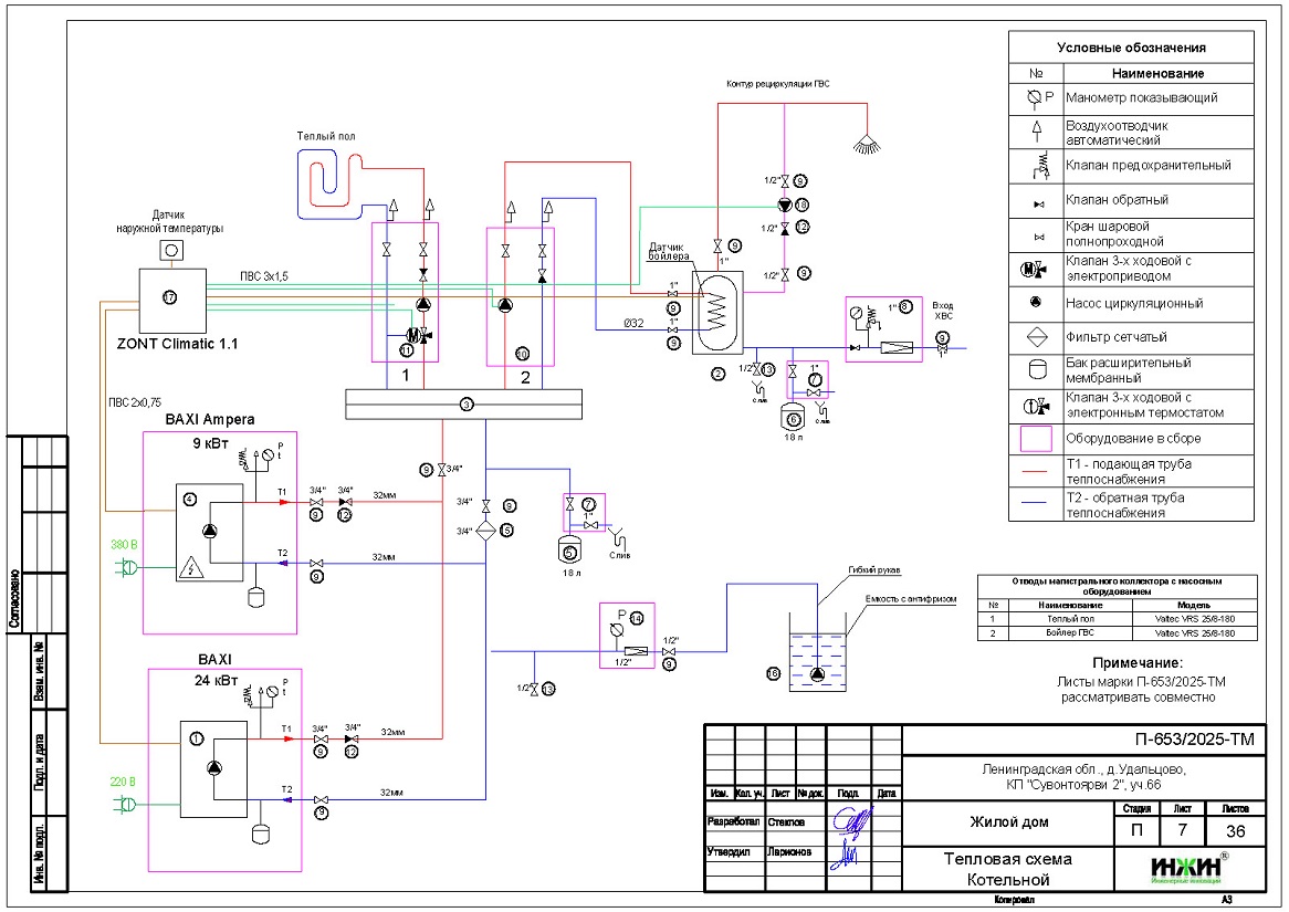
Котельная частного дома в КП "Сувонтоярви 2" Ленинградской области(проект котельной бесплатно).
o Размещена в отдельном помещении дома 142м.кв.;
o Теплогенераторы - настенный газовый котел Baxi ECO Life, мощностью 24 кВт (основной) и настенный электрический котёл Baxi Ampera, мощностью 9 кВт (резервный);
o Контуры теплоснабжения котельной – теплый пол и горячее водоснабжение, для которого предусмотрен накопительный бойлер STOUT, объемом 200 литров;
o Расширительные баки отопления и бойлера Flamco, объемом 18 литров каждый;
o Дымоудаление принудительное, дымоход коаксиальный, через стену здания;
o Распределительный коллектор - STOUT с насосными группами и встроенной гидрострелкой;
o Автоматика котельной – контроллер ZONT Climatic 1.1 со встроенным GSM-модулем.
Отопление дома в КП "Сувонтоярви 2" Ленинградской области (проект отопления дома).
o Выполнен теплотехнический расчет отопления дома из газобетона (утеплитель кровли - минвата 250мм) с учетом теплопотерь через ограждающие конструкции при наружной температуре -26°С для Ленинградской области (по СП 131.13330.2020), расчетный расход тепла на отопление дома составил 12,83 кВт, удельные теплопотери 90 Вт/м.кв.;
o Подобраны приборы для отопления дома: электрические радиаторы WARMMET Cube VE и встроенные в пол электрические конвекторы VARMANN;
o Схема радиаторного отопления дома электрическая;
o Теплоноситель в системе тёплого пола – незамерзающая жидкость.
Водяной теплый пол дома в КП "Сувонтоярви 2" Ленинградской области(проект теплого пола).
o Водяной теплый пол в доме предусмотрен на площади 96 м.кв., коллектор теплого пола Valtec на 12 отводов, всего 12 петель;
o Предусмотрен насосно-смесительный узел для теплоснабжения водяного теплого пола дома - в составе насосной группы котельной;
o Трубопроводы теплого пола – сшитый полиэтилен Valtec;
o Регулирование температуры теплого пола - общее, регулятором на смесительной группе и локальное, по помещениям, при помощи электронных комнатных термостатов Valtec с Wi-Fi (обзор которых публиковали на нашем сайте в разделе новинок).
Внутренний водопровод дома в КП "Сувонтоярви 2" Ленинградской области(проект водоснабжения).
o Схема внутреннего водоснабжения дома – коллекторно-лучевая с рециркуляцией горячей воды через проходные водорозетки, выполнен расчет 16-ти точек водоснабжения и полотенцесушителей;
o Трубопроводы системы водоснабжения – из сшитого полиэтилена Valtec;
o Теплоизоляция трубопроводов Valtec, толщиной 6мм.
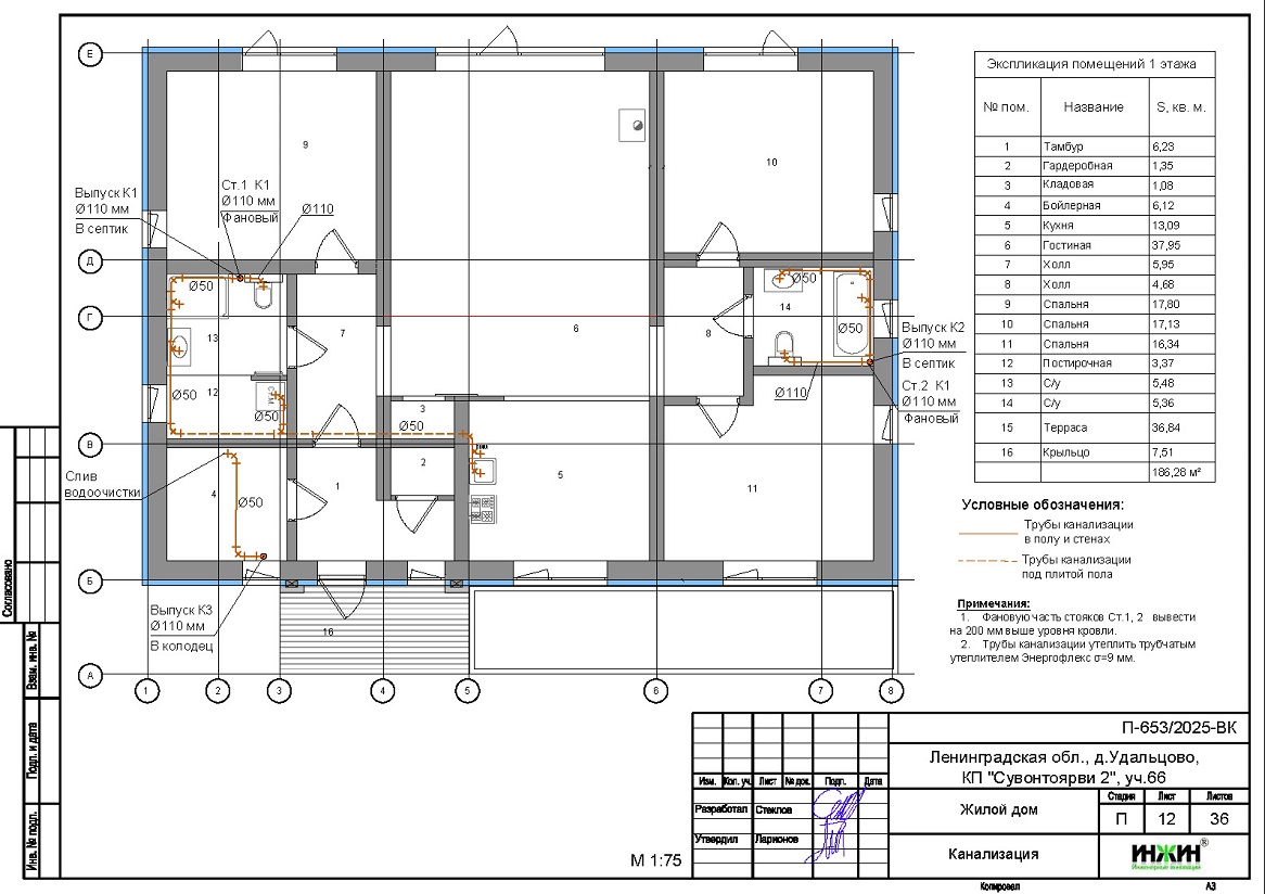
Внутренняя канализация (проект канализации) дома в КП "Сувонтоярви 2" Ленинградской области.
o Безнапорная, отвод стоков от санитарно-технических приборов предусмотрен в септик;
o Произведен расчет 8-ми точек бытовой канализации;
o Канализационные трубы Синикон, раструбные, из полипропилена.
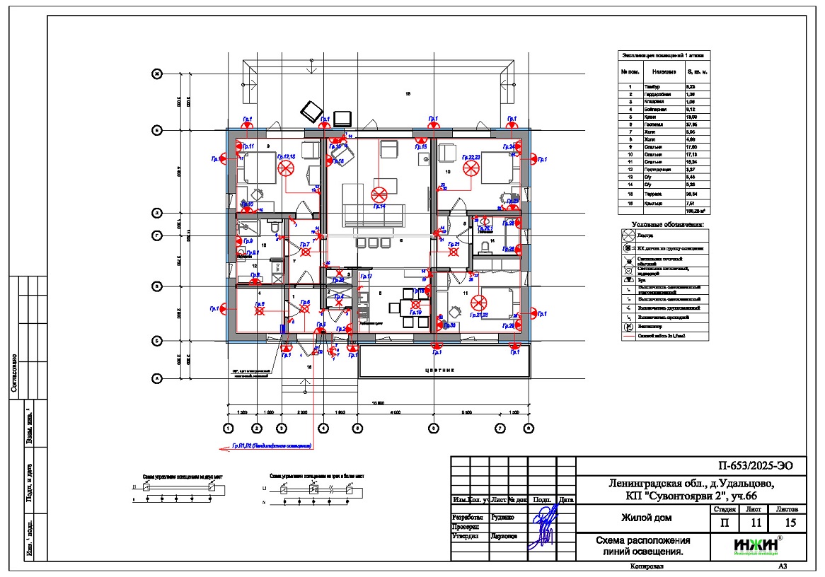
Для этого дома в КП "Сувонтоярви 2" Ленинградской областивыполнен проект электрики.



















