Выполненные проекты
Проект отопления дома в Республике Алтай
Объект: частный дом из СИП-панелей, общей площадью 129 м.кв., расположенный в с.Тюнгур Усть-Коксинского района, Республика Алтай
Вариант отопления: «Комфортный»
Цена проекта отопления и водоснабжения: 25 583 руб. со скидкой 10%, проект котельной - бесплатно.
Проект котельной, отопления и водоснабжения выполнен: 28.10.2025
Состав проекта котельной, отопления и водоснабжения дома в с.Тюнгур Усть-Коксинского района, Республика Алтай:
1. Пояснительная записка проекта, общие данные по системам отопления и водоснабжения дома 129 м.кв. в с.Тюнгур, Республика Алтай.
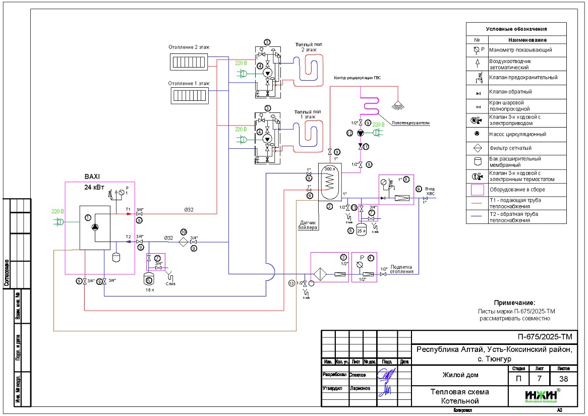
2. Тепломеханическая схема котельной с размещением оборудования в отдельном помещении дома из СИП-панелей.
3. Комплект поэтажных чертежей радиаторного отопления дома в с.Тюнгур, Республика Алтай.
4. Комплект чертежей водоснабжения и канализации частного дома из СИП-панелей в с.Тюнгур, Республика Алтай.
5. Типовые схемы системы отопления и водоснабжения дома 129 м.кв.
6. Теплотехнический расчет отопления дома из СИП-панелей.
7. Спецификация материалов и оборудования по котельной, отоплению и водоснабжению дома в с.Тюнгур, Республика Алтай.
Объем проекта отопления и водоснабжения дома в с.Тюнгур, Республика Алтай: 38 листов.
Описание проекта отопления, котельной и водоснабжения частного дома 129 м.кв. в с.Тюнгур, Республика Алтай.
Котельная частного дома в с.Тюнгур, Республика Алтай(проект котельной бесплатно).
o Размещена в отдельном помещении первого этажа дома 129 м.кв.;
o Теплогенератор - настенный газовый котел Navien, мощностью 24 кВт (в наличии);
o Контуры теплоснабжения котельной – радиаторное отопление дома тёплый пол (по контуру на этаж) и горячее водоснабжение, для которого предусмотрен накопительный бойлер STOUT, объемом 300 литров;
o Расширительные баки отопления и бойлера Flamco, объемом 18 литров каждый;
o Дымоудаление принудительное, дымоход коаксиальный, в исполнении "через стену";
o Распределительный коллектор не предусмотрен;
o Автоматика котельной – встроена в котёл.
Отопление дома в с.Тюнгур, Республика Алтай (проект отопления дома).
o Выполнен теплотехнический расчет отопления дома (утеплитель стен и кровли дома - ППС 200мм) с учетом теплопотерь через ограждающие конструкции при наружной температуре -39°С для Алтайского Края по СП 131.13330.2020), расчетный расход тепла на отопление дома составил 17,2 кВт, удельные теплопотери 133,8 Вт/м.кв.;
o Подобраны приборы для отопления дома: стальные панельные радиаторы Kermi с нижним подключением;
o Схема радиаторного отопления дома коллекторно-лучевая, двухтрубная, с принудительной циркуляцией теплоносителя и температурным графиком 80/60°С;
o Трубы отопления из металлопластика Valtec;
o Теплоизоляция трубопроводов отопления Valtec, толщиной 6мм;
o Теплоноситель в системе радиаторного отопления дома – вода.
Водяной теплый пол дома в Республике Алтай(проект теплого пола).
o Водяной теплый пол в доме предусмотрен на площади 107 м.кв., коллекторы теплого пола Valtec на 7 отводов (2 шт.), всего 14 петель;
o Предусмотрен насосно-смесительные узлы (2 шт.) для теплоснабжения водяного теплого пола дома - на контуре отопления;
o Трубопроводы теплого пола – сшитый полиэтилен Valtec;
o Регулирование температуры теплого пола - общее, регулятором на смесительных узлах.
Внутренний водопровод дома в с.Тюнгур, Республика Алтай (проект водоснабжения).
o Схема внутреннего водоснабжения дома – тройниковая с рециркуляцией горячей воды через тройники, выполнен расчет 28-и точек водоснабжения и полотенцесушителей;
o Трубопроводы системы водоснабжения – из металлопластика Valtec;
o Теплоизоляция трубопроводов Valtec, толщиной 6мм.



















