Выполненные проекты
Проект отопления дома в пос. Повадино (188 м.кв.)
Объект: частный дом из газобетона, общей площадью 188 м.кв., расположенный в пос. Повадино, г.о. Домодедово Московской области
Вариант отопления: «Комфортный»
Цена проекта отопления и водоснабжения: 37 055 руб. со скидкой 10%, проект котельной - бесплатно.
Проект котельной, отопления и водоснабжения выполнен: 25.02.2026
Состав проекта котельной, отопления и водоснабжения дома в пос. Повадино, г.о. Домодедово:
1. Пояснительная записка проекта, общие данные по системам отопления и водоснабжения дома 188 м.кв. в пос. Повадино, г.о. Домодедово.
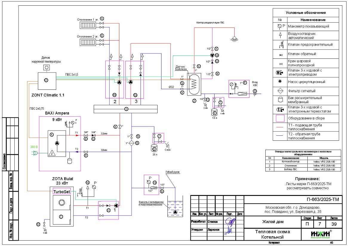
2. Тепломеханическая схема котельной с размещением оборудования в отдельном помещении дома из газобетона.
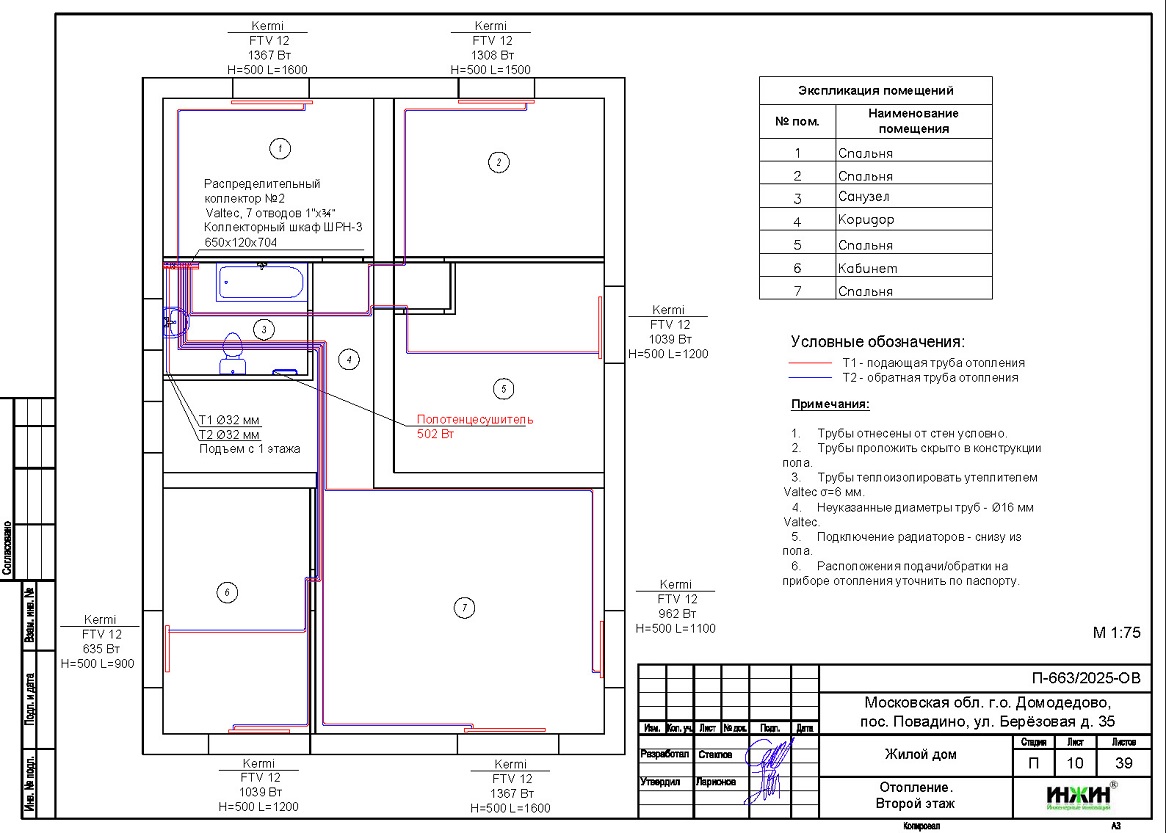
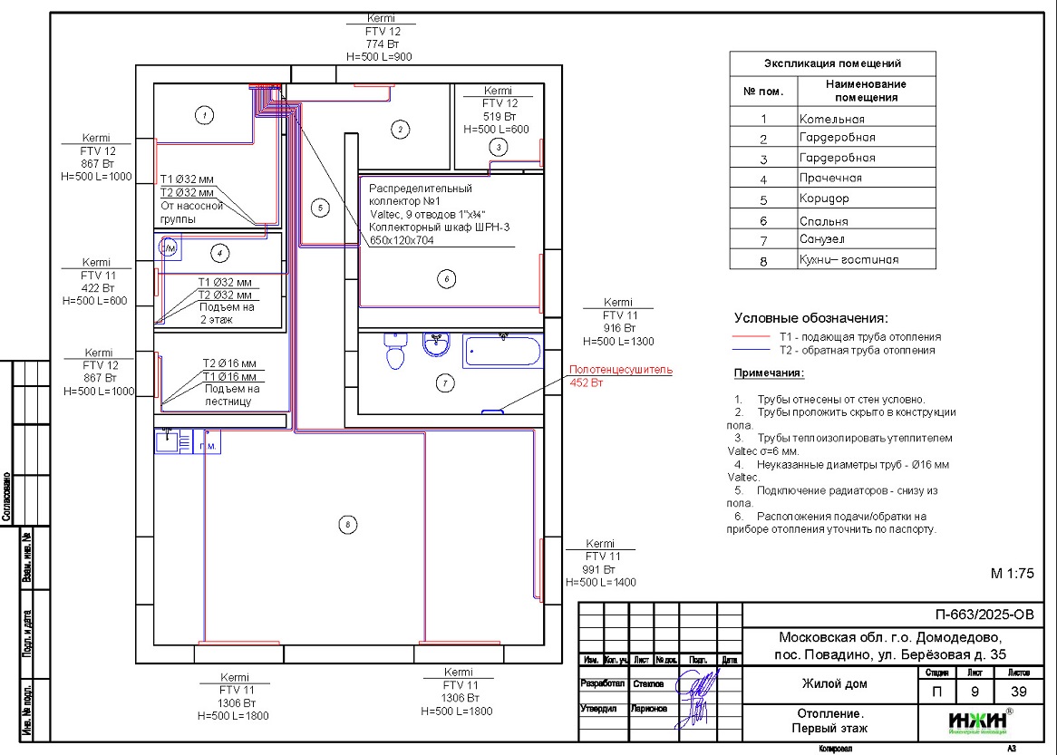
3. Комплект поэтажных чертежей радиаторного отопления дома в пос. Повадино, г.о. Домодедово.
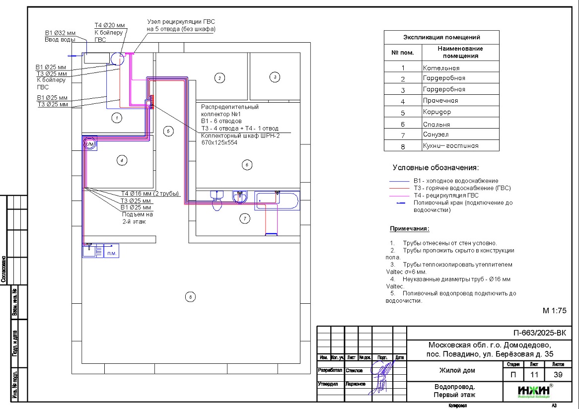
6. Комплект чертежей водоснабжения и канализации частного дома из газобетона в пос. Повадино, г.о. Домодедово.
7. Типовые схемы системы отопления канализации и водоснабжения дома 188 м.кв.
8. Теплотехнический расчет отопления дома из газобетона.
9. Спецификация материалов и оборудования по котельной, отоплению, канализации и водоснабжению дома в пос. Повадино, г.о. Домодедово.
Объем проекта отопления и водоснабжения дома в пос. Повадино, г.о. Домодедово: 39 листов.
Описание проекта отопления, котельной и водоснабжения частного дома 188 м.кв. в пос. Повадино, г.о. Домодедово.
Котельная частного дома в пос. Повадино, г.о. Домодедово(проект котельной бесплатно).
o Размещена в отдельном помещении первого этажа дома 188 м.кв.;
o Теплогенераторы - напольный газовый котел ZOTA Bulat 23, мощностью 23 кВт (основной) и настенный электрический котёл Baxi Ampera, мощностью 9 кВт (резервный);
o Контуры теплоснабжения котельной – радиаторное отопление дома и горячее водоснабжение, для которого предусмотрен накопительный бойлер STOUT, объемом 200 литров;
o Расширительные баки отопления и бойлера Flamco, объемом 25 и 18 литров, соответственно;
o Дымоудаление естественное, дымоход из нержавеющей стали, в наружном исполнении, диаметр 150мм;
o Распределительный коллектор STOUT, со встроенной гидрострелкой;
o Автоматика котельной – с регулятором ZONT-Climatic 1.3 со встроенным GSM-модулем для удаленного управления при помощи мобильного приложения.
Отопление дома в пос. Повадино, г.о. Домодедово (проект отопления дома).
o Выполнен теплотехнический расчет отопления дома (утеплитель кровли дома - пеноплекс 120 мм) с учетом теплопотерь через ограждающие конструкции при наружной температуре -26°С для Московской области (по СП 131.13330.2020), расчетный расход тепла на отопление дома составил 16,01 кВт, удельные теплопотери 84 Вт/м.кв.;
o Подобраны приборы для отопления дома: стальные панельные радиаторы Kermi с нижним подключением;
o Схема радиаторного отопления основного и гостевого дома двухтрубная, коллекторно-лучевая, с принудительной циркуляцией теплоносителя и температурным графиком 80/60°С;
o Трубы отопления из сшитого полиэтилена Valtec;
o Теплоизоляция трубопроводов отопления Valtec, толщиной 6мм;
o Теплоноситель в системе радиаторного отопления дома – незамерзающая жидкость.
Водяной теплый пол проектом не предусмотрен.
Внутренний водопровод дома в пос. Повадино, г.о. Домодедово (проект водоснабжения).
o Схема внутреннего водоснабжения дома – коллекторно-лучевая с рециркуляцией горячей воды через проходные водорозетки, выполнен расчет 18-ти точек водоснабжения и полотенцесушителей;
o Трубопроводы системы водоснабжения – из сшитого полиэтилена Valtec;
o Теплоизоляция трубопроводов Valtec, толщиной 6мм.
Внутренняя канализация (проект канализации) дома в пос. Повадино, г.о. Домодедово.
o Безнапорная, отвод стоков от санитарно-технических приборов предусмотрен в септик;
o Произведен расчет 10-ти точек бытовой канализации;
o Канализационные трубы Синикон, раструбные, из полипропилена.



















