Новости компании
Выполнены проекты инженерных систем дома в КП “Новый Мир”
Для загородного дома со стенами из газобетона (утеплитель кровли - минвата 100мм), площадью 120 м.кв., расположенного в КП “Новый Мир” Владимирской области, разработаны проекты внутренних инженерных систем: электрики, котельной и отопления.
В проекте отопления, по заданию Заказчика, предусмотрены следующие основные технические решения:
- Вариант отопления «Комфортный+», с контроллером ZONT Climatic 1.2со встроенным GSM-модулем;
- Индивидуальная котельная с настенным газовым котлом BAXI ECO 4S, мощностью 24 кВт;
- Контуры теплоснабжения дома – радиаторное отопление дома, теплый пол дома и горячее водоснабжение, для которого предусмотрен накопительный бойлер STOUT, объемом 100 литров;
- Выполнен расчет отопления, расход тепла на отопление составил - 9,66 кВт, удельные теплопотери 80,2 Вт/м.кв.;
- Отопление и водоснабжение дома в КП “Новый Мир” Владимирской области предусмотрены по коллекторно-лучевой схеме, с трубопроводами из сшитого полиэтилена Valtec;
- Приборы для системы отопления дома - секционные биметаллические радиаторы RIFAR BASE с нижним подключением, водяной теплый пол в доме предусмотрен на площади 20 м.кв. (4 петли);
- Выполнен расчет 22-х точек водоснабжения и полотенцесушителей, а также 13-ти точек бытовой канализации.
Стоимость проекта отопления дома в КП “Новый Мир” Владимирской области- 25 012 руб. со скидкой 10%, проект котельной бесплатно, объем проекта 40 листов.

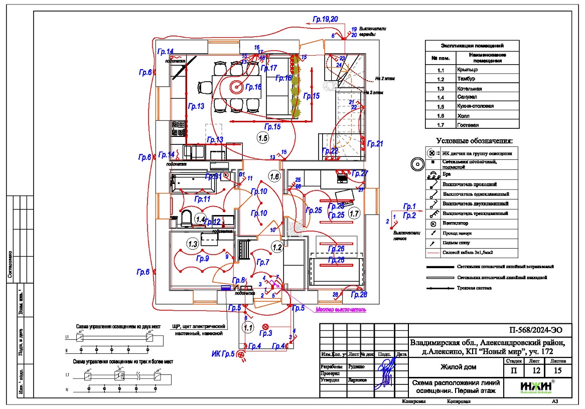
Проект электрики дома в КП “Новый Мир” Владимирской областисодержит следующие технические решения:
- Выполнен расчет схемы электроснабжения, электрическая мощность дома составила 15,00 кВт, с учетом коэффициента спроса 0,65, принятого согласно СП 256.1325800.2016;
- Автоматические выключатели (УЗО) в количестве 28 шт., которые размещены в распределительном щите ABB;
- Электропроводка предусмотрена скрытым способом, в полу и стенах дома;
- Общая протяженность электропроводки 1015 метров;
- Резервное электропитание дома предусмотрено на базе бензинового однофазного генератора A-iPower 7000Ва/5600Вт.
Цена проекта электрики – 15 740 руб. со скидкой 10%. Объем проекта электрики – 15 листов.
Подробное описание выполненного проекта электрики дома в КП “Новый Мир” Владимирской области.

Заказать проект электрики частного дома дистанционно.
06 ноября 2024 года
- Информация о материале
- Просмотров: 3532














