Выполненные проекты
Проект отопления дома в Щелковском районе
Объект: двухэтажный частный дом из газобетона, площадью 160 м.кв., расположенный в КП "Калина Красная" Щелковского района Московской области
Вариант отопления: «Комфортный»
Цена проекта отопления, канализации и водоснабжения: 28 070 руб. со скидкой 10%, проект котельной - бесплатно.
Проект котельной, отопления, водоснабжения и канализации выполнен: 25.04.2019
Состав проекта котельной, отопления, канализации и водоснабжения дома в КП «Калина Красная»:
1. Пояснительная записка проекта, общие данные по системам отопления, канализации и водоснабжения дома 160 м.кв. в Московской области.
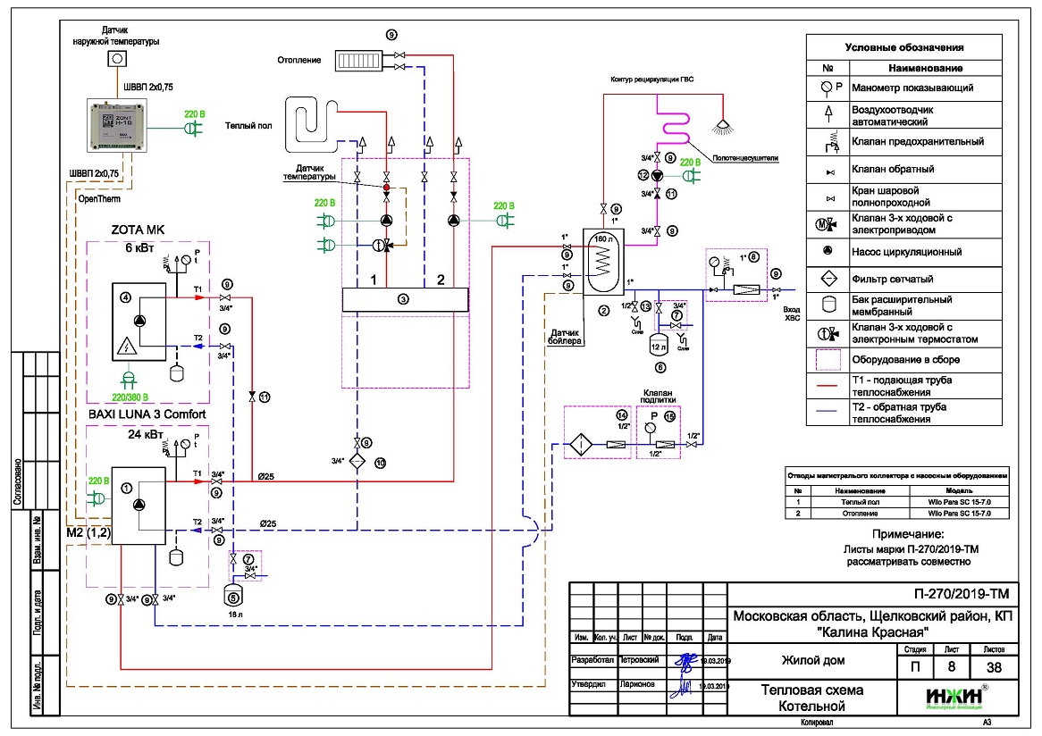
2. Тепломеханическая схема котельной с размещением оборудования в помещении 1-го этажа газобетонного дома.
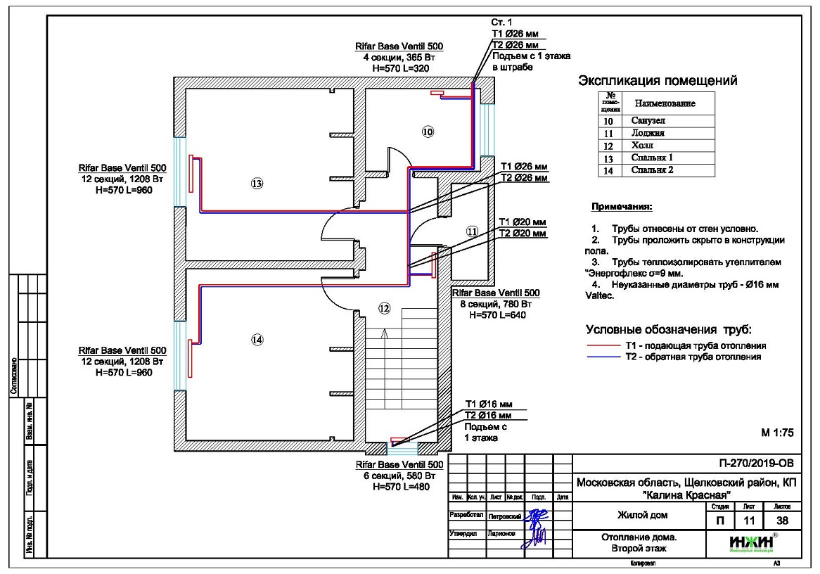
3. Комплект поэтажных чертежей радиаторного отопления дома в КП «Калина Красная».
4. Комплект чертежей теплого пола на площади 90 м.кв.
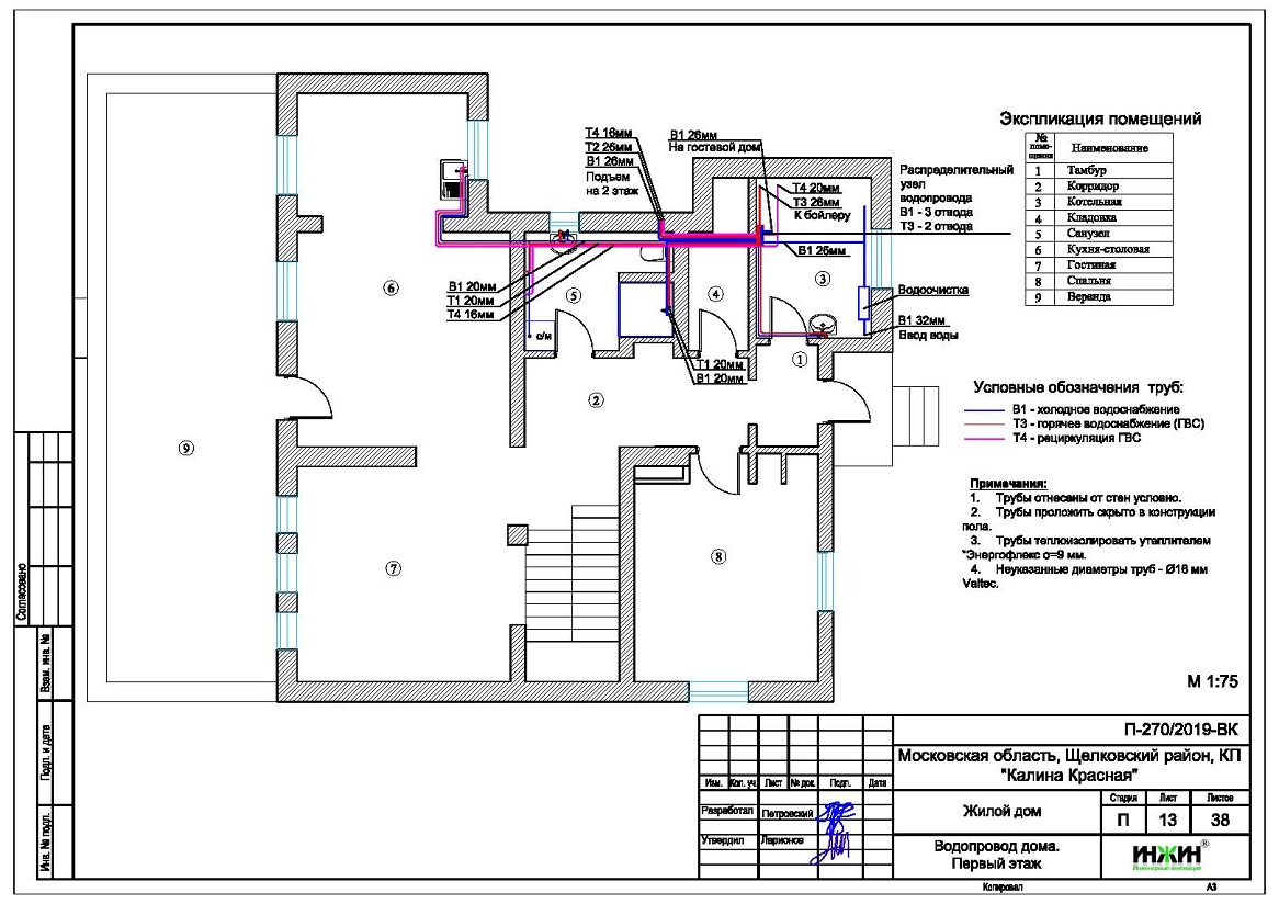
5. Комплект чертежей водоснабжения и канализации частного дома из газобетонных блоков.
6. Типовые схемы системы отопления канализации и водоснабжения дома 160 м.кв.
7. Теплотехнический расчет отопления дома из газобетонных блоков.
8. Спецификация материалов и оборудования по котельной, отоплению, канализации и водоснабжению дома в КП «Калина Красная».
Объем проекта отопления, канализации и водоснабжения кирпичного дома: 38 листов.
Описание проекта отопления, котельной, канализации и водоснабжения частного дома 160 м.кв. в КП «Калина Красная».
Котельная частного дома в КП «Калина Красная»(проект котельной бесплатно).
o Размещена в помещении 1-го этажа дома 160 м.кв.;
o Теплогенератор основной - настенный газовый котел Baxi Luna 3 Comfort 1.240 Fi, мощностью 24 кВт;
o Теплогенератор резервный - настенный электрический котел Zota MK, мощностью 6 кВт;
o Контуры теплоснабжения котельной – радиаторное отопление дома, теплый пол и горячее водоснабжение, для которого предусмотрен накопительный бойлер Drazice, объемом 160 литров;
o Расширительные баки отопления и бойлера Flamco, объемом 18 и 12 литров;
o Циркуляционные насосы отопления и бойлера Grundfos, использованы энергоэффективные насосы UPM3 Hybrid (в составе модуля Kombimix), аналог насосов серии Alpha;
o Дымоудаление принудительное, дымоход коаксиальный, комплект Baxi для прохода через кровлю, диаметр 60/100 мм;
o Распределительный коллектор - настенный компактный модуль Meibes Kombimix;
o Автоматика котельной – встроена в котел, с дополнительным GSM-термостатом ZONT H-1V.
Автоматизация котельной, отопления и теплого пола (вариант «Комфортный»).
o Автоматическое регулирование отопления по наружной температуре (погодное регулирование, встроено в котел);
o Дистанционный контроль работы газового котла отопления при помощи GSM-модуля и мобильного приложения ZONT.
Отопление дома в КП «Калина Красная» (проект отопления дома).
o Выполнен теплотехнический расчет отопления дома из газобетонных блоков (утеплитель стен и пола - плиты из пенопласта 100мм, кровли - базальтовая вата 200мм) с учетом теплопотерь через ограждающие конструкции при наружной температуре -28°С для Московской области (по СП 131.13330.2012), а также теплоотдачи помещений с теплым полом, расчетный расход тепла на отопление дома составил 10,81 кВт, удельные теплопотери 71,6 Вт/м.кв.;
o Подобраны приборы для отопления дома: биметаллические секционные радиаторы Rifar Base 500 с нижним подключением;
o Схема радиаторного отопления дома двухтрубная, с принудительной циркуляцией теплоносителя и температурным графиком 80/60°С;
o Трубы отопления из металлопластика Valtec;
o Теплоизоляция трубопроводов отопления Энергофлекс, толщиной 9мм;
o Теплоноситель в системе радиаторного отопления дома – подготовленная вода, предусмотрены средства защиты от образования накипи.
Водяной теплый пол дома КП «Калина Красная» (проект теплого пола).
o Водяной теплый пол в доме предусмотрен на площади 90 м.кв., коллектор теплого пола Valtec;
o Предусмотрен отдельный контур котельной для теплоснабжения водяного теплого пола дома;
o Трубопроводы теплого пола – сшитый полиэтилен Valtec PEX-EVON;
o Регулирование температуры теплого пола - общее, контуром котельной.
Внутренний водопровод дома в КП «Калина Красная» (проект водоснабжения).
o Схема внутреннего водоснабжения дома – тройниковая тупиковая с рециркуляцией горячей воды через водяные полотенцесушители, выполнен расчет 19-ти точек водоснабжения и полотенцесушителей;
o Трубопроводы системы водоснабжения – металлопластик Valtec;
o Теплоизоляция трубопроводов Энергофлекс Супер, толщиной 9мм;
o Для летнего водопровода предусмотрен наружный кран Meibes SEPP-Eis с защитой от замерзания.
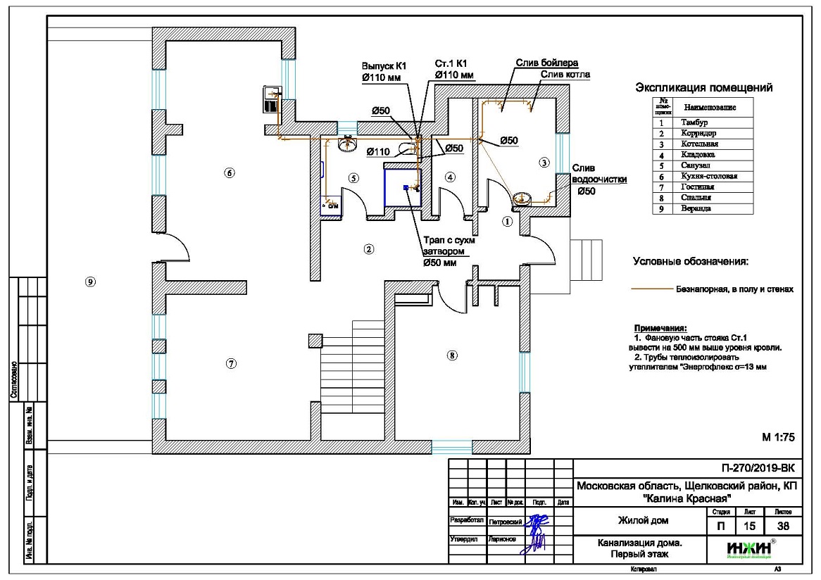
Внутренняя канализация (проект канализации) дома.
o Безнапорная, отвод стоков от санитарно-технических приборов предусмотрен в септик;
o Произведен расчет 12-ти точек бытовой канализации;
o Канализационные трубы Синикон, раструбные, из полипропилена.






















