Выполненные проекты
Проект отопления дома в c. Жаворонки
Объект: двухэтажный частный дом из газосиликатных блоков, площадью 196 м.кв. в с. Жаворонки Одинцовского района Московской области
Цена проекта отопления, канализации и водоснабжения: 27 540 руб. со скидкой 10%, проект котельной - бесплатно.
Проект котельной, отопления, водоснабжения и канализации выполнен: 13.09.2019
Состав проекта котельной, отопления, канализации и водоснабжения дома в с. Жаворонки:
1. Пояснительная записка проекта, общие данные по системам отопления, канализации и водоснабжения дома 196 м.кв. в Московской области.
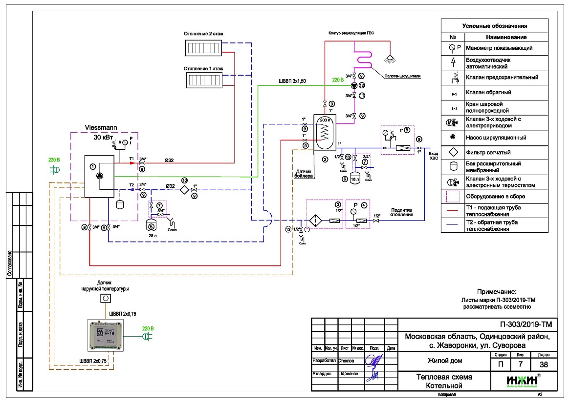
2. Тепломеханическая схема котельной с размещением оборудования в помещении 1-го этажа дома из газосиликатных блоков.
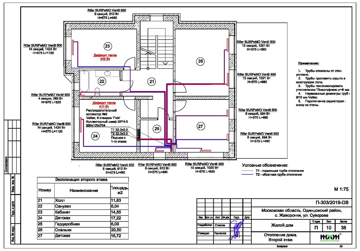
3. Комплект поэтажных чертежей радиаторного отопления дома в с. Жаворонки.
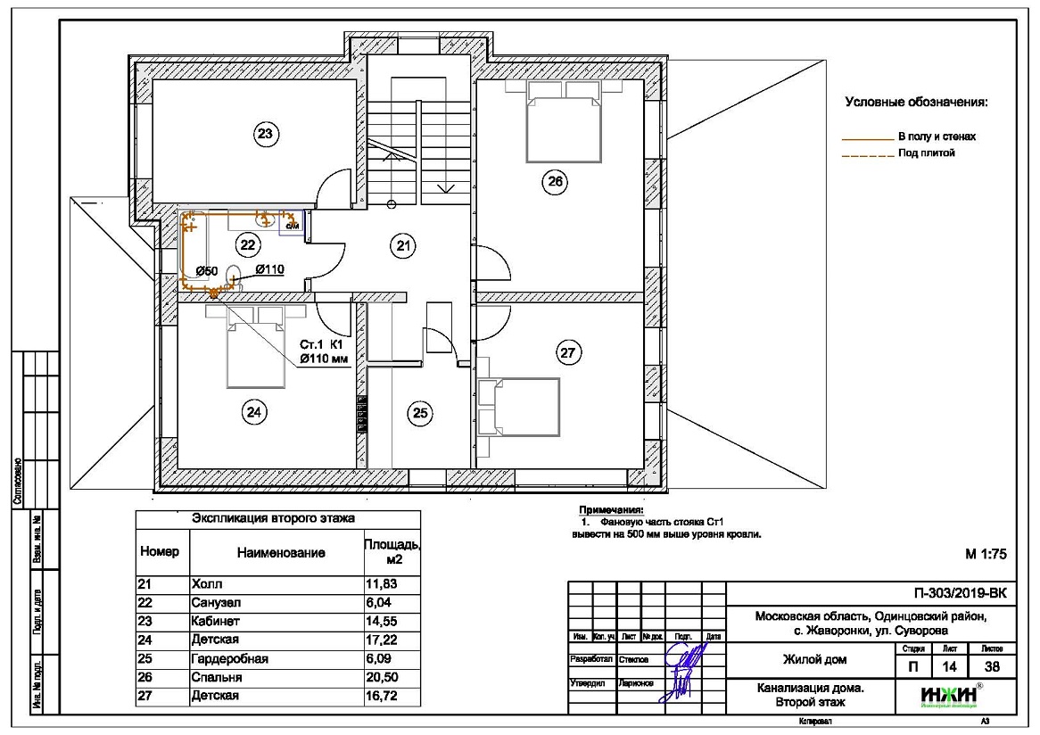
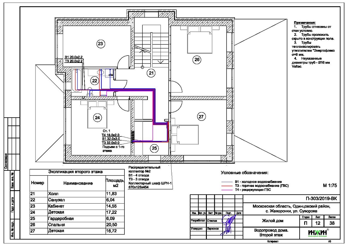
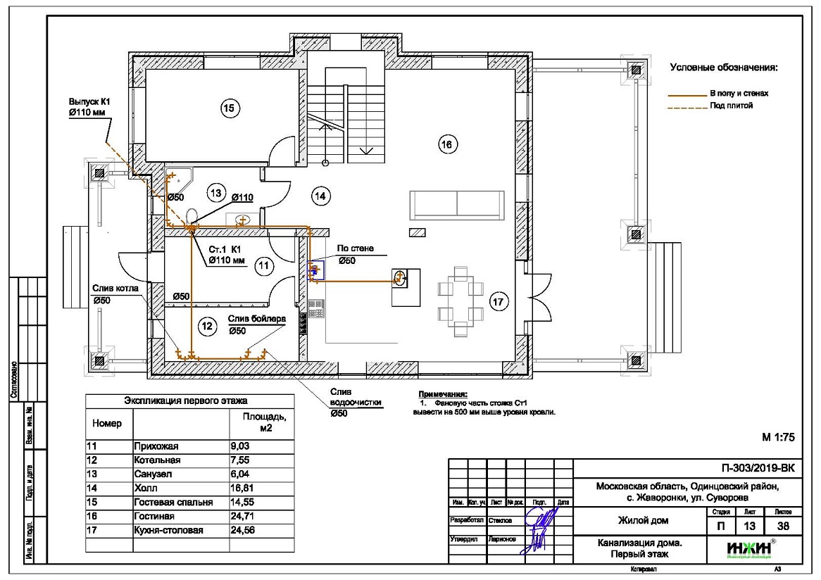
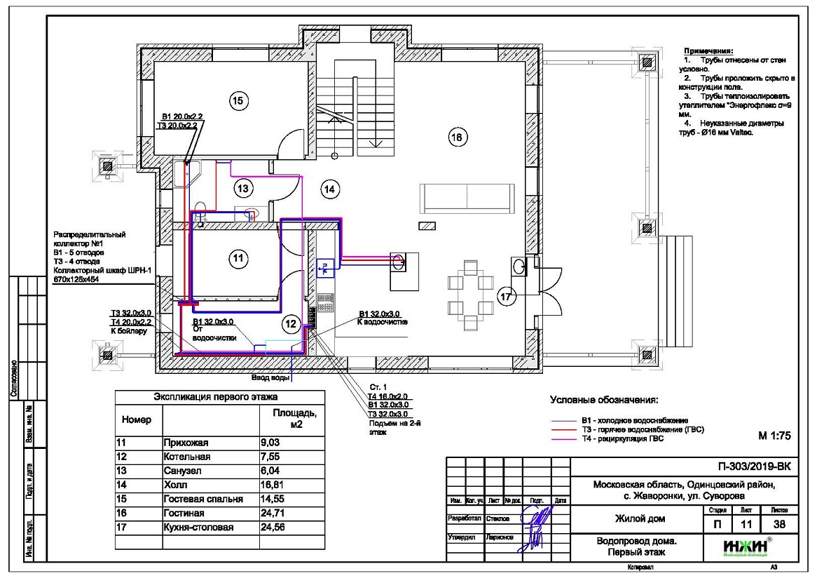
4. Комплект чертежей водоснабжения и канализации частного дома из газосиликатных блоков.
5. Типовые схемы системы отопления канализации и водоснабжения дома 196 м.кв.
6. Теплотехнический расчет отопления дома из газосиликатных блоков.
7. Спецификация материалов и оборудования по котельной, отоплению, канализации и водоснабжению дома в с. Жаворонки.
Объем проекта отопления, канализации и водоснабжения дома: 38 листов.
Описание проекта отопления, котельной, канализации и водоснабжения частного дома 196 м.кв. в с. Жаворонки.
Котельная частного дома в с. Жаворонки(проект котельной бесплатно).
o Размещена в помещении 1-го этажа дома 196 м.кв.;
o Теплогенератор - настенный газовый котел Viessmann, мощностью 30 кВт;
o Контуры теплоснабжения котельной – радиаторное отопление дома и горячее водоснабжение, для которого предусмотрен накопительный бойлер Viessmann, объемом 200 литров;
o Расширительные баки отопления и бойлера Flamco, объемом 25 и 18 литров;
o Циркуляционный насос отопления и бойлера Grundfos, встроен в котел;
o Дымоудаление принудительное, дымоход коаксиальный, комплект Viessmannдля прохода через стену, диаметр 60/100 мм;
o Распределительный коллектор не предусмотрен;
o Автоматика котельной – встроена в котел.
Автоматизация котельной и отопления (вариант «Базовый»): автоматическое регулирование отопления по наружной температуре (погодное регулирование, встроено в котел). Дополнительно предусмотрен дистанционный контроль работы газового котла отопления при помощи GSM-модуля и мобильного приложения ZONT.
Отопление дома в с. Жаворонки (проект отопления дома).
o Выполнен теплотехнический расчет отопления дома из газосиликатных блоков (утеплитель кровли - плиты из минеральной ваты 250мм, пола - пенополистирол 100мм) с учетом теплопотерь через ограждающие конструкции при наружной температуре -28°С для Московской области (по СП 131.13330.2012), расчетный расход тепла на отопление дома составил 19,43 кВт, удельные теплопотери 99,1 Вт/м.кв.;
o Подобраны приборы для отопления дома: биметаллические секционные радиаторы Rifar SUPREMO Ventil с нижним подключением, а также стальные трубчатые радиаторы "Гармония" (КЗТО);
o Схема радиаторного отопления дома двухтрубная, коллекторно-лучевая, с принудительной циркуляцией теплоносителя и температурным графиком 80/60°С;
o Трубы отопления из металлопластика Valtec;
o Теплоизоляция трубопроводов отопления Энергофлекс, толщиной 9мм;
o Теплоноситель в системе радиаторного отопления дома – подготовленная вода, предусмотрены средства защиты от образования накипи.
Водяной теплый пол дома в с. Жаворонки проектом не предусмотрен.
Внутренний водопровод дома в с. Жаворонки(проект водоснабжения).
o Схема внутреннего водоснабжения дома – коллекторно-лучевая с рециркуляцией горячей воды через водяные полотенцесушители, выполнен расчет 18-и точек водоснабжения и полотенцесушителей;
o Трубопроводы системы водоснабжения – из металлопластика Valtec;
o Теплоизоляция трубопроводов Энергофлекс Супер, толщиной 9мм.
Внутренняя канализация (проект канализации) дома в с. Жаворонки.
o Безнапорная, отвод стоков от санитарно-технических приборов предусмотрен в септик;
o Произведен расчет 11-ти точек бытовой канализации;
o Канализационные трубы Синикон, раструбные, из полипропилена.
Заказать в нашей компании проект отопления, водоснабжения и канализации загородного дома в Московской области со скидкой.
Для этого дома площадью 196 м.кв. выполнен проект электрики.





















