Выполненные проекты
Проект отопления дома из бруса в КП "Акватория Истры"
Объект: двухэтажный загородный дом из клеенного бруса, общей площадью 205 м.кв. в КП "Акватория Истры" Московской области
Вариант отопления: «Комфортный»
Цена проекта отопления, канализации и водоснабжения: 28 251 руб. со скидкой 10%, проект котельной - бесплатно.
Проект котельной, отопления, водоснабжения и канализации дома в КП "Акватория Истры" выполнен: 03.02.2020
Состав проекта котельной, отопления, канализации и водоснабжения дома в КП "Акватория Истры":
1. Пояснительная записка проекта, общие данные по системам отопления, канализации и водоснабжения дома 205 м.кв. в Московской области.
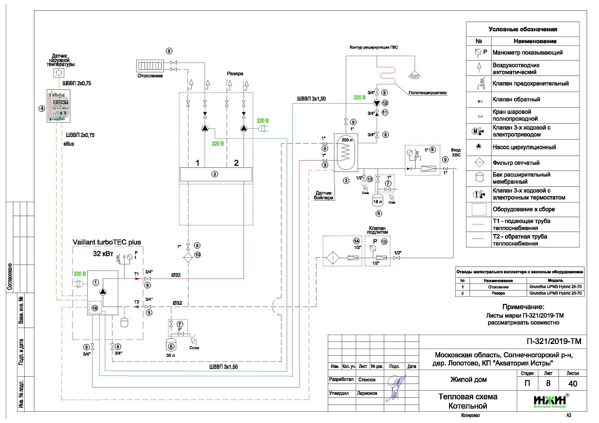
2. Тепломеханическая схема котельной с размещением оборудования в помещении 1-го этажа дома.
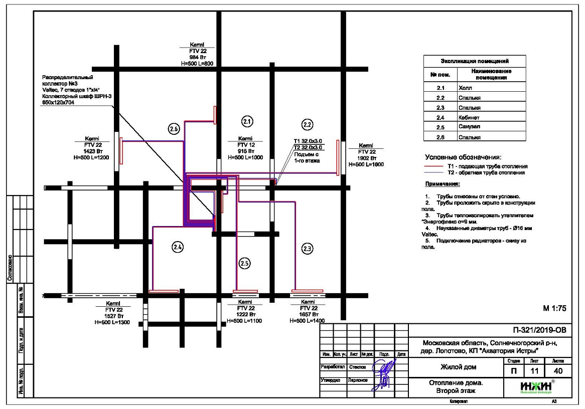
3. Комплект поэтажных чертежей радиаторного отопления дома в КП "Акватория Истры".
4. Комплект чертежей теплого пола дома на площади 8 м.кв.
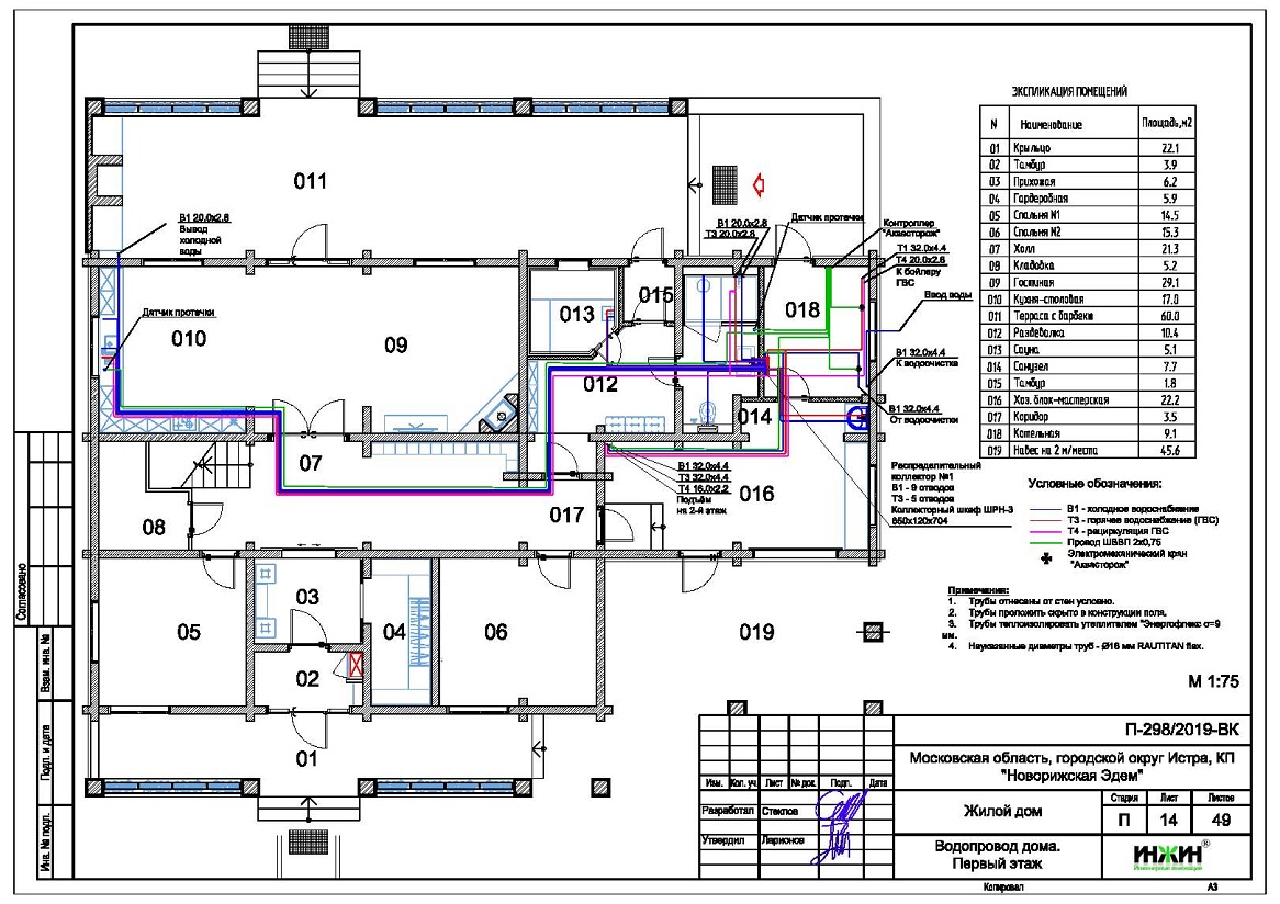
5. Комплект чертежей водоснабжения и канализации частного дома 205 м.кв.
6. Типовые схемы системы отопления канализации и водоснабжения дома из бруса 205 м.кв.
7. Теплотехнический расчет отопления деревянного дома 205 м.кв.
8. Спецификация материалов и оборудования по котельной, отоплению, канализации и водоснабжению дома в КП "Акватория Истры".
Объем проекта отопления, канализации и водоснабжения деревянного дома: 40 листов.
Описание проекта отопления, котельной, канализации и водоснабжения частного дома из бруса в КП "Акватория Истры".
Котельная частного дома в КП "Акватория Истры"(проект котельной бесплатно).
o Размещена в помещении 1-го этажа дома;
o Теплогенератор котельной - настенный газовый котел Vaillant, мощностью 32 кВт;
o Контуры теплоснабжения котельной – радиаторное отопление дома, отопление гостевого дома (резерв) и горячее водоснабжение, для которого предусмотрен накопительный бойлер Vaillant, объемом 200 литров (подключение к котлу);
o Расширительные баки отопления и бойлера Flamco, объемом 35 и 18 литров;
o Циркуляционные насосы отопления, теплого пола и бойлера Grundfos, использованы энергоэффективные насосы UPM3 Hybrid (в составе насосных групп), аналог насосов серии Alpha;
o Дымоудаление газового котла принудительное, дымоход коаксиальный, комплект Vaillant для прохода через стену, диаметр 60/100 мм;
o Распределительный коллектор - компактный модуль Meibes Kombimix с насосными группами;
o Автоматика котельной – встроена в котел с дополнительным GSM-модулем ZONT.
Автоматизация котельной, отопления и теплого пола (вариант «Комфортный»).
o Автоматическое регулирование отопления по наружной температуре (погодное регулирование, при помощи встроенной автоматики и модуля ZONT);
o Дистанционный контроль и управление работой газового котла отопления при помощи GSM-модуля и мобильного приложения ZONT.
Отопление дома в КП "Акватория Истры" (проект отопления деревянного дома).
o Выполнен теплотехнический расчет отопления дома из клеенного бруса(утеплитель кровли - минеральная вата 150мм, пола - пенополистирол 100мм) с учетом теплопотерь через ограждающие конструкции при наружной температуре -28°С для Московской области (по СП 131.13330.2012), а также теплоотдачи теплого пола (в помещении санузла), расчетный расход тепла на отопление составил 24,5 кВт, удельные теплопотери 117,1 Вт/м.кв.;
o Подобраны приборы для отопления дома: стальные панельные радиаторы KERMI с нижним подключением (из пола);
o Схема радиаторного отопления дома двухтрубная, коллекторно-лучевая, с принудительной циркуляцией теплоносителя и температурным графиком 80/60°С, коллекторы отопления Valtec, на 7 отводов (3 шт.);
o Трубы отопления из металлопластика Valtec;
o Теплоизоляция трубопроводов отопления Энергофлекс, толщиной 9мм;
o Теплоноситель в системе радиаторного отопления дома – подготовленная вода, предусмотрены средства защиты от образования накипи.
Водяной теплый пол дома в КП "Акватория Истры"(проект теплого пола).
o Водяной теплый пол в доме предусмотрен на площади 8 м.кв., на контуре рециркуляции горячего водоснабжения с использованием монтажного комплекта Valtec ICBOX;
o Трубопроводы теплого пола – сшитый полиэтилен Valtec, основание для укладки - плиты ENERGOFLOOR PIPELOCK (Энергофлекс);
o Регулирование температуры теплого пола - арматурой монтажного комплекта.
Внутренний водопровод дома в КП "Акватория Истры" (проект водоснабжения).
o Схема внутреннего водоснабжения дома – коллекторно-лучевая с рециркуляцией горячей воды через полотенцесушители, выполнен расчет 22-х точек водоснабжения;
o Трубопроводы системы водоснабжения – из металлопластика Valtec;
o Теплоизоляция трубопроводов Энергофлекс Супер, толщиной 9мм;
o Для летнего водопровода предусмотрено два наружных крана Meibes SEPP-Eis с защитой от замерзания.
Внутренняя канализация (проект канализации) дома в КП "Акватория Истры".
o Безнапорная, отвод стоков от санитарно-технических приборов предусмотрен в септик;
o Произведен расчет 12-ти точек бытовой канализации для дома, предусмотрено три противовакуумных клапана 110мм;
o Канализационные трубы Синикон, раструбные, из полипропилена, диаметром 50 и 110мм.






















