Выполненные проекты
Проект отопления дома 159 м.кв. из газобетона
Объект: одноэтажный загородный дом (с подвалом) из газобетонных блоков, площадью 159 м.кв., расположенный в дер. Яковлево Дмитровского района Московской области
Вариант отопления: «Комфортный»
Цена проекта отопления, канализации и водоснабжения: 22 390 руб. со скидкой 10%, проект котельной - бесплатно.
Проект котельной, отопления, водоснабжения и канализации выполнен: 05.05.2020
Состав проекта котельной, отопления, канализации и водоснабжения дома в дер. Яковлево:
1. Пояснительная записка проекта, общие данные по системам отопления, канализации и водоснабжения дома 159 м.кв. в Московской области.
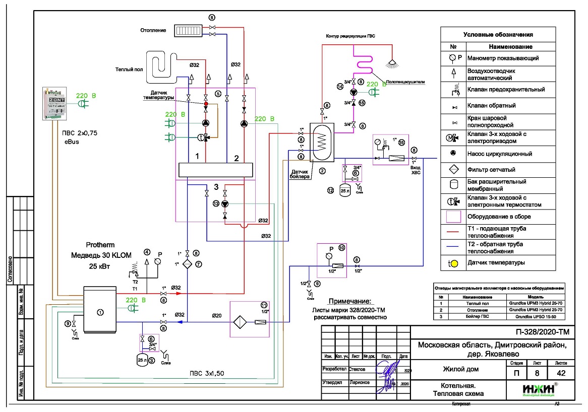
2. Тепломеханическая схема котельной с размещением оборудования в отдельном помещении дома из газобетонных блоков.
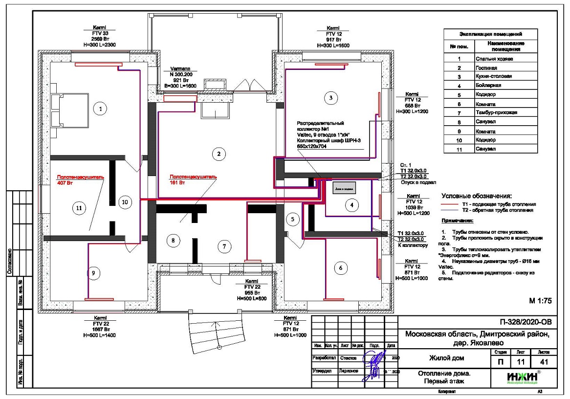
3. Комплект поэтажных чертежей радиаторного отопления дома в дер. Яковлево.
4. Комплект чертежей теплого пола на площади 69 м.кв.
5. Комплект чертежей водоснабжения и канализации частного дома из газобетонных блоков.
6. Типовые схемы системы отопления канализации и водоснабжения дома 159 м.кв.
7. Теплотехнический расчет отопления дома из газобетонных блоков.
8. Спецификация материалов и оборудования по котельной, отоплению, канализации и водоснабжению дома в дер. Яковлево.
Объем проекта отопления, канализации и водоснабжения дома: 42 листа.
Описание проекта отопления, котельной, канализации и водоснабжения частного дома 159 м.кв. в дер. Яковлево.
Котельная частного дома в дер. Яковлево (проект котельной бесплатно).
o Размещена в отдельном помещении дома 159 м.кв.;
o Теплогенератор - напольный газовый котел Protherm Медведь 30KLOM, мощностью 26 кВт;
o Контуры теплоснабжения котельной – радиаторное отопление дома, теплый пол и горячее водоснабжение, для которого предусмотрен накопительный бойлер Protherm, объемом 200 литров (подключение к коллектору котельной);
o Расширительные баки отопления и бойлера Flamco, объемом 25 литров каждый;
o Циркуляционные насосы отопления и бойлера Grundfos, использованы энергоэффективные насосы UPM3 Hybrid (в составе насосных групп Meibes), аналог насосов серии Alpha;
o Дымоудаление естественное, дымоход из нержавеющей стали ROSINOX, диаметр 130 мм;
o Распределительный коллектор - настенный модуль Meibes Kombimix, с функцией гидравлического разделителя и опциональной группой загрузки бойлера;
o Автоматика котельной – встроена в котел с дополнительным GSM-модулем ZONT.
Отопление дома в дер. Яковлево (проект отопления дома).
o Выполнен теплотехнический расчет отопления дома из газобетонных блоков (утеплитель кровли - каменная вата Rockwool, 200мм, стен - базальтовая вата 50мм, пола - пенополистирол 100мм) с учетом теплопотерь через ограждающие конструкции при наружной температуре -28°С для Московской области (по СП 131.13330.2012), а также теплоотдачи помещений с теплым полом, расчетный расход тепла на отопление дома составил 16,8 кВт, удельные теплопотери 94,5 Вт/м.кв.;
o Подобраны приборы для отопления дома: стальные панельные радиаторы KERMI с нижним подключением и встроенный в пол конвектор Varmann с естественной конвекцией;
o Схема радиаторного отопления дома двухтрубная, коллекторно-лучевая, с принудительной циркуляцией теплоносителя и температурным графиком 80/60°С;
o Трубы отопления из металлопластика Valtec;
o Теплоизоляция трубопроводов отопления Энергофлекс, толщиной 9мм;
o Теплоноситель в системе радиаторного отопления дома – подготовленная вода, предусмотрены средства защиты от образования накипи в системе отопления.
Водяной теплый пол дома в дер. Яковлево (проект теплого пола).
o Водяной теплый пол в доме предусмотрен на площади 69 м.кв., коллектор теплого пола Valtec на 10 отводов;
o Предусмотрен отдельный контур котельной для теплоснабжения водяного теплого пола дома (насосная группа котельной);
o Трубопроводы теплого пола – сшитый полиэтилен Valtec PEX-EVON;
o Регулирование температуры теплого пола - общее, контуром котельной.
Внутренний водопровод дома в дер. Яковлево (проект водоснабжения).
o Схема внутреннего водоснабжения дома – коллекторно-лучевая с рециркуляцией горячей воды через водяные полотенцесушители, выполнен расчет 27-и точек водоснабжения и полотенцесушителей;
o Трубопроводы системы водоснабжения – из металлопластика Valtec;
o Предусмотрена система защиты от протечки воды "Аквасторож" с двумя электромеханическими кранами и пятью датчиками протечки;
o Теплоизоляция трубопроводов Энергофлекс Супер, толщиной 9мм;
o Летний водопровод проектом не предусмотрен.
Внутренняя канализация (проект канализации) дома в дер. Яковлево.
o Комбинированная - безнапорная, с напорным участком в подвале, отвод стоков от санитарно-технических приборов предусмотрен в септик;
o Произведен расчет 12-ти точек бытовой канализации и канализационно-насосной станции Grundfos Sololift2 С-3;
o Канализационные трубы Синикон, раструбные, из полипропилена, напорные трубы из армированного полипропилена диаметром 40мм.
Заказать в нашей компании проект отопления, водоснабжения и канализации загородного дома в Московской области со скидкой.
Для этого дома в дер. Яковлево выполнен проект электрики и слаботочки.






















