Выполненные проекты
Проект отопления дома из бруса, площадью 220 м.кв.
Объект: двухэтажный загородный дом из бруса общей площадью 220 м.кв. в ДНП "Селинские Дачи" г.о. Клин Московской области
Цена проекта отопления, канализации и водоснабжения: 29 700 руб. со скидкой 10%, проект котельной - бесплатно.
Проект котельной, отопления, водоснабжения и канализации дома в ДНП "Селинские Дачи" выполнен: 12.08.2020
Состав проекта котельной, отопления, канализации и водоснабжения дома в ДНП "Селинские Дачи":
1. Пояснительная записка проекта, общие данные по системам отопления, канализации и водоснабжения дома 220 м.кв. в Московской области.
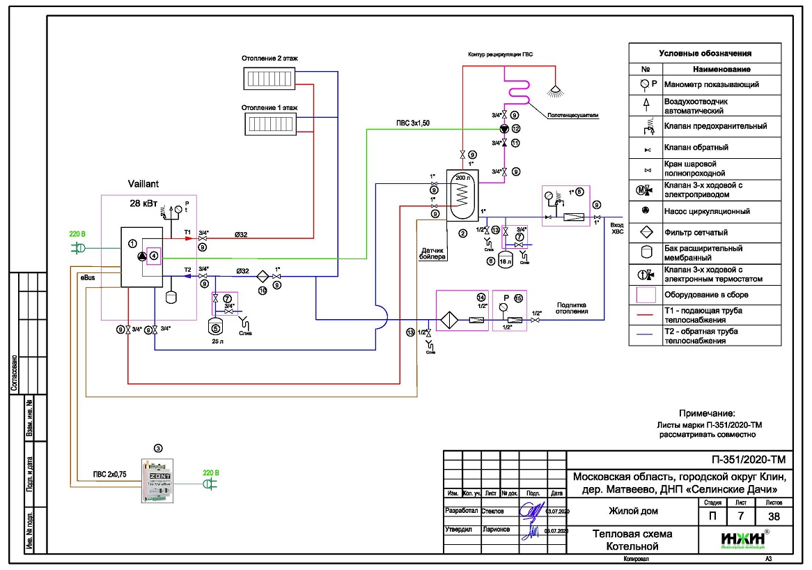
2. Тепломеханическая схема котельной с размещением оборудования в помещении 1-го этажа дома в ДНП "Селинские Дачи".
3. Комплект поэтажных чертежей радиаторного отопления дома в ДНП "Селинские Дачи".
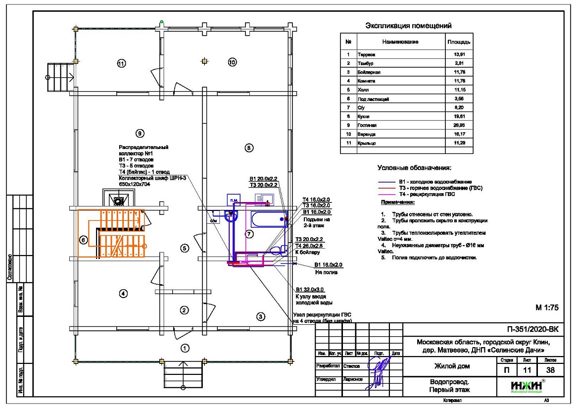
4. Комплект чертежей водоснабжения и канализации частного дома 220 м.кв.
5. Типовые схемы системы отопления канализации и водоснабжения дома из бруса 220 м.кв.
6. Теплотехнический расчет отопления деревянного дома 220 м.кв.
7. Спецификация материалов и оборудования по котельной, отоплению, канализации и водоснабжению дома в ДНП "Селинские Дачи"
Объем проекта отопления, канализации и водоснабжения деревянного дома: 38 листов.
Описание проекта отопления, котельной, канализации и водоснабжения частного дома из бревна в ДНП "Селинские Дачи".
Котельная частного дома в ДНП "Селинские Дачи"(проект котельной бесплатно).
o Размещена в помещении 1-го этажа дома в ДНП "Селинские Дачи";
o Теплогенератор котельной - настенный газовый котел Vaillant, мощностью 28 кВт;
o Контуры теплоснабжения котельной – радиаторное отопление дома и горячее водоснабжение, для которого предусмотрен накопительный бойлер Vaillant, объемом 200 литров (подключение к котлу);
o Расширительные баки отопления и бойлера Flamco, объемом 25 и 18 литров;
o Циркуляционный насос отопления и бойлера Grundfos, встроен в котел;
o Дымоудаление газового котла принудительное, дымоход коаксиальный, комплект Vaillant для прохода через стену, диаметр 60/100 мм;
o Распределение теплоносителя встроено в котел;
o Автоматика котельной – встроена в котел с дополнительным GSM-модулем ZONT.
Отопление дома в ДНП "Селинские Дачи" (проект отопления деревянного дома).
o Выполнен теплотехнический расчет отопления дома из струганого бруса(утеплитель кровли - минеральная вата 250мм, пола - базальтовая вата 200мм) с учетом теплопотерь через ограждающие конструкции при наружной температуре -28°С для Московской области (по СП 131.13330.2012), расчетный расход тепла на отопление составил 18,6 кВт, удельные теплопотери 104,9 Вт/м.кв.;
o Подобраны приборы для отопления дома: стальные панельные радиаторы KERMI с нижним подключением (из пола);
o Схема радиаторного отопления дома двухтрубная, коллекторно-лучевая, с принудительной циркуляцией теплоносителя и температурным графиком 80/60°С, коллекторы отопления Valtec, на 6 и 11 отводов;
o Трубы отопления из металлопластика Valtec;
o Теплоизоляция трубопроводов отопления Энергофлекс, толщиной 9мм;
o Теплоноситель в системе радиаторного отопления дома – подготовленная вода, предусмотрены средства защиты от образования накипи.
Водяной теплый пол проектом не предусмотрен.
Внутренний водопровод дома в ДНП "Селинские Дачи"(проект водоснабжения).
o Схема внутреннего водоснабжения дома – коллекторно-лучевая с рециркуляцией горячей воды через полотенцесушители, выполнен расчет 14-ти точек водоснабжения;
o Трубопроводы системы водоснабжения – из металлопластика Valtec;
o Теплоизоляция трубопроводов Энергофлекс Супер, толщиной 9мм;
o Для летнего водопровода предусмотрен наружный кран водоразборный, со сливом на зимний период.
Внутренняя канализация (проект канализации) дома в ДНП "Селинские Дачи".
o Безнапорная, отвод стоков от санитарно-технических приборов предусмотрен в септик;
o Произведен расчет 11-ти точек бытовой канализации для дома;
o Канализационные трубы Синикон, раструбные, из полипропилена, диаметром 50 и 110мм.
Заказать в нашей компании проект отопления, водоснабжения и канализации загородного дома из бруса со скидкой.
Для этого дома выполнен проект электрики.






















