Выполненные проекты
Проект отопления дома 290 м.кв. в КП "Лосиный Парк 2"
Объект: двухэтажный загородный дом из газоблоков, площадью 290 м.кв., расположенный в КП "Лосиный Парк 2" Московской области
Вариант отопления: «Комфортный»
Цена проекта отопления, канализации и водоснабжения: 33 030 руб. со скидкой 10%, проект котельной - бесплатно.
Проект котельной, отопления, водоснабжения и канализации выполнен: 21.08.2020
Состав проекта котельной, отопления, канализации и водоснабжения дома в КП "Лосиный Парк 2":
1. Пояснительная записка проекта, общие данные по системам отопления и водоснабжения дома 290 м.кв. в Московской области.
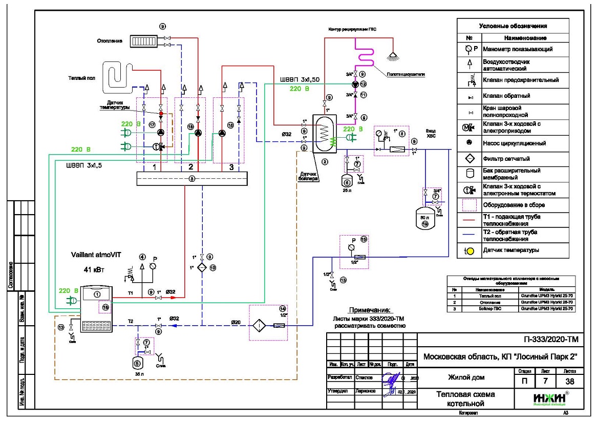
2. Тепломеханическая схема котельной с размещением оборудования в отдельном помещении дома из газоблоков.
3. Комплект поэтажных чертежей радиаторного отопления дома в КП "Лосиный Парк 2".
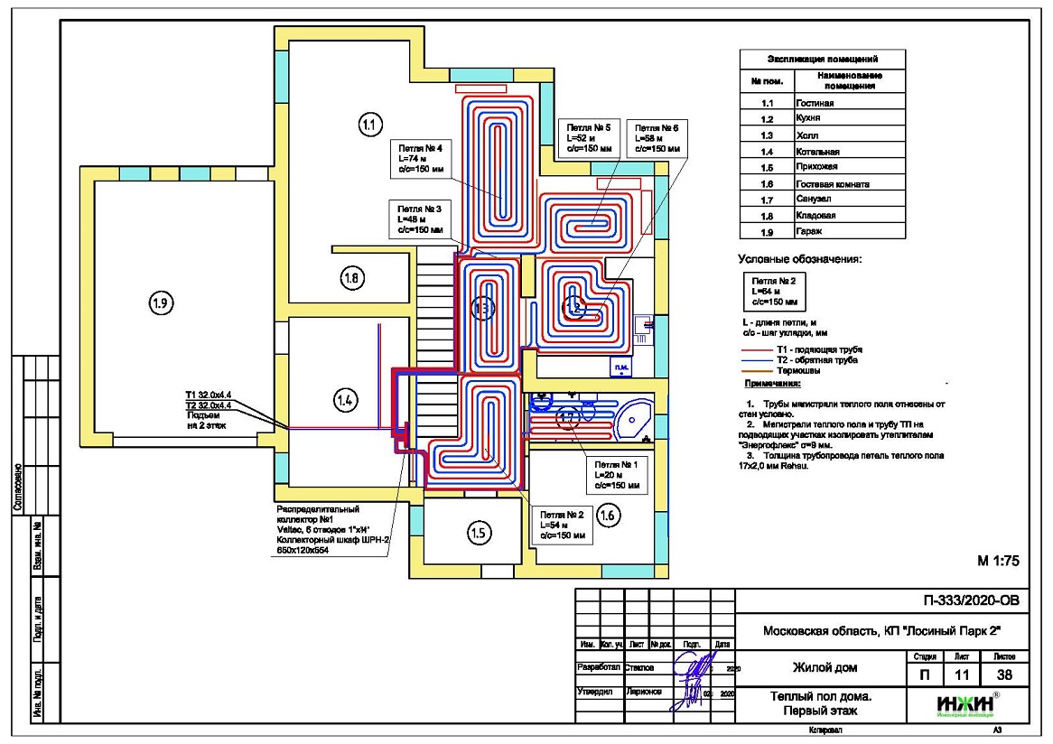
4. Комплект чертежей теплого пола на площади 60 м.кв.
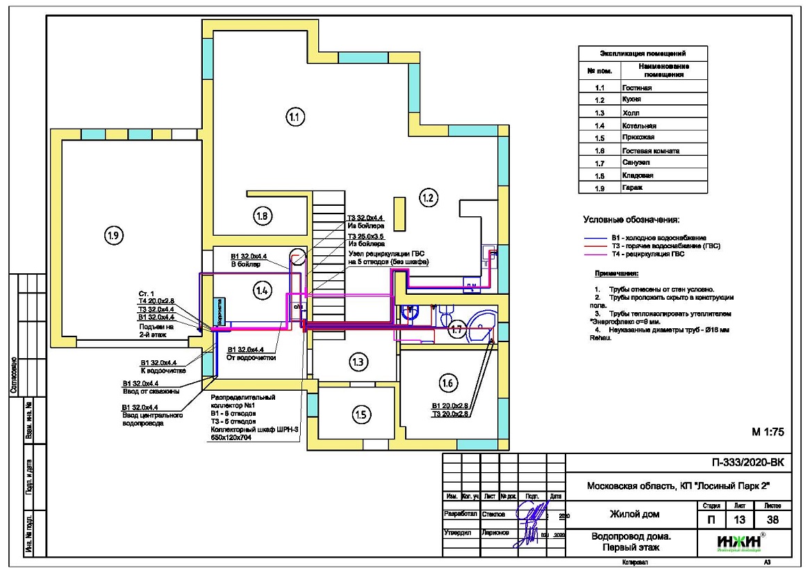
5. Комплект чертежей водоснабжения частного дома из газоблоков.
6. Типовые схемы системы отопления канализации и водоснабжения дома 290 м.кв.
7. Теплотехнический расчет отопления дома из газобетонных блоков.
8. Спецификация материалов и оборудования по котельной, отоплению и водоснабжению дома в КП "Лосиный Парк 2".
Объем проекта отопления и водоснабжения дома: 38 листов.
Описание проекта отопления, котельной и водоснабжения частного дома 290 м.кв. в КП "Лосиный Парк 2".
Котельная частного дома в КП "Лосиный Парк 2"(проект котельной бесплатно).
o Размещена в отдельном помещении дома 290 м.кв.;
o Теплогенератор - напольный газовый котел Vaillant atmoVIT, мощностью 41 кВт;
o Контуры теплоснабжения котельной – радиаторное отопление дома, теплый пол и горячее водоснабжение, для которого предусмотрен накопительный комбинированный (со встроенным ТЭНом) бойлер Drazice, объемом 200 литров (подключение к коллектору котельной);
o Расширительные баки отопления и бойлера Flamco, объемом 35 и 25 литров оответственно;
o Циркуляционные насосы отопления и бойлера Grundfos, использованы энергоэффективные насосы UPM3 Hybrid (в составе насосных групп Meibes), аналог насосов серии Alpha;
o Дымоудаление естественное, дымоход из нержавеющей стали ROSINOX, диаметр 180 мм;
o Распределительный коллектор - настенный Meibes, с насосными группами;
o Автоматика котельной – встроена в котел.
Отопление дома в КП "Лосиный Парк 2" (проект отопления дома).
o Выполнен теплотехнический расчет отопления дома из газобетонных блоков (утеплитель кровли - минеральная вата Rockwool, 200мм, пола - пенополистирол 50мм) с учетом теплопотерь через ограждающие конструкции при наружной температуре -28°С для Московской области (по СП 131.13330.2012), расчетный расход тепла на отопление дома составил 20,5 кВт, удельные теплопотери 73,5 Вт/м.кв.;
o Подобраны приборы для отопления дома: стальные панельные радиаторы KERMI с нижним подключением и встроенные в пол конвектор Varmann с естественной конвекцией;
o Схема радиаторного отопления дома двухтрубная, коллекторно-лучевая, с принудительной циркуляцией теплоносителя и температурным графиком 80/60°С;
o Трубы отопления из сшитого полиэтилена Rehau;
o Теплоизоляция трубопроводов отопления Энергофлекс, толщиной 9мм;
o Теплоноситель в системе радиаторного отопления дома – подготовленная вода, предусмотрены средства защиты от образования накипи в системе отопления.
Водяной теплый пол дома в КП "Лосиный Парк 2" (проект теплого пола).
o Водяной теплый пол в доме предусмотрен на площади 60 м.кв., коллекторы теплого пола Valtec на 2 и 6 отводов;
o Предусмотрен отдельный контур котельной для теплоснабжения водяного теплого пола дома (насосная группа котельной);
o Трубопроводы теплого пола – сшитый полиэтилен Rehau;
o Регулирование температуры теплого пола - общее, контуром котельной.
Внутренний водопровод дома в КП "Лосиный Парк 2" (проект водоснабжения).
o Схема внутреннего водоснабжения дома – коллекторно-лучевая с рециркуляцией горячей воды через водяные полотенцесушители, выполнен расчет 33-и точки водоснабжения и полотенцесушителей;
o Трубопроводы системы водоснабжения – из сшитого полиэтилена Rehau;
o Теплоизоляция трубопроводов Энергофлекс Супер, толщиной 9мм;
o Летний водопровод проектом не предусмотрен.






















