Выполненные проекты
Проект отопления таунхауса в КП "Футуро Парк" (168 м.кв.)
Объект: таунхаус из монолитного бетона, площадью 168 м.кв., расположенный в КП "Футуро Парк" Московской области
Вариант отопления: «Комфортный»
Цена проекта отопления, канализации и водоснабжения: 24 048 руб. со скидкой 10%, проект котельной - бесплатно.
Проект котельной, отопления, водоснабжения и канализации выполнен: 27.01.2021
Состав проекта котельной, отопления, канализации и водоснабжения таунхауса в КП "Футуро Парк":
1. Пояснительная записка проекта, общие данные по системам отопления, канализации и водоснабжения таунхауса 168 м.кв. в Московской области.
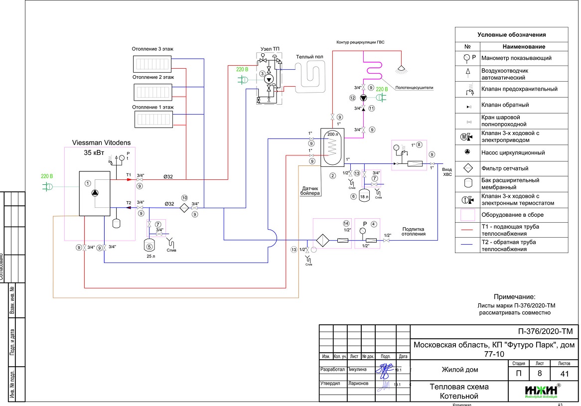
2. Тепломеханическая схема котельной с размещением оборудования в отдельном помещении таунхауса из монолитного бетона.
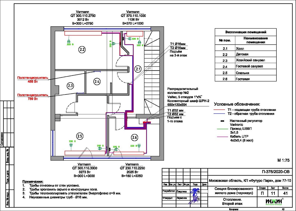
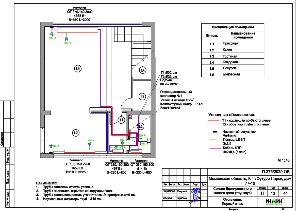
3. Комплект поэтажных чертежей радиаторного отопления таунхауса в КП "Футуро Парк".
4. Комплект чертежей теплого пола на площади 19 м.кв.
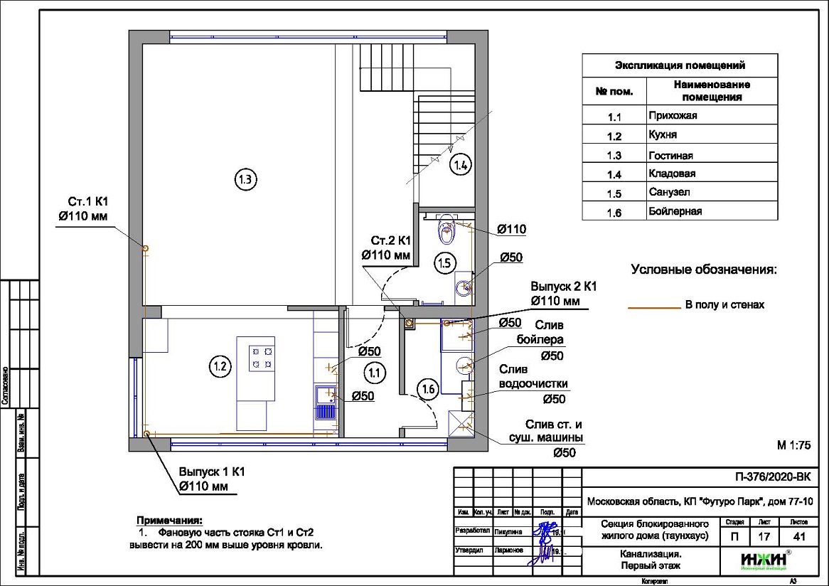
5. Комплект чертежей водоснабжения и канализации таунхауса из монолитного бетона.
6. Типовые схемы системы отопления канализации и водоснабжения таунхауса 168 м.кв.
7. Теплотехнический расчет отопления таунхауса из монолитного бетона.
8. Спецификация материалов и оборудования по котельной, отоплению, канализации и водоснабжению таунхауса в КП "Футуро Парк".
Объем проекта отопления, канализации и водоснабжения таунхауса: 41 лист.
Описание проекта отопления, котельной, канализации и водоснабжения таунхауса 168 м.кв. в КП "Футуро Парк".
Котельная таунхауса в КП "Футуро Парк"(проект котельной бесплатно).
o Размещена в отдельном помещении бойлерной таунхауса 168 м.кв.;
o Теплогенератор - настенный газовый котел Viessmann Vitodens W100, мощностью 35 кВт (установлен на объекте);
o Контуры теплоснабжения котельной – радиаторное отопление, теплый пол и горячее водоснабжение, для которого предусмотрен накопительный бойлер Viessmann Vitocell, объемом 200 литров (подключение к котлу);
o Расширительные баки отопления и бойлера Flamco, объемом 25 и 18 литров;
o Циркуляционные насос отопления и бойлера Grundfos встроен в котел;
o Дымоудаление выполнено на объекте;
o Распределительный коллектор не предусмотрен;
o Автоматика котельной – встроена в котел.
Отопление таунхауса в КП "Футуро Парк" (проект отопления дома).
o Выполнен теплотехнический расчет отопления таунхауса из монолитного бетона (утеплитель кровли - пеноплекс, 150мм, стен - минеральная вата 180мм) с учетом теплопотерь через ограждающие конструкции при наружной температуре -28°С для Московской области (по СП 131.13330.2012), расчетный расход тепла на отопление таунхауса составил 20,13 кВт, удельные теплопотери 143,5 Вт/м.кв.;
o Подобраны приборы для отопления таунхауса: стальные панельные радиаторы KERMI с нижним подключением и встроенные в пол конвекторы Varmann с принудительной конвекцией;
o Схема радиаторного отопления дома двухтрубная, коллекторно-лучевая, с принудительной циркуляцией теплоносителя и температурным графиком 80/60°С;
o Трубы отопления из сшитого полиэтилена Rehau;
o Теплоизоляция трубопроводов отопления Valtec, толщиной 6 мм;
o Теплоноситель в системе радиаторного отопления таунхауса – подготовленная вода, предусмотрены средства защиты от образования накипи в системе отопления.
Водяной теплый пол таунхауса в КП "Футуро Парк" (проект теплого пола).
o Водяной теплый пол в доме предусмотрен на площади 19 м.кв., коллектор теплого пола Valtec на 7 отводов;
o Предусмотрен отдельный контур котельной для теплоснабжения водяного теплого пола таунхауса (смесительный узел на контуре отопления);
o Трубопроводы теплого пола – сшитый полиэтилен Rehau;
o Регулирование температуры теплого пола - общее, смесительным узлом.
Внутренний водопровод таунхауса в КП "Футуро Парк" (проект водоснабжения).
o Схема внутреннего водоснабжения таунхауса – коллекторно-лучевая с рециркуляцией горячей воды через водяные полотенцесушители, выполнен расчет 25-и точек водоснабжения и полотенцесушителей;
o Трубопроводы системы водоснабжения – из сшитого полиэтилена Rehau;
o Теплоизоляция трубопроводов Valtec, толщиной 6 мм;
o Летний водопровод проектом не предусмотрен.
Внутренняя канализация (проект канализации) таунхауса в КП "Футуро Парк".
o Комбинированная - безнапорная, с напорным участком (на 2 этаже), отвод стоков от санитарно-технических приборов предусмотрен в центральную сеть;
o Произведен расчет 15-ти точек бытовой канализации, предусмотрено использование канализационно-насосной станции Grundfos Sololift2 WC-1;
o Канализационные трубы Синикон, раструбные, из полипропилена.






















