Выполненные проекты
Проект отопления дома 207 м.кв. с гаражом и баней
Объект: частный дом из клееного бруса, с гаражом и баней, общей площадью 207 м.кв., расположенный в СНТ "Березка", Красногорского района Московской области
Вариант отопления: «Комфортный»
Цена проекта отопления, водоснабжения и канализации: 33 129 руб. со скидкой 10% (проект котельной и теплотрассы бесплатно).
Проект котельной, теплотрассы, отопления, водоснабжения и канализации выполнен: 04.02.2021
Состав проекта котельной отопления, водоснабжения и канализации трех строений – дома, гаража и бани:
1. Пояснительная записка проекта. Общие данные по системам отопления, водоснабжения и канализации частного дома с баней и гаражом.
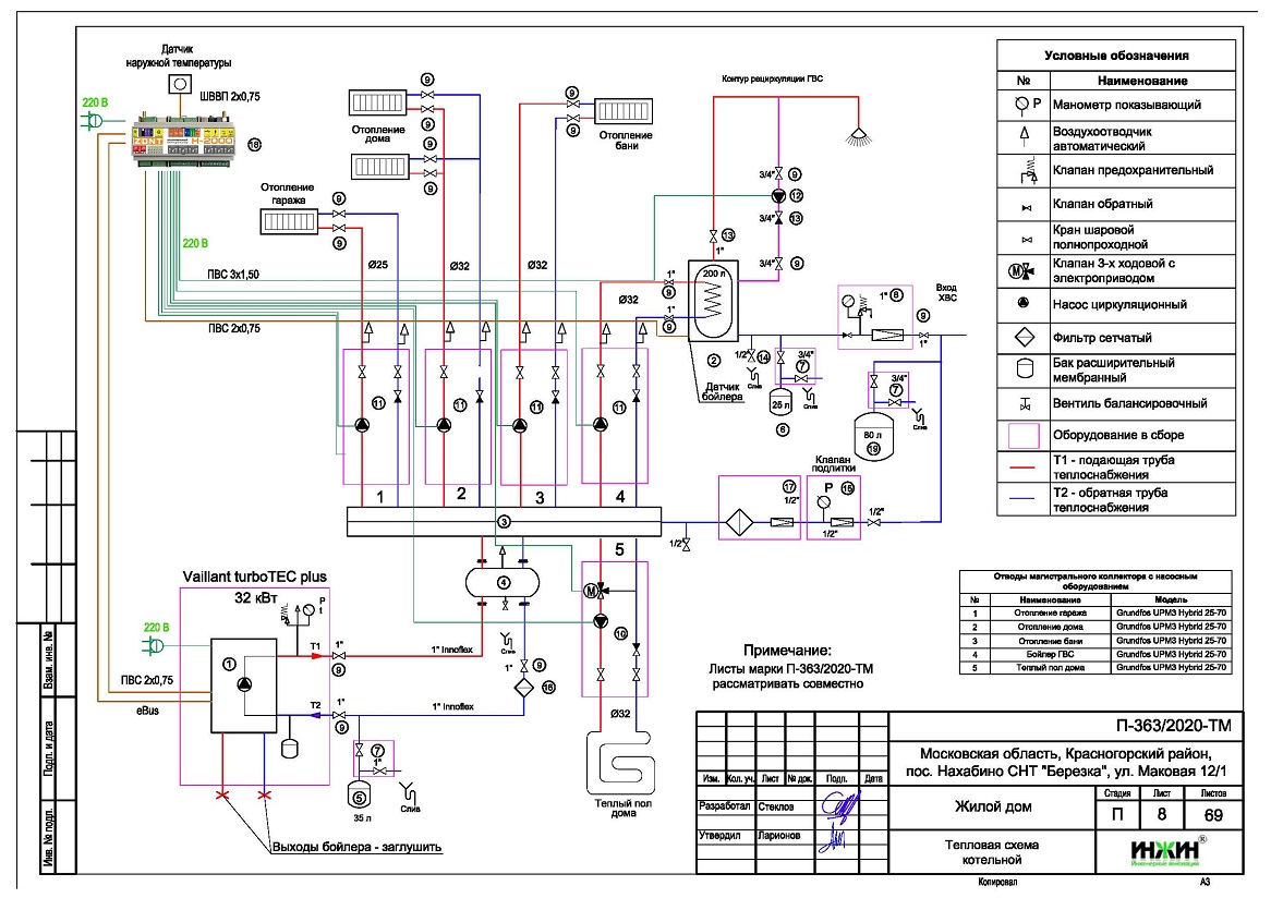
2. Тепломеханическая схема котельной с размещением оборудования в помещении гаража.
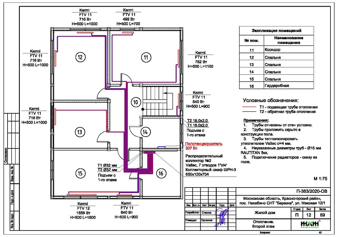
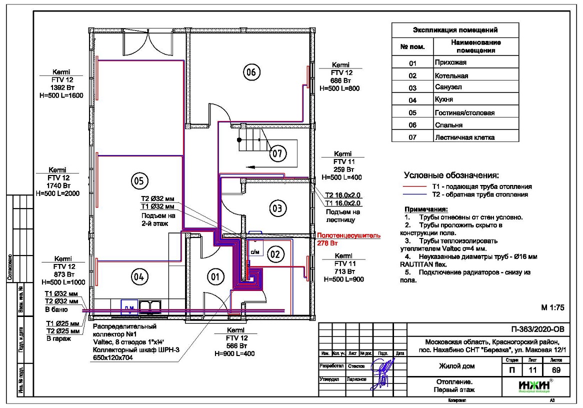
3. Комплекты поэтажных чертежей радиаторного отопления дома, гаража и бани.
4. Комплекты чертежей водяного теплого пола дома.
5. Комплекты чертежей внутреннего водопровода и канализации дома, гаража и бани.
6. Теплотехнический расчет отопления каждого из трех строений.
7. Спецификация материалов и оборудования по котельной, теплотрассе, отоплению, теплому полу, водоснабжению и канализации дома, бани и гаража.
Объем проекта: 69 листов.
Описание проекта отопления, котельной, водоснабжения и канализации частного дома, гаража и бани в СНТ "Березка".
Котельная для трех строений (проект котельной бесплатно).
o Размещена в помещении котельной дома;
o Предусмотрен настенный газовый котел Vaillant мощностью 32 кВт;
o Контуры теплоснабжения котельной – отопление дома, бани и гаража (3 контура), теплый пол дома и бойлер ГВС;
o Для приготовления горячей воды всех строений предусмотрен накопительный бойлер Vaillant uniSTOR, объемом 200 литров;
o Расширительные баки отопления и водоснабжения Flamco, объемом 35 и 25 литров соответственно;
o Циркуляционные насосы отопления и теплого пола Grundfos, использованы энергоэффективные насосы UPM3 Hybrid (в составе насосных групп), аналог насосов серии Alpha и MAGNA1;
o Дымоудаление принудительное, предусмотрен комплект коаксиального дымохода для размещения "через стену";
o Распределительный коллектор настенный, Meibes с гидравлической стрелкой и насосными группами;
o Предусмотрена автоматическая подпитка отопления при помощи клапана Watts ALOMD;
o Автоматика котельной – контроллер ZONT H-2000+ с модулем расширения ZE-66 и встроенным GSM-модулем.
Автоматизация котельной (вариант «Комфортный»).
o Автоматическое регулирование отопления по наружной температуре (погодное регулирование);
o Автоматическое поддержание заданной температуры в контурах отопления, теплого пола и горячего водоснабжения;
o Дистанционный контроль за работой котла по мобильному Интернету при помощи встроенного GSM-модуля.
Система отопления бани, гаража и дома (проект отопления) в СНТ "Березка".
o Выполнен теплотехнический расчет отопления дома, гаража и бани, с учетом теплопотерь через ограждающие конструкции при наружной температуре -28°С для Московской области (по СП 131.13330.2012), расчетный расход тепла на отопление дома составил 15,26 кВт, на отопление бани - 2,24 кВт, на отопление гаража - 4,62 кВт;
o Подобраны приборы для систем отопления дома, гаража и бани: панельные стальные радиаторы Kermi с нижним подключением;
o Схема радиаторного отопления всех трех строений двухтрубная, коллекторно-лучевая, с принудительной циркуляцией теплоносителя и температурным графиком 80/60°С;
o Трубы отопления из сшитого полиэтилена Rehau RAUTITAN flex;
o Коллекторы отопления – Valtec, 4 шт.;
o Шкафы коллекторные Valtec встраиваемые и пристраиваемые;
o Теплоизоляция трубопроводов отопления Энергофлекс, толщиной 9мм;
o Теплоноситель в системе отопления и теплых полов всех строений– подготовленная вода;
o Регулирование отопления ручного, при помощи "термоголовок".
Водяной теплый пол дома в СНТ "Березка" (проект теплого пола).
o Водяной теплый пол в доме предусмотрен на площади 72 м.кв., 10 петель;
o Трубопроводы теплого пола - сшитый полиэтилен Rehau RAUTHERM S;
o Коллектор теплого пола Valtec, на 10 отводов;
o Основание теплого пола – маты из ламинированного пенополистирола Elsen ElM01.50;
o Регулирование температуры теплого пола двухуровневое – общее, автоматикой котельной и зональное, при помощи комнатных термостатов Rehau NEA HT и сервоприводов Uni.
Водоснабжение дома, бани и гаража в СНТ "Березка".
o Схема внутреннего водопровода всех строений – коллекторная, с рециркуляцией горячей воды через коллекторы и полотенцесушители;
o Коллекторы водопровода всех строений – сборные, Valtec VTc.560, с запорными вентилями;
o Выполнен расчет 25-и точек водопровода и полотенцесушителей для всех строений;
o Трубы системы водоснабжения – из сшитого полиэтилена Rehau RAUTITAN;
o Теплоизоляция трубопроводов водопровода Энергофлекс, толщиной 9мм.
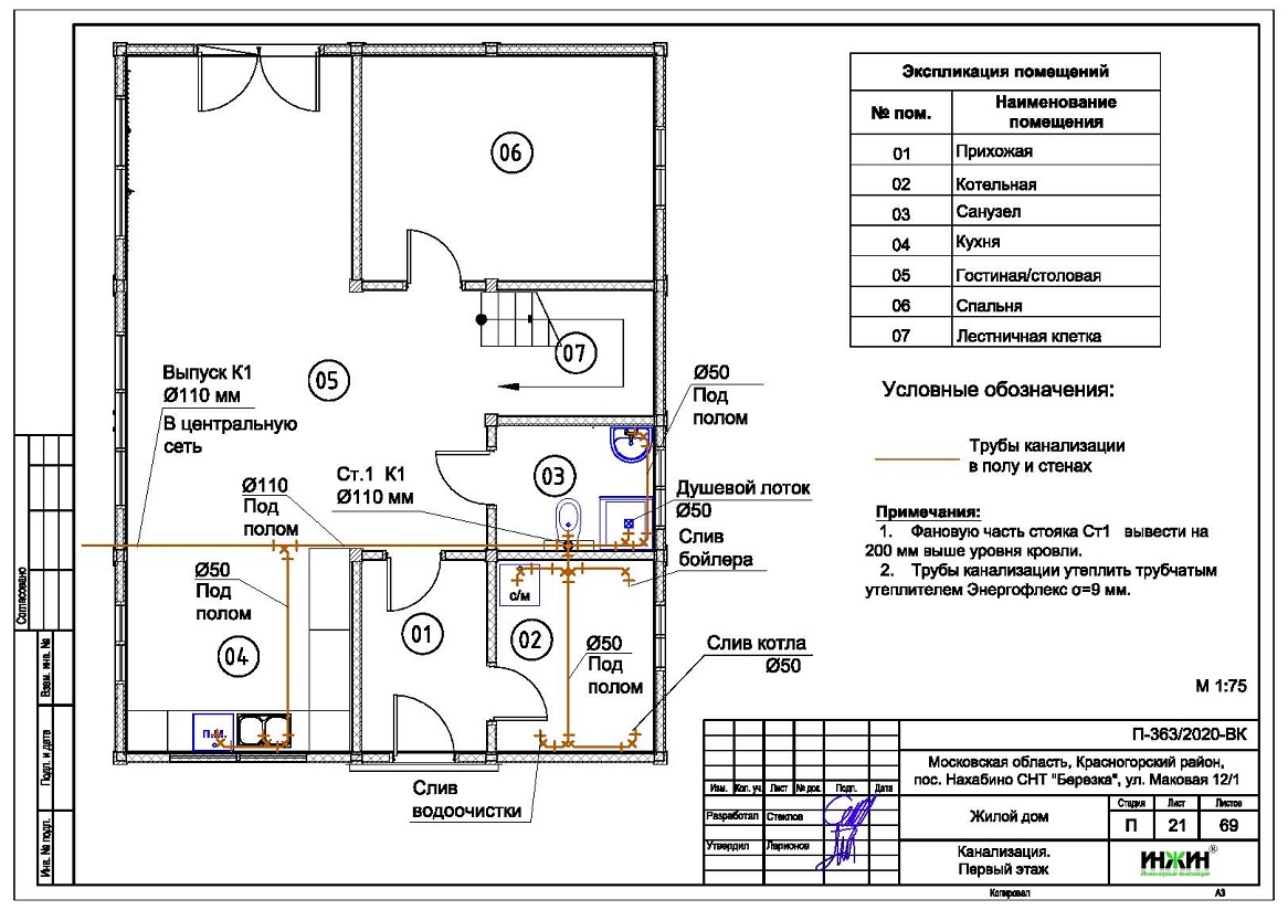
Внутренняя канализация дома, бани и гаража в СНТ "Березка".
o Во всех строениях предусмотрен безнапорный отвод стоков от санитарно-технических приборов;
o Общее количество точек системы канализации – 18 шт.;
o Трубопроводы безнапорной канализации – раструбные, СИНИКОН, диаметром 50 и 110мм;
o Теплоизоляция трубопроводов канализации Энергофлекс, толщиной 13мм.
Заказать в нашей компании проект отопления, водоснабжения и канализации дома в Московской области со скидкой.
Для этого дома с гаражом и баней выполнен проект электрики.

























