Выполненные проекты
Проект отопления дома 184 м.кв. в Кратово
Объект: двухэтажный частный дом из газобетонных блоков, площадью 184 м.кв., расположенный в КП "Кратово" Московской области.
Вариант отопления: «Комфортный»
Цена проекта отопления, канализации и водоснабжения: 40 608 руб. со скидкой 10%, проект котельной - бесплатно.
Проект котельной, отопления, водоснабжения и канализации выполнен: 01.06.2021
Состав проекта котельной, отопления, канализации и водоснабжения дома в КП "Кратово":
1. Пояснительная записка проекта, общие данные по системам отопления, канализации и водоснабжения дома 184 м.кв. в КП "Кратово".
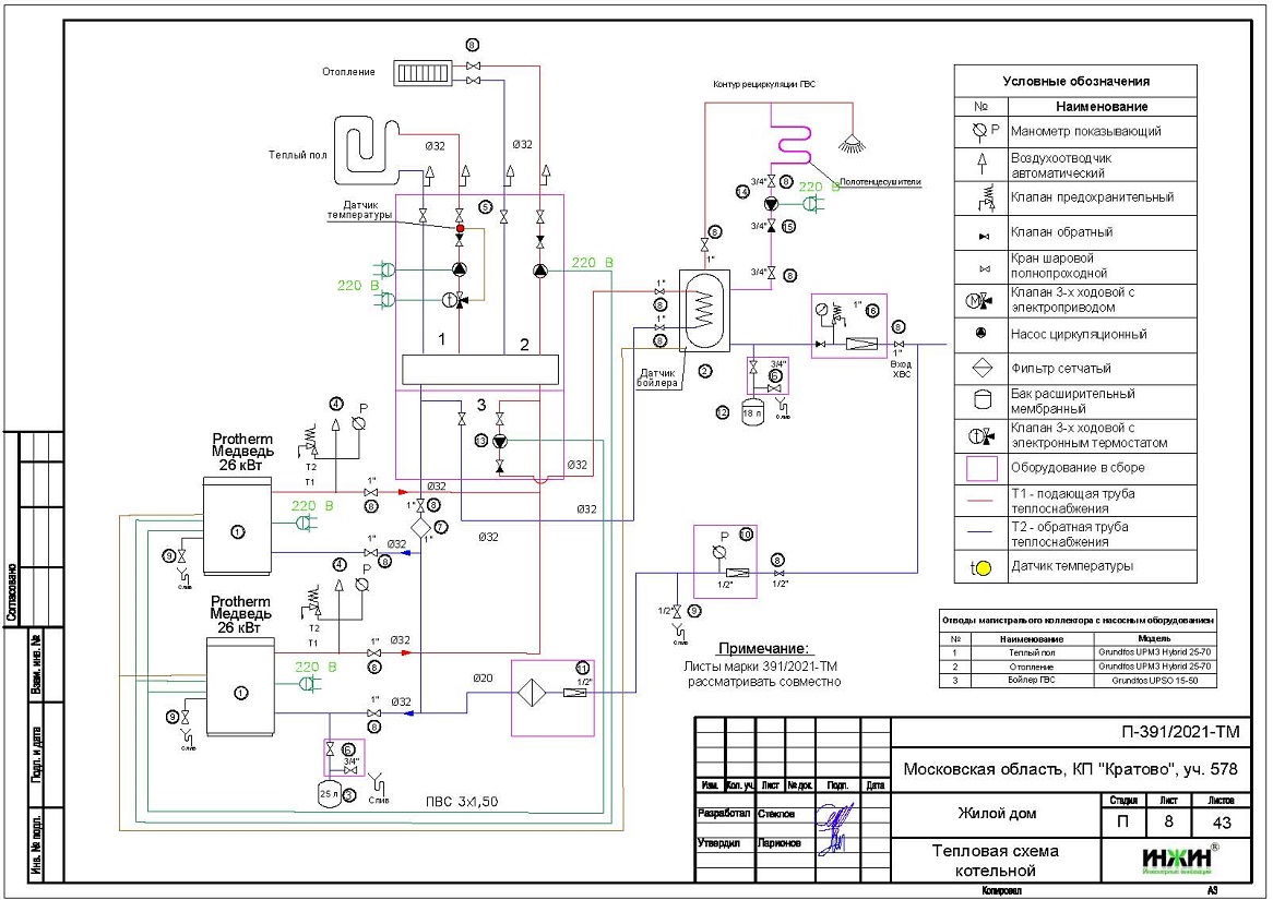
2. Тепломеханическая схема котельной с размещением оборудования в отдельном помещении дома из газобетонных блоков.
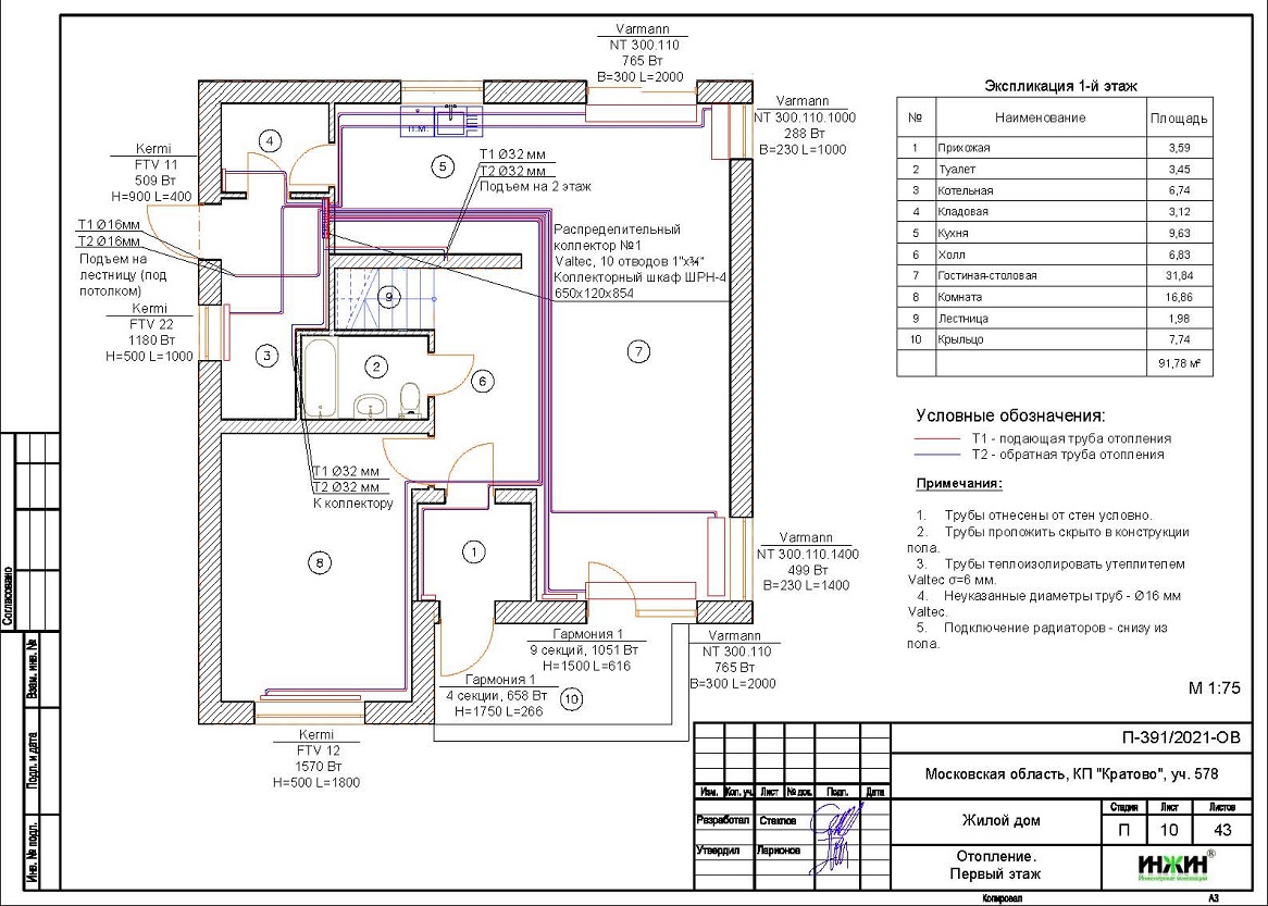
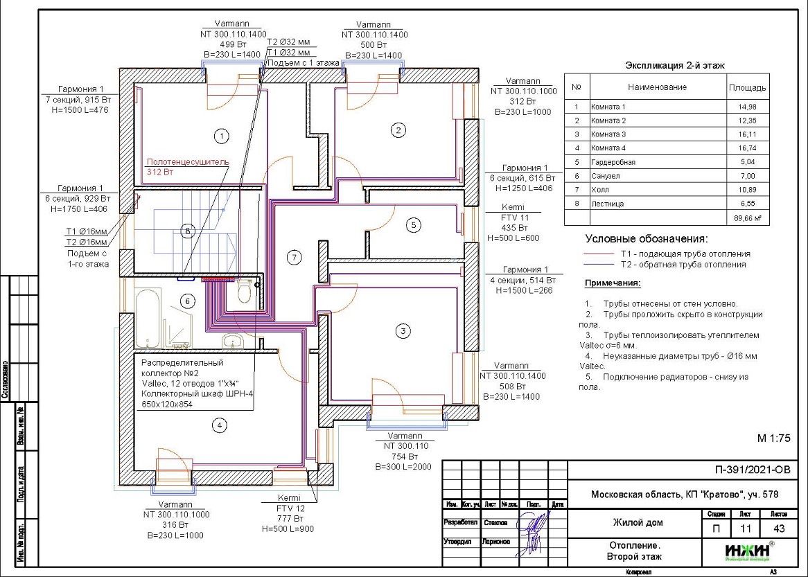
3. Комплект поэтажных чертежей радиаторного отопления дома в КП "Кратово".
4. Комплект чертежей теплого пола на площади 35 м.кв.
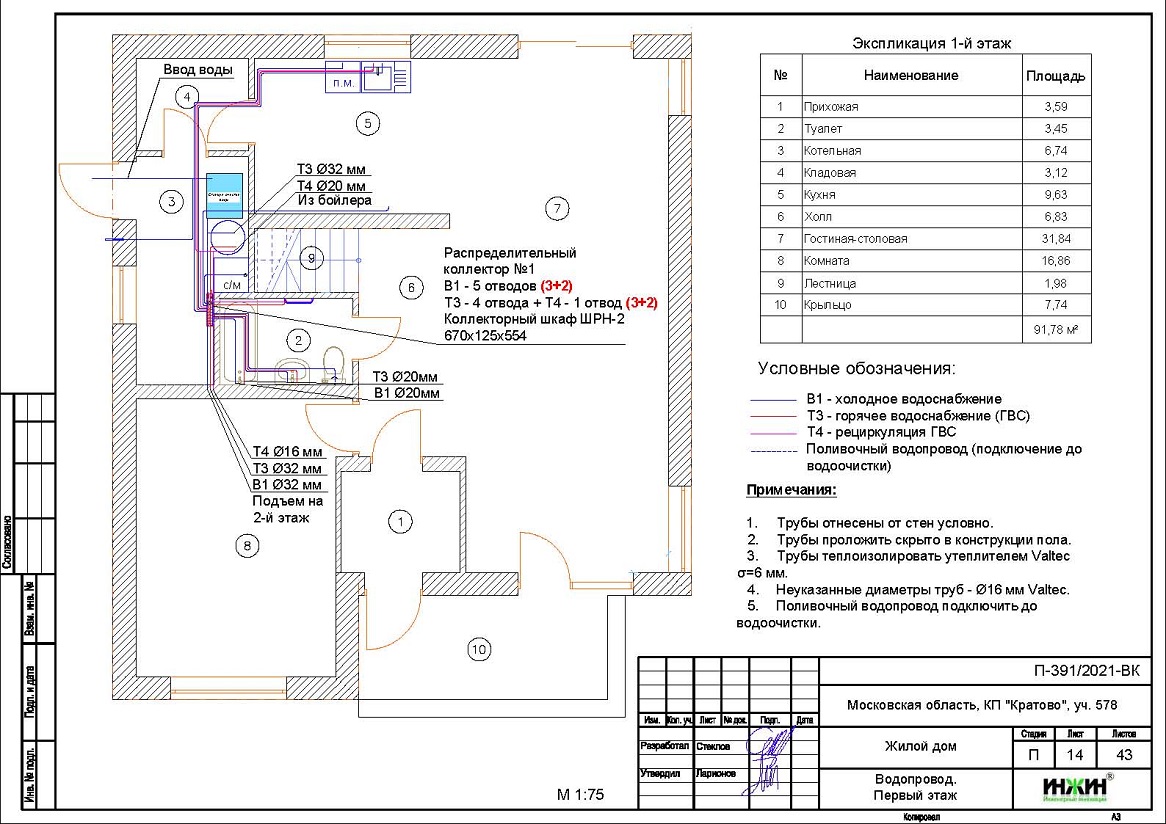
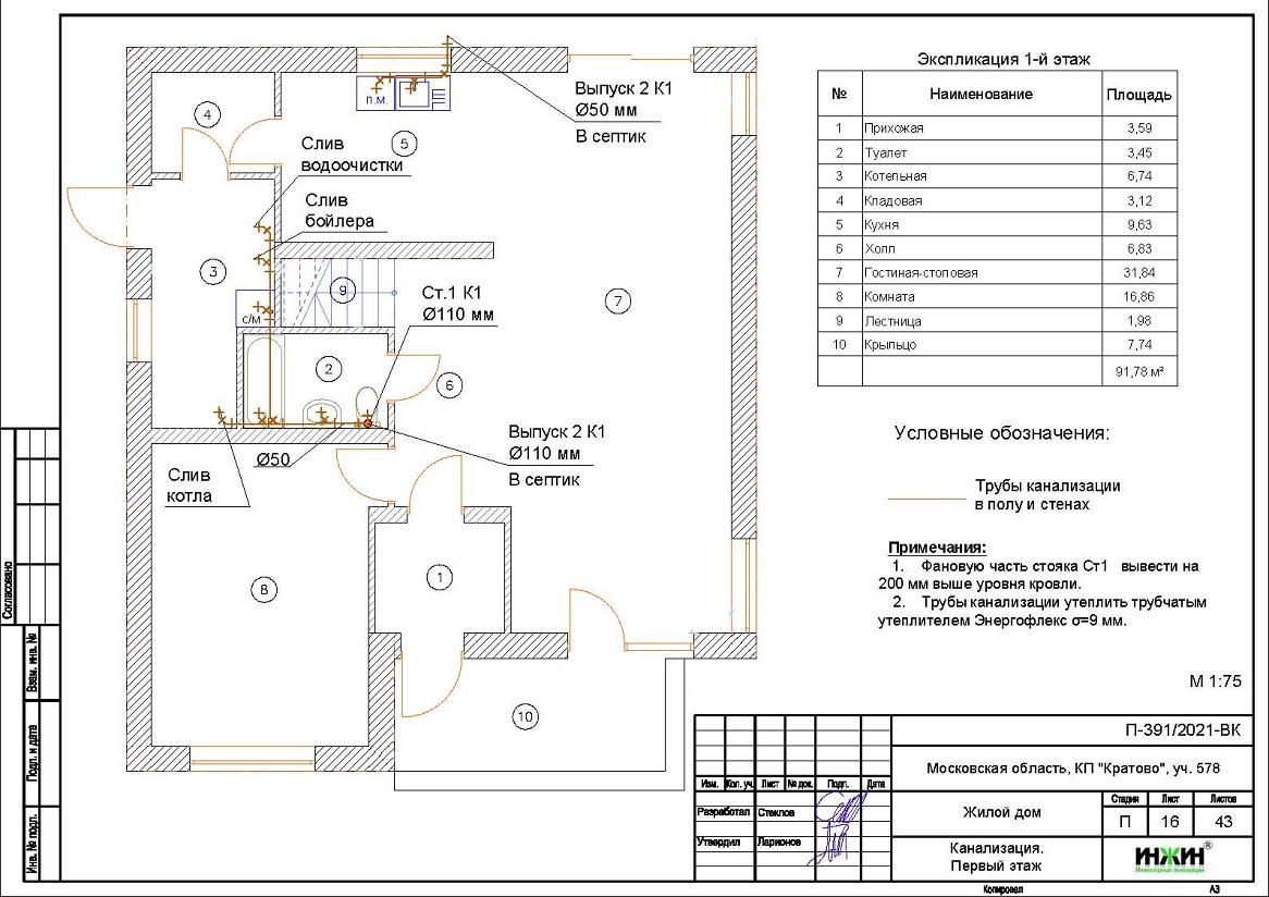
5. Комплект чертежей водоснабжения и канализации частного дома из газобетонных блоков в КП "Кратово".
6. Типовые схемы системы отопления канализации и водоснабжения дома 184 м.кв.
7. Теплотехнический расчет отопления дома из газобетонных блоков.
8. Спецификация материалов и оборудования по котельной, отоплению, канализации и водоснабжению дома в КП "Кратово".
Объем проекта отопления, канализации и водоснабжения дома в КП "Кратово": 43 листа.
Описание проекта отопления, котельной, канализации и водоснабжения частного дома 184 м.кв. в КП "Кратово".
Котельная частного дома в КП "Кратово"(проект котельной бесплатно).
o Размещена в отдельном помещении дома 184 м.кв.;
o Теплогенераторы - (основной и резервный) напольные газовые котлы Protherm Медведь, мощностью 26 кВт, каждый;
o Контуры теплоснабжения котельной – радиаторное отопление дома, теплый пол и горячее водоснабжение, для которого предусмотрен накопительный бойлер Protherm, объемом 200 литров (подключение к коллектору);
o Расширительные баки отопления и бойлера Flamco, объемом 25 и 18 литров соответственно;
o Дымоудаление естественное, дымоход из стальных труб Rosinox диаметром 150 мм;
o Распределительный коллектор - компактный модуль Meibes Kombimix с опциональной группой загрузки бойлера;
o Автоматика котельной – встроена в котлы.
Отопление дома в КП "Кратово" (проект отопления дома).
o Выполнен теплотехнический расчет отопления дома из газобетонных блоков (утеплитель кровли - базальтовая вата 200мм) с учетом теплопотерь через ограждающие конструкции при наружной температуре -28°С для Московской области (по СП 131.13330.2012), расчетный расход тепла на отопление дома составил 17,06 кВт, удельные теплопотери 98,3 Вт/м.кв.;
o Подобраны приборы для отопления дома: стальные панельные радиаторы Kermi с нижним подключением, стальные трубчатые радиаторы Гармония (КЗТО),а также встроенные в пол конвекторы Varmann с естественной конвекцией;
o Схема радиаторного отопления дома двухтрубная, коллекторно-лучевая, с принудительной циркуляцией теплоносителя и температурным графиком 80/60°С;
o Трубы отопления из металлопластика Valtec;
o Теплоизоляция трубопроводов отопления Valtec, толщиной 6мм;
o Теплоноситель в системе радиаторного отопления дома – подготовленная вода, предусмотрены средства защиты от образования накипи.
Водяной теплый пол дома в КП "Кратово" (проект теплого пола).
o Водяной теплый пол в доме предусмотрен на площади 35 м.кв., коллектор теплого пола Valtec на 10 отводов;
o Предусмотрен насосно-смесительный узел для теплоснабжения водяного теплого пола дома - в составе модуля Kombimix;
o Трубопроводы теплого пола – сшитый полиэтилен Valtec;
o Регулирование температуры теплого пола - общее, регулятором на смесительной группе, а также локальное - по помещениям, при помощи комнатных термостатов и электромеханических сервоприводов.
Внутренний водопровод дома в КП "Кратово" (проект водоснабжения).
o Схема внутреннего водоснабжения дома – коллекторно-лучевая с рециркуляцией горячей воды через водяные полотенцесушители, выполнен расчет 19-ти точек водоснабжения и полотенцесушителей;
o Трубопроводы системы водоснабжения – из металлопластика Valtec;
o Теплоизоляция трубопроводов Valtec, толщиной 6мм;
o Для летнего водопровода предусмотрен незамерзающий кран Meibes SEPP-Eis.
Внутренняя канализация (проект канализации) дома в КП "Кратово".
o Безнапорная, отвод стоков от санитарно-технических приборов предусмотрен в септик;
o Произведен расчет 13-ти точек бытовой канализации;
o Канализационные трубы Синикон, раструбные, из полипропилена.
Заказать в нашей компании проект отопления, водоснабжения и канализации загородного дома дистанционно со скидкой.
Для этого загородного дома в КП "Кратово" выполнен проект электрики.






















