Выполненные проекты
Проект отопления дома 215 м.кв. в Вологодской области
Объект: двухэтажный загородный дом из газобетонных блоков, площадью 215 м.кв., расположенный в дер. Ирдоматка, Череповецкого района Вологодской области
Вариант отопления: «Комфортный»
Цена проекта отопления, канализации и водоснабжения: 52 569 руб. со скидкой 10%, проект котельной - бесплатно.
Проект котельной, отопления, канализации и водоснабжения выполнен: 14.06.2021
Состав проекта котельной, отопления, канализации и водоснабжения дома в дер. Ирдоматка, Вологодской области:
1. Пояснительная записка проекта, общие данные по системам отопления и водоснабжения дома 215 м.кв. в Вологодской области.
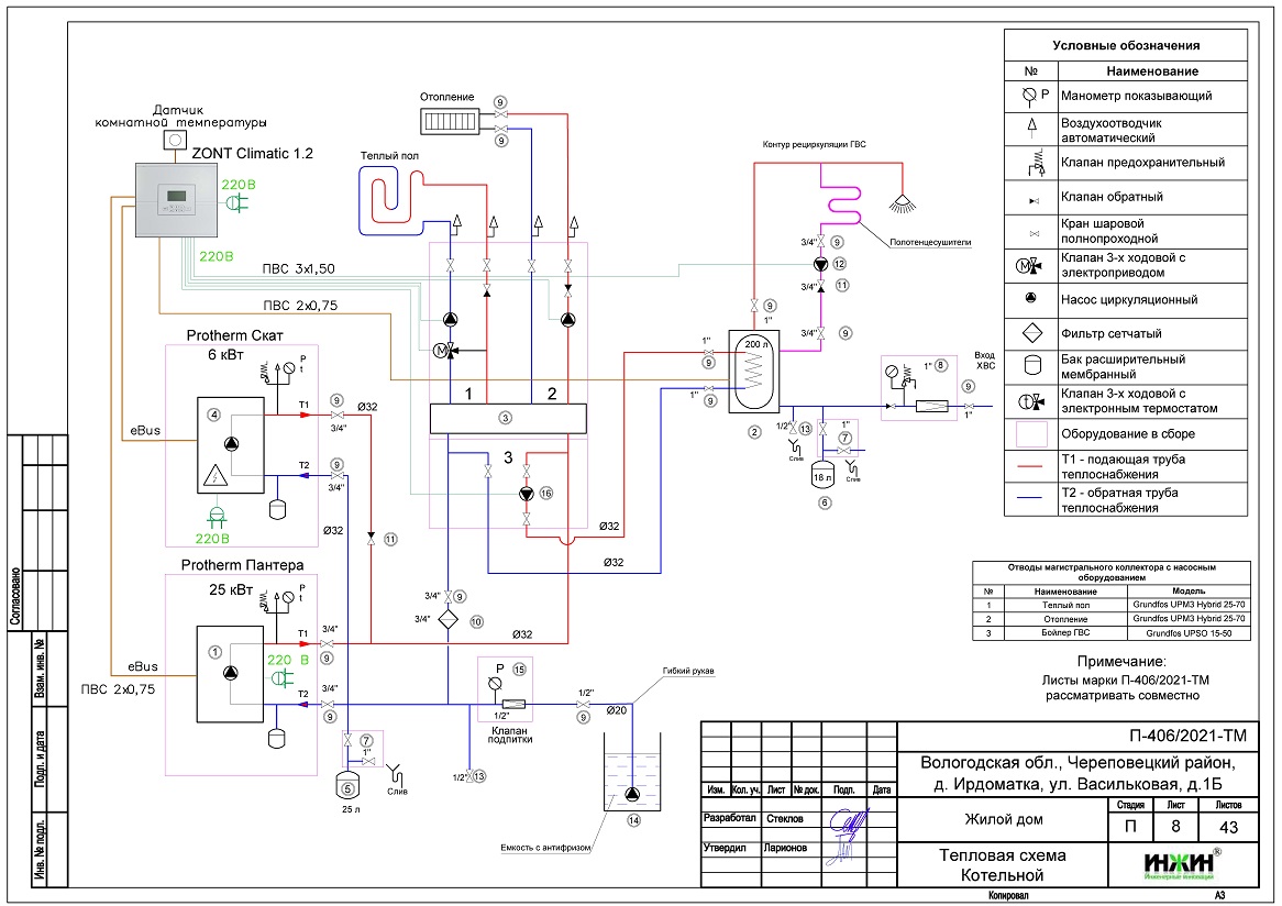
2. Тепломеханическая схема котельной с размещением оборудования в отдельном помещении дома из газобетонных блоков.
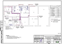
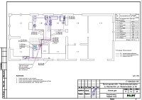
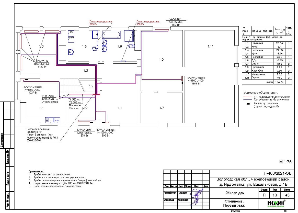
3. Комплект поэтажных чертежей радиаторного отопления дома в дер. Ирдоматка, Вологодской области.
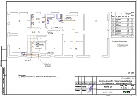
4. Комплект чертежей теплого пола на площади 112 м.кв.
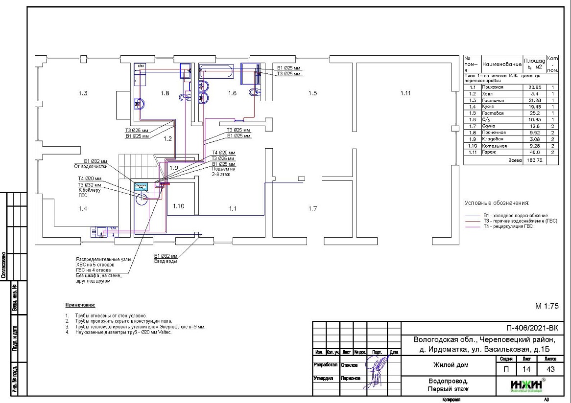
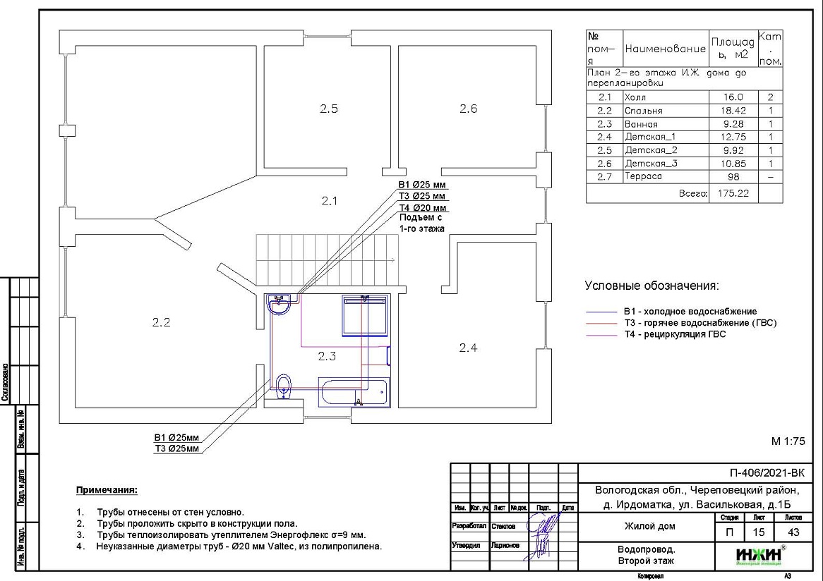
5. Комплект чертежей водоснабжения частного дома из газобетонных блоков.
6. Типовые схемы системы отопления канализации и водоснабжения дома 215 м.кв.
7. Теплотехнический расчет отопления дома из газобетонных блоков.
8. Спецификация материалов и оборудования по котельной, отоплению и водоснабжению дома в дер. Ирдоматка, Вологодской области.
Объем проекта отопления, канализации и водоснабжения дома: 43 листа.
Описание проекта отопления, котельной, канализации и водоснабжения частного дома 215 м.кв. в дер. Ирдоматка, Вологодской области.
Котельная частного дома в дер. Ирдоматка, Вологодской области(проект котельной бесплатно).
o Размещена в отдельном помещении дома 215 м.кв.;
o Теплогенераторы - основной, настенный газовый котел Protherm Пантера, мощностью 28 кВт, резервный- электрический котел Protherm Скат, мощностью 6 кВт;
o Контуры теплоснабжения котельной – радиаторное отопление дома, теплый пол и горячее водоснабжение, для которого предусмотрен накопительный бойлер Protherm, объемом 200 литров (подключение к коллектору котельной);
o Расширительные баки отопления и бойлера Flamco, объемом 25 и 18 литров, соответственно;
o Циркуляционные насосы отопления и бойлера Grundfos, использованы энергоэффективные насосы UPM3 Hybrid (в составе насосных групп Meibes), аналог насосов серии Alpha;
o Дымоудаление принудительное, дымоход коаксиальный, комплект Protherm для прохода через стену, диаметр 60/100 мм;
o Распределительный коллектор - настенный компактный модуль Meibes Kombimix, с насосными группами;
o Автоматика котельной – контроллер отопления ZONT-Climatic 1.2 со встроенным GSM-модулем.
Отопление дома в дер. Ирдоматка, Вологодской области (проект отопления дома).
o Выполнен теплотехнический расчет отопления дома из газобетонных блоков (утеплитель кровли - минеральная вата Rockwool, 350мм, пола - пенополистирол 120мм) с учетом теплопотерь через ограждающие конструкции при наружной температуре -32°С для Вологодской области (по СП 131.13330.2012), расчетный расход тепла на отопление дома составил 19,68 кВт, удельные теплопотери 91,1 Вт/м.кв.;
o Подобраны приборы для отопления дома: дизайн-радиаторы SAVVA Chinook с нижним подключением и горизонтальные конвекторы SAVVA DRH;
o Схема радиаторного отопления дома двухтрубная, коллекторно-лучевая, с принудительной циркуляцией теплоносителя и температурным графиком 80/60°С;
o Трубы отопления из сшитого полиэтилена Rehau;
o Теплоизоляция трубопроводов отопления Энергофлекс, толщиной 9мм;
o Теплоноситель в системе отоплениядома – незамерзающая жидкость Warme Eco Pro.
Водяной теплый пол дома в дер. Ирдоматка, Вологодской области (проект теплого пола).
o Водяной теплый пол в доме предусмотрен на площади 112 м.кв., 15 контуров;
o Предусмотрена насосная группа в котельной;
o Трубопроводы теплого пола – сшитый полиэтилен Rehau;
o Регулирование температуры теплого пола - общее, автоматикой котельной, а также зональное - по помещениям (электронные комнатные термостаты и сервоприводы Rehau).
Внутренний водопровод дома в дер. Ирдоматка, Вологодской области (проект водоснабжения).
o Схема внутреннего водоснабжения дома – тупиковая тройниковая с рециркуляцией горячей воды через водяные полотенцесушители, выполнен расчет 32-х точки водоснабжения и полотенцесушителей;
o Трубопроводы системы водоснабжения – из полипропилена Valtec;
o Теплоизоляция трубопроводов Энергофлекс Супер, толщиной 9мм;
o Летний водопровод проектом не предусмотрен.
Внутренняя канализация (проект канализации) дома в дер. Ирдоматка, Вологодской области.
o Безнапорная, отвод стоков от санитарно-технических приборов предусмотрен в септик;
o Произведен расчет 20-и точек бытовой канализации;
o Канализационные трубы Синикон, раструбные, из полипропилена.






















