Выполненные проекты
Проект отопления дома 325 м.кв. в Наро-Фоминском г.о.
Объект: двухэтажный частный дом из газобетонных блоков, площадью 325 м.кв., расположенный в КП «Усадьба Жодочи -2», Наро-Фоминский городской округ Московской области
Вариант отопления: «Комфортный»
Цена проекта отопления, канализации и водоснабжения: 72 387 руб. со скидкой 10%, проект котельной - бесплатно.
Проект котельной, отопления, водоснабжения и канализации выполнен: 18.08.2021
Состав проекта котельной, отопления, канализации и водоснабжения дома в КП «Усадьба Жодочи -2»:
1. Пояснительная записка проекта, общие данные по системам отопления, канализации и водоснабжения дома 325 м.кв. в КП «Усадьба Жодочи -2».
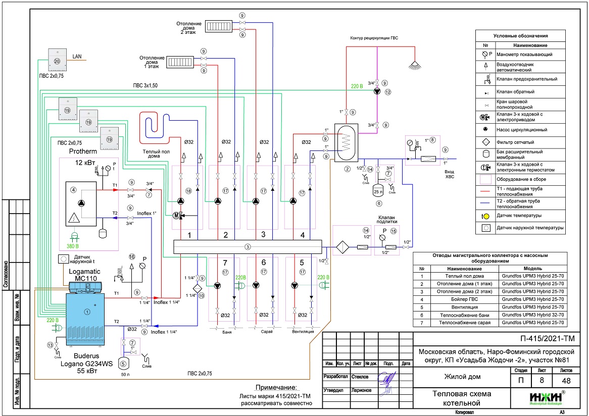
2. Тепломеханическая схема котельной с размещением оборудования в отдельном помещении дома из газобетонных блоков.
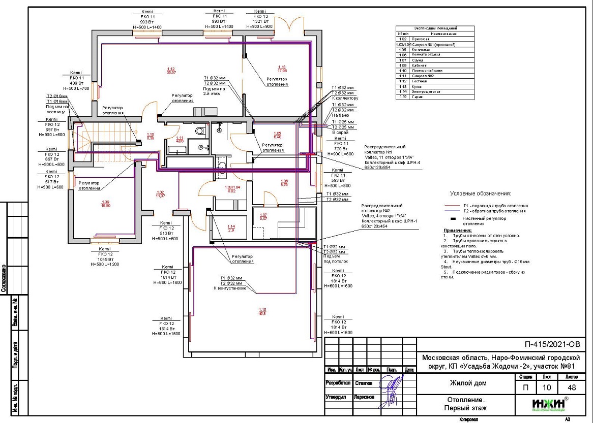
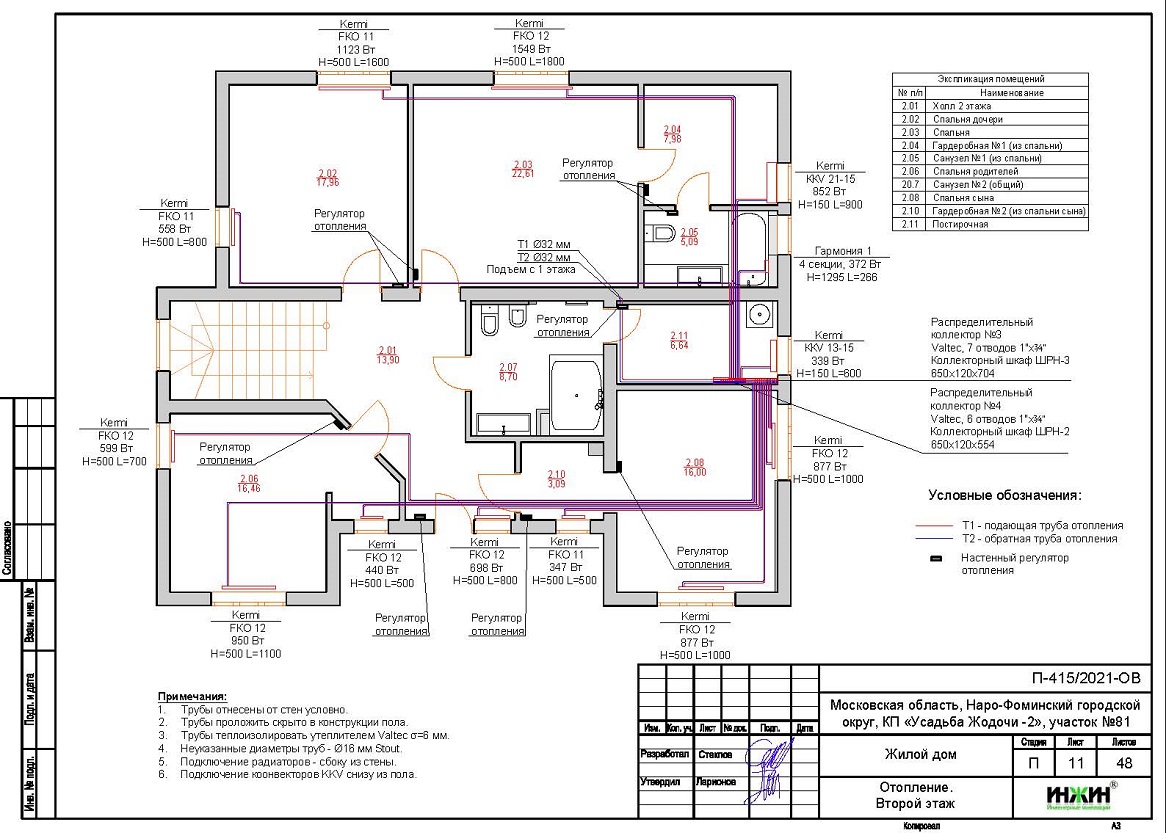
3. Комплект поэтажных чертежей радиаторного отопления дома в КП «Усадьба Жодочи -2».
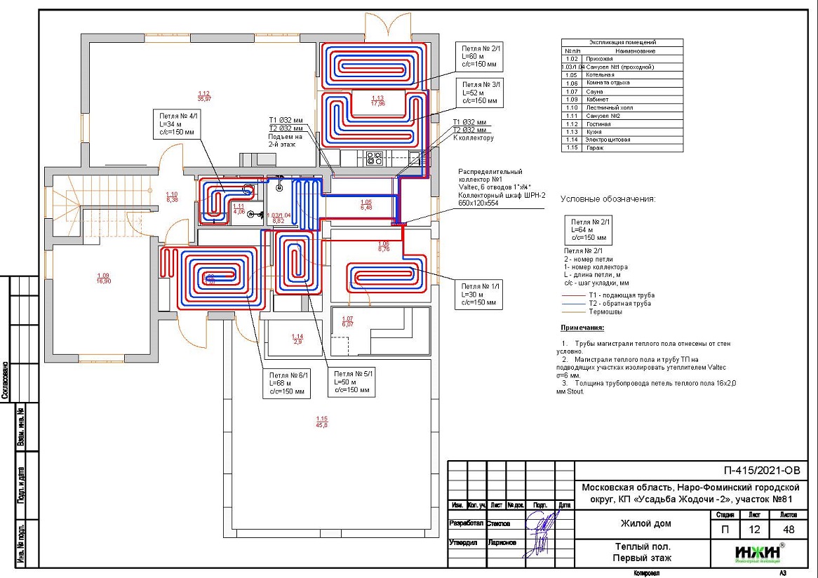
4. Комплект чертежей теплого пола на площади 71 м.кв.
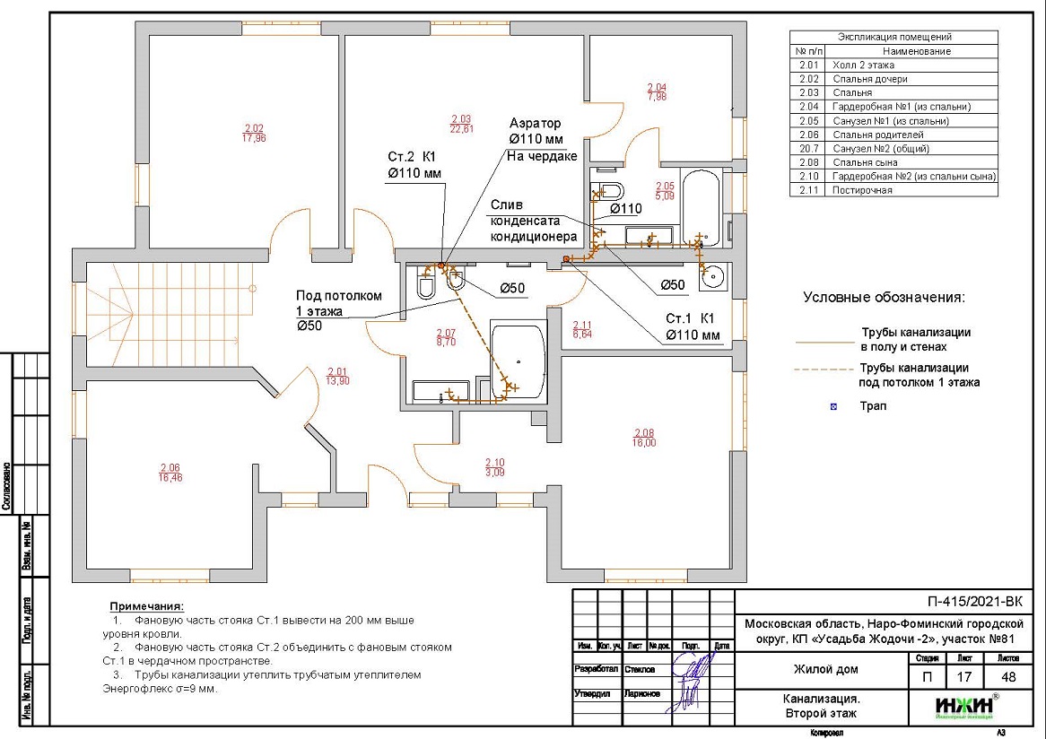
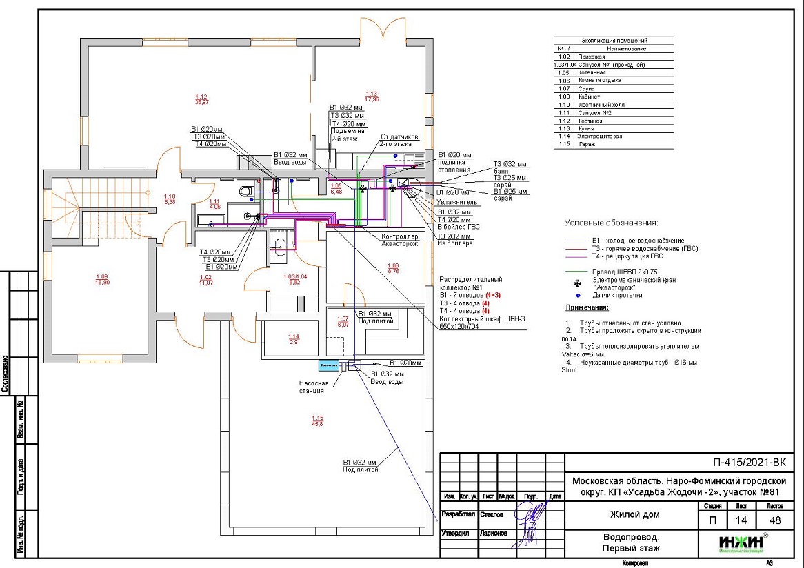
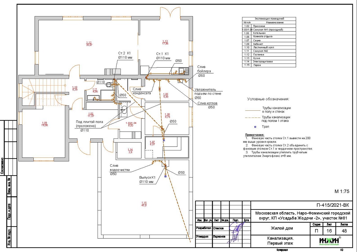
5. Комплект чертежей водоснабжения и канализации частного дома из газобетонных блоков в КП «Усадьба Жодочи -2».
6. Типовые схемы системы отопления канализации и водоснабжения дома 325 м.кв.
7. Теплотехнический расчет отопления дома из газобетонных блоков.
8. Спецификация материалов и оборудования по котельной, отоплению, канализации и водоснабжению дома вКП «Усадьба Жодочи -2».
Объем проекта отопления, канализации и водоснабжения дома в КП «Усадьба Жодочи -2»: 48 листов.
Описание проекта отопления, котельной, канализации и водоснабжения частного дома 325 м.кв. в КП «Усадьба Жодочи -2».
Котельная частного дома в КП «Усадьба Жодочи -2»(проект котельной бесплатно).
o Размещена в отдельном помещении дома 325 м.кв.;
o Теплогенераторы - основной напольный газовый котел Buderus Logano G234 WS, мощностью 55 кВт, резервный - электрический настенный котел Protherm RAY (СКАТ), мощностью 12 кВт;
o Контуры теплоснабжения котельной – радиаторное отопление 1 и 2 этажей дома (по одному на этаж), теплый пол, горячее водоснабжение, для которого предусмотрен накопительный бойлер Buderus, объемом 300 литров (подключение к коллектору), а также контур вентиляции, отопления бани и сарая;
o Расширительные баки отопления и бойлера Flamco, объемом 50 и 25 литров соответственно;
o Дымоудаление естественное, дымоход из стальных труб Rosinox диаметром 180 мм;
o Распределительный коллектор - Meibes с насосными групами;
o Автоматика котельной – система управления Buderus Logamatic MC110 с модулями MM100-C и Logamatic Web KM200 для удаленного управления через Интернет.
Отопление дома в КП «Усадьба Жодочи -2» (проект отопления дома).
o Выполнен теплотехнический расчет отопления дома из газобетонных блоков (утеплитель кровли - базальтовая вата 200мм) с учетом теплопотерь через ограждающие конструкции при наружной температуре -28°С для Московской области (по СП 131.13330.2012), расчетный расход тепла на отопление дома составил 27,42 кВт, удельные теплопотери 94,4 Вт/м.кв.;
o Подобраны приборы для отопления дома: стальные панельные радиаторы Kermi с нижним подключением и стальные трубчатые радиаторы Элегант (КЗТО);
o Схема радиаторного отопления дома двухтрубная, коллекторно-лучевая, с принудительной циркуляцией теплоносителя и температурным графиком 80/60°С;
o Трубы отопления из металлопластика Valtec;
o Теплоизоляция трубопроводов отопления Valtec, толщиной 6мм;
o Теплоноситель в системе радиаторного отопления дома – подготовленная вода, предусмотрены средства защиты от образования накипи.
Водяной теплый пол дома в КП «Усадьба Жодочи -2» (проект теплого пола).
o Водяной теплый пол в доме предусмотрен на площади 71 м.кв., коллекторы теплого пола Valtec на 6 и 3 отводов;
o Предусмотрен насосно-смесительный узел для теплоснабжения водяного теплого пола дома - в составе коллектора котельной;
o Трубопроводы теплого пола – сшитый полиэтилен Valtec;
o Регулирование температуры теплого пола - общее, регулятором на смесительной группе.
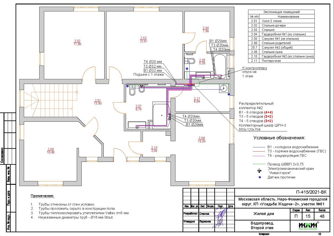
Внутренний водопровод дома в КП «Усадьба Жодочи -2» (проект водоснабжения).
o Схема внутреннего водоснабжения дома – коллекторно-лучевая с рециркуляцией горячей воды через водяные полотенцесушители, выполнен расчет 27-и точек водоснабжения и полотенцесушителей, предусмотрена система защиты от протечек воды "Аквасторож";
o Трубопроводы системы водоснабжения – из металлопластика Valtec;
o Теплоизоляция трубопроводов Valtec, толщиной 6мм;
o Для летнего водопровода предусмотрен незамерзающий кран Meibes SEPP-Eis.
Внутренняя канализация (проект канализации) дома в КП «Усадьба Жодочи -2».
o Безнапорная, отвод стоков от санитарно-технических приборов предусмотрен в септик;
o Произведен расчет 23-х точек бытовой канализации, предусмотрено 2 трапа с "сухим" затвором;
o Канализационные трубы Синикон, раструбные, из полипропилена.
Заказать в нашей компании проект отопления, водоснабжения и канализации загородного дома дистанционно со скидкой.
Для этого загородного дома в КП «Усадьба Жодочи -2» выполнен проект электрики.






















