Выполненные проекты
Проект отопления частной бани в Кстинино
Объект: частная баня из блоков Бонолит, общей площадью 84 м.кв., расположенная в НП Кстинино, Пушкинского г.о Московской области
Вариант отопления: «Комфортный»
Цена проекта отопления, канализации и водоснабжения: 19 436 руб. со скидкой 10%, проект котельной - бесплатно.
Проект котельной, отопления, водоснабжения и канализации выполнен: 01.04.2025
Состав проекта котельной, отопления, канализации и водоснабжения бани в НП Кстинино:
1. Пояснительная записка проекта, общие данные по системам отопления, канализации и водоснабжения бани 84 м.кв. в НП Кстинино.
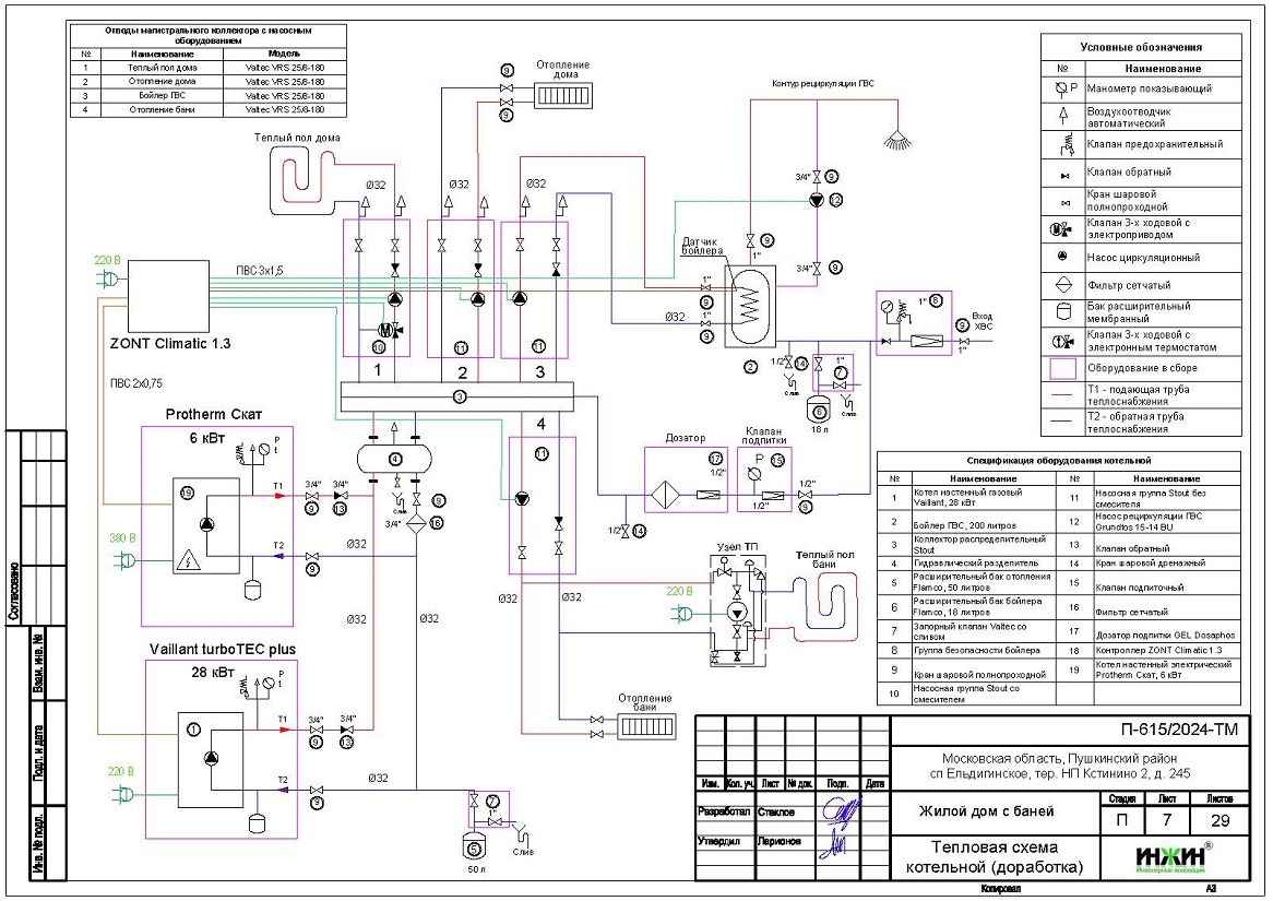
2. Тепломеханическая схема котельной с размещением оборудования в отдельном помещении основного дома (модернизация существующей котельной).
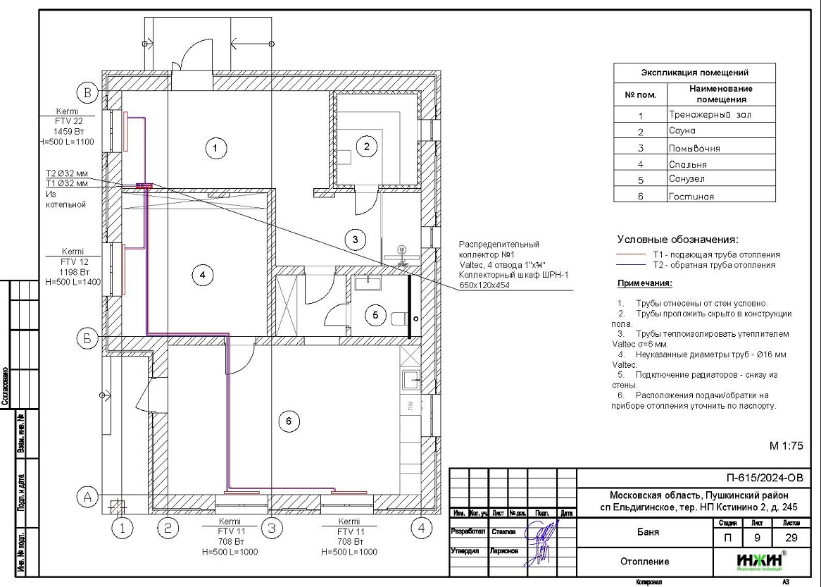
3. Комплект поэтажных чертежей радиаторного отопления бани в НП Кстинино.
4. Комплект чертежей теплого пола на площади 40 м.кв.
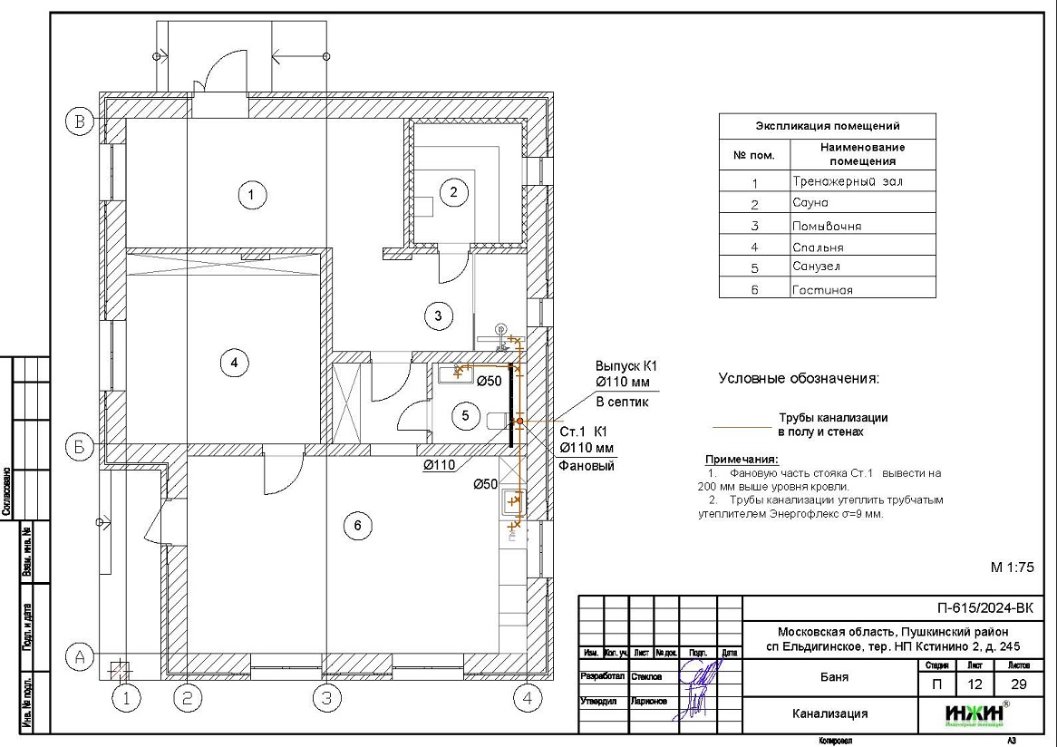
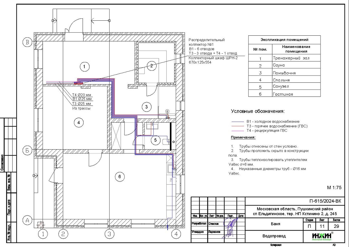
5. Комплект чертежей водоснабжения и канализации бани из блоков Бонолит в НП Кстинино.
6. Типовые схемы системы отопления канализации и водоснабжения бани 84 м.кв.
7. Теплотехнический расчет отопления дома из блоков Бонолит.
8. Спецификация материалов и оборудования по котельной, отоплению, канализации и водоснабжению бани в НП Кстинино.
Объем проекта отопления, канализации и водоснабжения бани в НП Кстинино: 29 листов.
Описание проекта отопления, котельной, канализации и водоснабжения бани 84 м.кв. в НП Кстинино.
Котельная частной бани в НП Кстинино(проект котельной бесплатно).
o Размещена в отдельном помещении основного дома, проект отопления которого выполнен в 2019 году;
o Предусмотрена модернизация существующей котельной - добавлен контур теплоснабжения бани;
o Настенный компактный модуль Meibes Kombimix заменён на распределительный коллектор STOUT с насосными группами;
o Автоматика котельной (ZONT H-1V eBus) заменена на контроллер ZONT Climatic 1.3 со встроенным GSM-модулем.
Отопление бани в НП Кстинино (проект отопления бани).
o Выполнен теплотехнический расчет отопления комплекса строений (утеплитель кровли - базальтовая вата 200мм) с учетом теплопотерь через ограждающие конструкции при наружной температуре -26°С для Московской области (по СП 131.13330.2012), расчетный расход тепла на отопление бани составил 7,9 кВт, удельные теплопотери 81,3 Вт/м.кв.;
o Подобраны приборы для отопления бани: стальные панельные радиаторы Kermi с нижним подключением;
o Схема радиаторного отопления бани двухтрубная, коллекторно-лучевая, с принудительной циркуляцией теплоносителя и температурным графиком 80/60°С;
o Трубы отопления из сшитого полиэтилена Valtec;
o Теплоизоляция трубопроводов отопления Valtec, толщиной 6мм;
o Теплоноситель в системе радиаторного отопления бани – подготовленная вода.
Водяной теплый пол бани в НП Кстинино (проект теплого пола).
o Водяной теплый пол в бане предусмотрен на площади 40 м.кв., коллектор теплого пола Valtec на 6 отводов (всего 6 петель);
o Предусмотрен насосно-смесительный узел для теплоснабжения водяного теплого пола бани (на контуре отопления);
o Трубопроводы теплого пола – сшитый полиэтилен Valtec;
o Регулирование температуры теплого пола - общее, регулятором на смесительной группе.
Внутренний водопровод бани в НП Кстинино (проект водоснабжения).
o Схема внутреннего водоснабжения бани – коллекторно-лучевая с рециркуляцией горячей воды через водяные полотенцесушители и коллекторы, выполнен расчет 12-и точек водоснабжения и полотенцесушителей;
o Трубопроводы системы водоснабжения – из сшитого полиэтилена Valtec;
o Теплоизоляция трубопроводов Valtec, толщиной 6мм.
Внутренняя канализация (проект канализации) бани в НП Кстинино.
o Безнапорная, отвод стоков от санитарно-технических приборов предусмотрен в септик;
o Произведен расчет 5-и точек бытовой канализации;
o Канализационные трубы Синикон, раструбные.



















