Новости компании
Разработан проект отопления для дома в Лапино
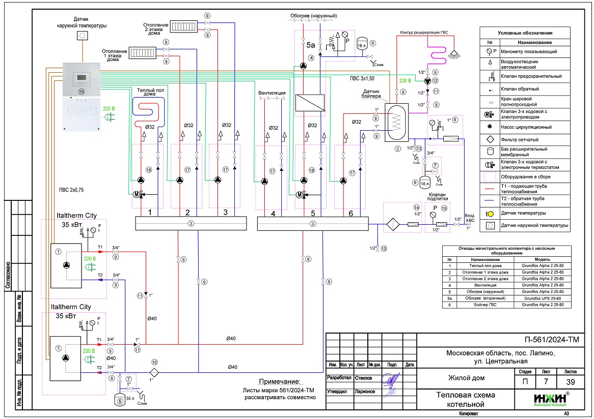
Для загородного дома со стенами из пенобетона (утеплитель кровли - минвата 300 мм), площадью 230 м.кв., расположенного в пос. Лапино Московской области, выполнены проекты отопления и водоснабжения.
В проекте отопления и водоснабжения, по заданию Заказчика, предусмотрены следующие основные технические решения:
- Вариант отопления «Комфортный+», с системой управления котельной ZONT-Climatic 1.3 со встроенным GSM-модулем для удаленного управления при помощи мобильного приложения;
- Индивидуальная котельная с каскадом из двух настенных газовых котлов ITALTHERM CITY CLASS 35 FR, мощностью 35 кВт каждый (в наличии);
- Контуры теплоснабжения дома – 6 шт. (радиаторное отопление дома (отдельно для 1 и 2 этажа), теплый пол дома, теплоснабжение вентиляции, обогрев наружных поверхностей и горячее водоснабжение);
- Выполнен расчет отопления, расход тепла на отопление составил - 27,4 кВт, удельные теплопотери 122,2 Вт/м.кв.;
- Отопление и водоснабжение дома в пос. Лапино предусмотрены по коллекторно-лучевой схеме, с трубопроводами из сшитого полиэтилена Valtec;
- Приборы для системы отопления дома - стальные панельные радиаторы Kermiс нижним подключением и трубчатые дизайн-радиаторы GUARDO RETTA;
- Водяной теплый пол проектом предусмотрен на площади 74 м.кв., 10 петель;
- Водоснабжение предусмотрено с рециркуляцией горячей воды через полотенцесушители, выполнен расчет 25-и точек внутреннего водопровода.
Стоимость проекта отопления и водоснабжения дома в пос. Лапино- 39 483 руб. со скидкой 10%, проект котельной бесплатно, объем проекта 39 листов.

11 июня 2024 года
- Информация о материале
- Просмотров: 3479














