Проекты электрики
Проекты отопления для домов 151-300 м.кв.
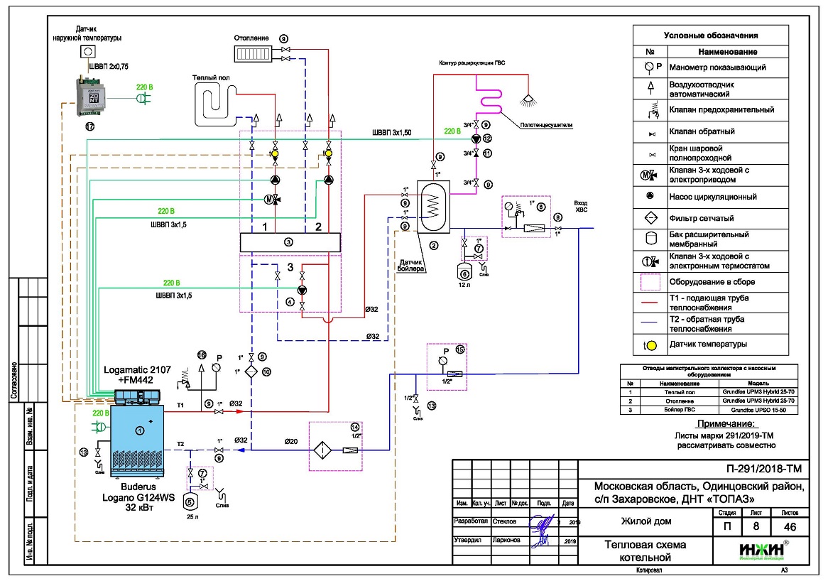
Проекты систем отопления, водоснабжения и канализации, выполненные компанией «Инженерные Инновации» для частных домов площадью от 151 до 300 м.кв., расположенных в Московской, Рязанской, Ивановской, Владимирской, Тульской, Тверской, Нижегородской, Калужской и Ярославской областях.
Проекты котельных выполнены бесплатно.








